MAX3825

过期

+3.3V、2.5Gbps、四路、互阻放大器,用于系统互连

四通道、2.5Gbps低功耗2R接收器芯片组

产品技术资料帮助

ADI公司所提供的资料均视为准确、可靠。但本公司不为用户在应用过程中侵犯任何专利权或第三方权利承担任何责任。技术指标的修改不再另行通知。本公司既没有含蓄的允许,也不允许借用ADI公司的专利或专利权的名义。本文出现的商标和注册商标所有权分别属于相应的公司。

Viewing:

概述

  • Single +3.3V Supply
  • 93mW per channel Power Dissipation
  • 460nARMS Input-Referred Noise
  • 20ps Deterministic Jitter
  • 2.4GHz Small-Signal Bandwidth
  • No External Compensation
  • 40dB Power-Supply Rejection Ratio
  • Compact Die with 250µm Channel Pitch
  • 100Ω Differential Output Impedance

应用

  • ATM交换网络
  • 背板与互连应用
  • 密集数字交叉连接
  • 高速并行光链接
  • SDH/SONET
  • 系统互连

MAX3825
+3.3V、2.5Gbps、四路、互阻放大器,用于系统互连
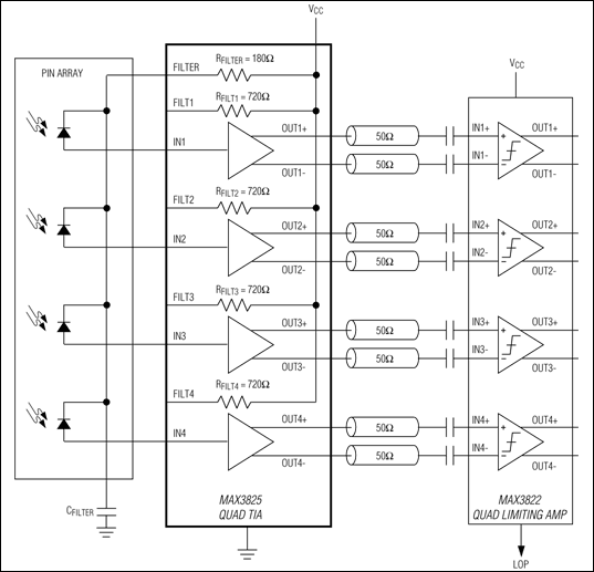
MAX3825:典型应用电路
添加至 myAnalog

将产品添加到myAnalog 的现有项目或新项目中(接收通知)。

创建新项目
提问

参考资料

了解更多
添加至 myAnalog

Add media to the Resources section of myAnalog, to an existing project or to a new project.

创建新项目

软件资源

找不到您所需的软件或驱动?

申请驱动/软件

最新评论

需要发起讨论吗? 没有关于 MAX3825的相关讨论?是否需要发起讨论?

在EngineerZone®上发起讨论

近期浏览