MAX13301

预发布

4通道、汽车应用D类音频放大器

支持较宽的工作电压(6V至25.5V)范围,提供汽车诊断和抛负载保护

产品技术资料帮助

ADI公司所提供的资料均视为准确、可靠。但本公司不为用户在应用过程中侵犯任何专利权或第三方权利承担任何责任。技术指标的修改不再另行通知。本公司既没有含蓄的允许,也不允许借用ADI公司的专利或专利权的名义。本文出现的商标和注册商标所有权分别属于相应的公司。

Viewing:

概述

  • High Output Power (10% THD+N)
    • 2 x 160W into 2Ω at 24V
    • 4 x 80W into 4Ω at 24V
  • 2 Channels Can Be Paralleled
  • Feedback After the Filter
    • Improves THD+N
    • Low Output Impedance
    • High-Frequency Response
    • Improved Damping of Complex Loads
    • Enables Low-Cost Inductors
  • 102dB SNR
  • Low 0.04% THD+N
  • 70dB PSRR
  • On-Board Diagnostics
    • Short-to-Battery/GND
    • Open/Shorted Load
    • Tweeter Detect
  • Protection and Monitoring Functions:
    • Short-Circuit Protection
    • 50V Load-Dump Protection
    • Programmable Clip Detection
    • DC Offset Detection
    • Open Battery/GND Tolerant
    • Thermal-Overload Protection
    • Thermal Warning Indication
  • Four-Address I²C Control Interface
  • Low-Power Shutdown Mode
  • Up to 90.5% Efficiency
  • -40°C to +125°C Ambient Operating Temperature
  • 48-Pin TSSOP-EPR (Top Side Exposed Pad) Package
  • AEC-Q100 Qualified

应用

  • 有源扬声器系统
  • 汽车立体声系统
  • 分立式放大模块
  • 无线环绕系统
  • 无线装置
  • 后排座娱乐系统

MAX13301
4通道、汽车应用D类音频放大器
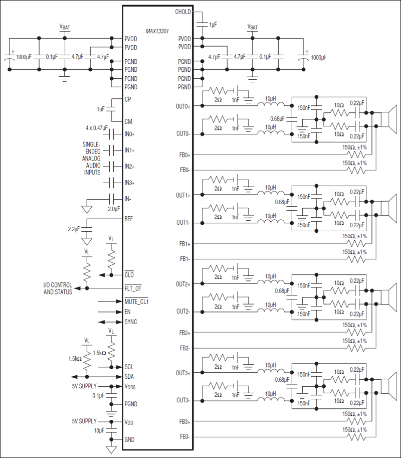
MAX13301:典型工作电路
添加至 myAnalog

将产品添加到myAnalog 的现有项目或新项目中(接收通知)。

创建新项目
提问

参考资料

了解更多
添加至 myAnalog

Add media to the Resources section of myAnalog, to an existing project or to a new project.

创建新项目

软件资源

找不到您所需的软件或驱动?

申请驱动/软件

最新评论

需要发起讨论吗? 没有关于 MAX13301的相关讨论?是否需要发起讨论?

在EngineerZone®上发起讨论

近期浏览