LTC2610
量产采用 16 引脚 SSOP 封装的八通道 14 位轨至轨 DAC
- 产品模型
- 8
概述
- 体积最小的引脚兼容型八通道 DAC
- LTC2600:16 位
- LTC2610:14 位
- LTC2620:12 位
- 在整个工作温度范围内保证 16 位单调性
- 2.5V 至 5.5V 的宽供电电压范围
- 低功耗操作:在 3V 工作电压下每个 DAC 的消耗电流为 250uA
- 单个通道的消耗电流降至 1uA (最大值)
- DAC 之间的串扰极低 (<10uV)
- 高轨至轨输出驱动 (±15mA,最小值)
- 双缓冲数字输入
- 引脚兼容型 10 位 / 8 位器件版本 (LTC1660 / LTC1665)
- 纤巧型 16 引脚窄体 SSOP 和 20 引脚 4mm x 5mm DFN 封装
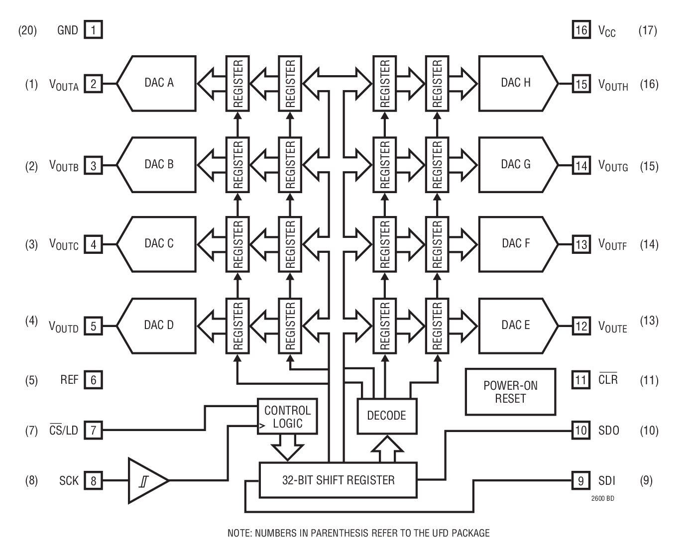
LTC®2600/LTC2610/LTC2620 是采用 16 引脚窄体 SSOP 封装和 20 引脚 4mm x 5mm QFN 封装的八通道 16、14 和 12 位、2.5V 至 5.5V 轨至轨电压输出 DAC。它们内置高性能输出缓冲器,并保证具有单调特性。
这些器件建立了 16 位和 14 位 DAC 的板密度新基准,以及单电源、多路电压输出应用中输出驱动、串扰和负载调节的高性能标准。
该器件采用了一个简单的 SPI / MICROWIRE 兼容型三线式串行接口,可在高达 50MHz 的时钟频率下工作。它们具有菊链操作能力和一种硬件 CLR 功能。
LTC2600/LTC2610/LTC2620 采用了一个加电复位电路。在上电期间,电压输出上升至零标度以上不足 10mV;在上电之后,电压输出维持在零标度,直到出现一个有效写操作和更新操作为止。
Applications
- 移动通信
- 过程控制和工业自动化
- 仪表
- 自动测试设备
参考资料
数据手册 1
可靠性数据 1
ADI 始终高度重视提供符合最高质量和可靠性水平的产品。我们通过将质量和可靠性检查纳入产品和工艺设计的各个范围以及制造过程来实现这一目标。出货产品的“零缺陷”始终是我们的目标。查看我们的质量和可靠性计划和认证以了解更多信息。
| 产品型号 | 引脚/封装图-中文版 | 文档 | CAD 符号,脚注和 3D模型 |
|---|---|---|---|
| LTC2610CGN#PBF | 16-Lead SSOP (Narrow 0.15 Inch) | ||
| LTC2610CGN#TRPBF | 16-Lead SSOP (Narrow 0.15 Inch) | ||
| LTC2610CUFD#PBF | 20-Lead QFN (4mm x 5mm x 0.75mm w/ EP) | ||
| LTC2610CUFD#TRPBF | 20-Lead QFN (4mm x 5mm x 0.75mm w/ EP) | ||
| LTC2610IGN#PBF | 16-Lead SSOP (Narrow 0.15 Inch) | ||
| LTC2610IGN#TRPBF | 16-Lead SSOP (Narrow 0.15 Inch) | ||
| LTC2610IUFD#PBF | 20-Lead QFN (4mm x 5mm x 0.75mm w/ EP) | ||
| LTC2610IUFD#TRPBF | 20-Lead QFN (4mm x 5mm x 0.75mm w/ EP) |
| 产品型号 | 产品生命周期 | PCN |
|---|---|---|
|
10月 3, 2024 - 24_0235 (QSOP/SSOP PKG) Migrating Bottom Trace Code Marking to Top Side Laser Marking |
||
| LTC2610CGN#PBF | 量产 | |
| LTC2610CGN#TRPBF | 量产 | |
| LTC2610IGN#PBF | 量产 | |
| LTC2610IGN#TRPBF | 量产 | |
|
10月 11, 2022 - 22_0235 Epoxy Change from Henkel 8290 to 8290A for GN Package |
||
| LTC2610CGN#PBF | 量产 | |
| LTC2610CGN#TRPBF | 量产 | |
| LTC2610IGN#PBF | 量产 | |
| LTC2610IGN#TRPBF | 量产 | |
|
4月 6, 2022 - 22_0066 Laser Top Mark for 16QSOP Assembled in ADPG [PNG] |
||
| LTC2610CGN#PBF | 量产 | |
| LTC2610CGN#TRPBF | 量产 | |
| LTC2610IGN#PBF | 量产 | |
| LTC2610IGN#TRPBF | 量产 | |
这是最新版本的数据手册
软件资源
找不到您所需的软件或驱动?
申请驱动/软件硬件生态系统
| 部分模型 | 产品周期 | 描述 |
|---|---|---|
| 接口收发器和隔离器 1 | ||
| LTM2883 | 量产 | 具可调 ±12.5V 和 5V 稳定电源的 SPI / 数字或 I2C μModule 隔离器 |
工具及仿真模型
精密DAC误差预算工具
精密DAC误差预算工具是一种Web应用程序,用于计算精密DAC信号链的直流精度。它可显示整个信号链中的静态误差状况,以快速评估设计利弊。可计算由基准电压源、运算放大器和精密DAC引起的直流误差。
打开工具最新评论
需要发起讨论吗? 没有关于 LTC2610的相关讨论?是否需要发起讨论?
在EngineerZone®上发起讨论