LTC2450-1

量产

易于使用的超纤巧型 16 位 ΔΣ ADC

产品技术资料帮助

ADI公司所提供的资料均视为准确、可靠。但本公司不为用户在应用过程中侵犯任何专利权或第三方权利承担任何责任。技术指标的修改不再另行通知。本公司既没有含蓄的允许,也不允许借用ADI公司的专利或专利权的名义。本文出现的商标和注册商标所有权分别属于相应的公司。

Viewing:

概述

  • 单端输入范围为 GND 至 VCC
  • 转换速率为每秒 60 次
  • 0.02LSB RMS 噪声
  • 16 位,无漏失码
  • 0.5mV 偏移误差
  • 4LSB 全标度误差
  • 适合于多路转换应用的单转换稳定时间
  • 具自动停机功能的单周期操作
  • 350μA 电源电流
  • 50nA 睡眠模式电流
  • 内部振荡器 ── 无需外部组件
  • 2.7V  至 5.5V  单电源工作
  • SPI  接口
  • 超纤巧型 2mm x 2mm DFN 封装

 

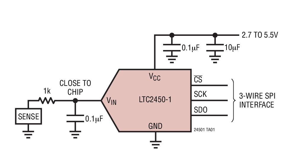
LTC®2450-1 是一款低功率、超纤巧型 16 位模数转换器,专为那些要求 16 位性能的空间受限型应用而设计。LTC2450-1 采用 2.7V 至 5.5V 单电源,接受一个单端模拟输入电压,并通过一个 SPI 接口进行通信。它包括一个集成振荡器,不需要任何外部组件。ΔΣ 型调制器转换器内核提供了适合多路转换应用的单周期稳定时间。该转换器采用 6引脚 2 mm x 2mm DFN  封装。LTC2450-1 实现了一个专有的输入采样电路,该电路可将平均输入采样电流减小几个数量级。

LTC2450-1 每秒能够执行多达 60 次转换操作,而且,由于过采样比非常大,因而具有极为宽松的抗混叠要求。该转换器将其电源电压用作基准电压,而且单端、轨至轨输入电压范围从 GND 延伸至 VCC

在执行完一次转换之后,LTC2450-1 能够自动地进入睡眠模式,并将其电流消耗降至 500nA 以下。在 1Hz 的输出频率条件下,当采用一个 2.7V 电源时,LTC2450-1 的平均功耗低于 25μW。

 


Applications

  • 系统监控
  • 环境监控
  • 直接温度测量
  • 仪表
  • 工业过程控制
  • 数据采集
  • 嵌入式 ADC 升级

 

LTC2450-1
易于使用的超纤巧型 16 位 ΔΣ ADC
Integral Nonlinearity Product Package 1
添加至 myAnalog

将产品添加到myAnalog 的现有项目或新项目中(接收通知)。

创建新项目
提问

参考资料

了解更多
添加至 myAnalog

Add media to the Resources section of myAnalog, to an existing project or to a new project.

创建新项目

软件资源

找不到您所需的软件或驱动?

申请驱动/软件

硬件生态系统

部分模型 产品周期 描述
基准电压源 1
LT6660 量产 2mm x 2mm DFN 封装的纤巧型微功率精准串联基准
监控电路和复位器IC 1
LTC2934 量产 具电源故障输出的超低功率可调监控器
接口收发器 1
LTM2883 量产 具可调 ±12.5V 和 5V 稳定电源的 SPI / 数字或 I2C μModule 隔离器
Modal heading
添加至 myAnalog

将产品添加到myAnalog 的现有项目或新项目中(接收通知)。

创建新项目

评估套件

eval board
DC1067A-B

LTC2450-1 | 16-bit 60Hz ΔΣ ADC in 2 × 2 DFN (Requires DC590B)

产品详情

DC1067A-B: Demo Board for the LTC2450-1 Easy-to-Use, Ultra-Tiny 16-Bit ΔΣ ADC.

DC1067A-B
LTC2450-1 | 16-bit 60Hz ΔΣ ADC in 2 × 2 DFN (Requires DC590B)
DC1067A-A - Schematic

最新评论

需要发起讨论吗? 没有关于 LTC2450-1的相关讨论?是否需要发起讨论?

在EngineerZone®上发起讨论

近期浏览