LTC2372-18

量产

具 100dB SNR 的 18 位、500ksps、8 通道 SAR ADC

产品技术资料帮助

ADI公司所提供的资料均视为准确、可靠。但本公司不为用户在应用过程中侵犯任何专利权或第三方权利承担任何责任。技术指标的修改不再另行通知。本公司既没有含蓄的允许,也不允许借用ADI公司的专利或专利权的名义。本文出现的商标和注册商标所有权分别属于相应的公司。

Viewing:

概述

  • 500ksps 吞吐速率
  • 18 位分辨率,无漏失码
  • 具可选输入范围的 8 通道多路复用器
    • 全差分 (±4.096V)
    • 伪差分单极 (0V 至 4.096V) 
    • 伪差分双极 (±2.048V)
  • INL:±2.75LSB (最大值)
  • SNR:在 fIN = 1kHz 时的典型值为 100dB (全差分) / 95dB (伪差分)
  • THD:在 fIN = 1kHz 时的典型值为 –110dB
  • 可编程排序器
  • 可选的数字增益压缩
  • 具有 1.8V 至 5V I/O 电压的单 5V 电源
  • SPI 兼容型串行 I/O
  • 内置 2.048V 基准和基准缓冲器
  • 无流水线延迟,无周期延迟
  • 功率耗散:27mW (典型值)
  • 保证运作至 125°C
  • 32 引脚 5mm x 5mm QFN 封装

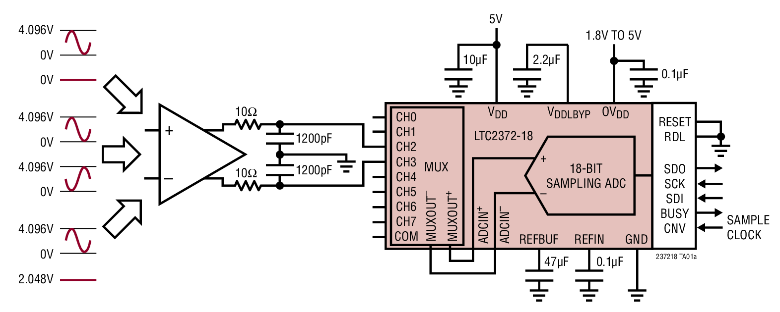
LTC®2372-18 是一款低噪声、高速、8 通道 18 位逐次逼近型寄存器 (SAR) ADC。LTC2372-18 采用单 5V 工作电源,具有一个高度可配置的低串扰 8 通道输入多路复用器,可支持全差分、伪差分单极和伪差分双极模拟输入范围。LTC2372-18 在所有输入范围内均实现了 ±2.75LSB INL (最大值)、无漏失码 (在 18 位) 和 100dB (全差分) / 95dB (伪差分) SNR (典型值)。

LTC2372-18 具有一个内置低漂移 (20ppm/°C 最大值) 2.048V 温度补偿型基准和一个可进行单触发的基准缓冲器。另外,LTC2372-18 还具有一个可支持 1.8V、2.5V、3.3V 和 5V 逻辑的高速 SPI 兼容型串行接口,通过该接口可以设置一个深度为 16 的排序器。一个内部振荡器负责设定转换时间,从而缓解了外部定时方面的考虑。LTC2372-18 的功耗仅为 27mW 并在转换操作之间自动进入打盹模式,从而减低了随采样速率而调节的功率耗散。此外,还提供了一种睡眠模式以把 LTC2372-18 的功耗降低至 300μW,旨在进一步减少待用期间的功率损耗。


Applications

  • 可编程逻辑控制器
  • 工业过程控制
  • 高速数据采集
  • 便携式或紧凑型仪表
  • ATE (自动测试设备)

LTC2372-18
具 100dB SNR 的 18 位、500ksps、8 通道 SAR ADC
Integral Nonlinearity vs Output Code Product Package 1
添加至 myAnalog

将产品添加到myAnalog 的现有项目或新项目中(接收通知)。

创建新项目
提问

参考资料

了解更多
添加至 myAnalog

Add media to the Resources section of myAnalog, to an existing project or to a new project.

创建新项目

软件资源

Evaluation Software 2

DC2071A CPLD Source Code

LinearLab Tools

A collection of Matlab and Python programs that provide direct access to Linear Technology’s data converter evaluation boards.


硬件生态系统

部分模型 产品周期 描述
差分放大器 2
LT6350 推荐用于新设计 低噪声、单端至差分转换器 / ADC 驱动器
LTC6362 最后购买期限 精准、低功率轨至轨输入 / 输出差分运算放大器 / SAR ADC 驱动器
模数转换器(ADC) 1
LTC2378-20 量产 具 0.5ppm INL 的 20 位、1Msps、低功率 SAR ADC
数模转换器(DAC) 1
LTC2756 量产 串行 18 位 SoftSpan IOUT DAC
Modal heading
添加至 myAnalog

将产品添加到myAnalog 的现有项目或新项目中(接收通知)。

创建新项目

工具及仿真模型


评估套件

eval board
DC2071A-B

LTC2372-18 Demo Board | 18-Bit, 500ksps, 8-Channel SAR ADC with 100dB SNR (Requires DC590, DC2026 or DC890)

产品详情

Demonstration circuit 2071A features the LTC2373 family. The LTC2374/LTC2373/LTC2372 are low noise, high speed, 8-channel, 16/18-bit successive approximation register (SAR) ADCs. The demo manual refers to the LTC2373-18 but applies to all parts in the family, the only differences being the number of bits and the maximum sample rate. Operating from a single 5V supply, the LTC2373-18 has a highly configurable, low crosstalk, 8-channel input multiplexer, supporting fully differential, pseudo-differential unipolar and pseudo-differential bipolar analog input ranges.

DC2071A-B
LTC2372-18 Demo Board | 18-Bit, 500ksps, 8-Channel SAR ADC with 100dB SNR (Requires DC590, DC2026 or DC890)
DC2071A - Schematic

最新评论

需要发起讨论吗? 没有关于 LTC2372-18的相关讨论?是否需要发起讨论?

在EngineerZone®上发起讨论

近期浏览