LTC2357-16

量产

具 30VP-P 共模范围的缓冲 4 通道、16 位、每通道 350ksps、差分 ±10.24V ADC

产品技术资料帮助

ADI公司所提供的资料均视为准确、可靠。但本公司不为用户在应用过程中侵犯任何专利权或第三方权利承担任何责任。技术指标的修改不再另行通知。本公司既没有含蓄的允许,也不允许借用ADI公司的专利或专利权的名义。本文出现的商标和注册商标所有权分别属于相应的公司。

Viewing:

概述

  • 4 个缓冲通道的同时采样
  • 每通道 350ksps 吞吐速率
  • 500pA / 12nA 最大输入漏电流 (在 85°C / 125°C)
  • ±1LSB INL (最大值,±10.24V 范围)
  • 保证 16 位,无漏失码
  • 差分、宽共模范围输入
  • 每个通道的 SoftSpan 输入范围:
    • ±10.24V、0V 至 10.24V, ±5.12V、0V 至 5.12V
    • ±12.5V、0V 至 12.5V, ±6.25V、0V 至 6.25V
  • 94.2dB 单转换 SNR (典型值)
  • 在 fIN = 2kHz 时 THD 的典型值为 –110dB
  • 在 fIN = 200Hz 时 CMRR 的典型值为 128dB
  • 轨至轨输入过驱动容限
  • 集成的基准和缓冲器 (4.096V)
  • SPI CMOS (1.8V 至 5V) 和 LVDS 串行 I/O
  • 内部转换时钟,无周期延迟
  • 175mW 功耗 (每通道 44mW,典型值)
  • 48 引脚 (7mm x 7mm) LQFP 封装

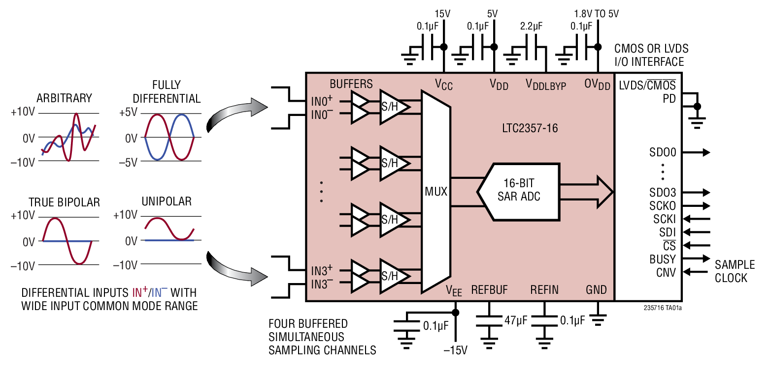
LTC2357-16 是一款 16 位、低噪声、4 通道同时采样逐次逼近型寄存器 (SAR) ADC,其具有缓冲差分、宽共模范围 pA 级输入。该 SoftSpanTM ADC 依靠一个 5V 低电压电源、灵活的高电压电源工作,并使用内部基准和缓冲器,其每个通道均可按“逐个转换”的方式进行独立配置,以接受 ±10.24V、0V 至 10.24V、±5.12V 或 0V 至 5.12V 信号。另外,还可以停用个别通道以增加其余通道的吞吐量。

LTC2357-16 的集成化 pA 级输入模拟缓冲器、宽输入共模范围和 128dB CMRR 使得该 ADC 能够直接对多种信号进行数字处理,而仅需采用极小的电路板空间和功率。这种输入信号灵活性,再加上 ±1LSB INL、无漏失码 (在 16 位) 和 94.2dB SNR,使 LTC2357-16 非常适合于许多要求宽动态范围的高电压应用。

LTC2357-16 支持引脚可选的 SPI CMOS (1.8V 至 5V) 和 LVDS 串行接口。在 CMOS 模式中可以使用 1~4 个数据输出线道,因而允许用户优化总线宽度和吞吐量。

应用

  • 可编程逻辑控制器
  • 工业过程控制
  • 电源线监察
  • 测试和测量

LTC2357-16
具 30VP-P 共模范围的缓冲 4 通道、16 位、每通道 350ksps、差分 ±10.24V ADC
LTC2357-16 Integral Nonlinearity vs Output Code and Channel Product Package 1
添加至 myAnalog

将产品添加到myAnalog 的现有项目或新项目中(接收通知)。

创建新项目
提问

参考资料

了解更多
添加至 myAnalog

Add media to the Resources section of myAnalog, to an existing project or to a new project.

创建新项目

软件资源


工具及仿真模型


评估套件

eval board
DC2365A-F

LTC2357-16演示板 | 缓冲四通道、16位、350ksps同步采样SAR ADC(需要DC590、DC2026或DC890)

产品详情

演示电路2365A突出显示了LTC2358系列缓冲输入ADC。LTC2358/LTC2357/LTC2353/LTC2333均为集成前端缓冲器的低噪声、高速、16/18位逐次逼近寄存器(SAR) ADC。这些ADC可接受宽共模范围。这些ADC具有毫伏输入和高CMRR,能够直接连接到各种传感器,而不会影响测量精度。该演示手册针对LTC2358-18,但适用于该系列中的所有器件,唯一区别在于位数、通道数和最大采样速率。LTC2358-18具有灵活的SoftSpan™接口,允许对每个通道上的输入电压范围进行转换控制。内部2.048V基准电压和2X缓冲器可简化基本操作,同时外部基准电压源可用于增加ADC的输入范围和SNR。

DC2365A-F
LTC2357-16演示板 | 缓冲四通道、16位、350ksps同步采样SAR ADC(需要DC590、DC2026或DC890)
DC2365A - Demo Board Image

最新评论

需要发起讨论吗? 没有关于 LTC2357-16的相关讨论?是否需要发起讨论?

在EngineerZone®上发起讨论

近期浏览