HMC5929

预发布

GaAs pHEMT MMIC 1 W功率放大器,40 - 43.5 GHz

Viewing:

概述

  • 饱和输出功率 :
    +30 dBm @ 15% PAE
  • 输出IP3: +36 dBm
  • 高增益: 19 dB
  • 直流电源: +6V (900 mA)
  • 无需外部匹配
  • 16引脚陶瓷6x6 mm SMT封装

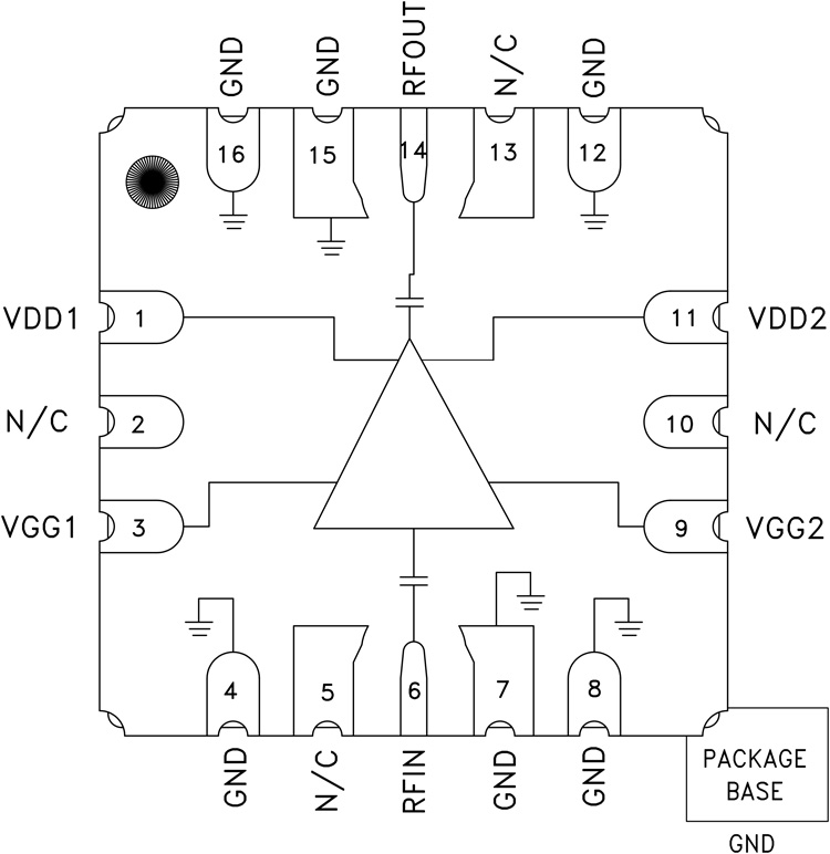
HMC5929LS6是一款4级GaAs pHEMT MMIC 1 W功率放大器,工作频率范围为40至43.5 GHz。 该放大器提供19 dB增益,+30 dBm饱和输出功率,+6V电源电压(15% PAE)。 HMC5929LS6具有出色的IP3 (+36 dBm)性能,适合要求高线性度的军事、太空以及点对点和点对多点无线电应用。 HMC5929LS6采用陶瓷空腔封装,具有低热阻,与表贴制造技术兼容。 隔直型RF I/O采用内部匹配,以便轻松集成到高级组件中。

应用

  • 点对点无线电
  • 点对多点无线电
  • VSAT 和SATCOM
  • 军事和太空

 


HMC5929

GaAs pHEMT MMIC 1 W功率放大器,40 - 43.5 GHz

hmc5929ls6_fbl
添加至 myAnalog

将产品添加到myAnalog 的现有项目或新项目中(接收通知)。

创建新项目
提问

参考资料

了解更多
添加至 myAnalog

Add media to the Resources section of myAnalog, to an existing project or to a new project.

创建新项目

软件资源

找不到您所需的软件或驱动?

申请驱动/软件

评估套件

EVAL-HMC5929LS6
HMC5929LS6评估板。

最新评论

需要发起讨论吗? 没有关于 HMC5929的相关讨论?是否需要发起讨论?

在EngineerZone®上发起讨论

近期浏览