DS5003

量产

安全微处理器芯片

可提供代码加密的8051微控制器,有效保护IP和应用软件,防止盗版和反向工程

产品技术资料帮助

ADI公司所提供的资料均视为准确、可靠。但本公司不为用户在应用过程中侵犯任何专利权或第三方权利承担任何责任。技术指标的修改不再另行通知。本公司既没有含蓄的允许,也不允许借用ADI公司的专利或专利权的名义。本文出现的商标和注册商标所有权分别属于相应的公司。

Viewing:

概述

  • 适合于安全/敏感应用的8051兼容微处理器
    • 可访问32kB、64kB或128kB非易失SRAM的程序和/或数据存储器
    • 128字节RAM
    • 128字节间接暂存器RAM
    • 通过片内串行接口在系统内编程
    • 能够在最终系统中调节自身的程序或数据存储器
  • 固件安全性
    • 存储器以密文方式存储信息
    • 加密算法采用片内64位密钥
    • 自动操作的真随机密钥生成器
    • 自毁输入(SDI)
    • 顶部敷层防止微探针探测
    • 防止存储内容被盗版
  • 防冲击工作
    • 没有电源的情况下可保护非易失资源达10年以上(室温下)
    • 电源失效复位
    • 电源失效早期告警中断
    • 看门狗定时器

DS5003安全微处理器集成了最先进的加密功能,包括一套专门设计的安全机构,能够抵御各种级别的威胁,包括监测、分析和物理攻击。这样,想要获得任何有关存储器内容的信息,都需付出极大努力。而且, DS5003所特有的“柔性”特性使用户能够频繁修改安全信息,使攻击者经过大量努力获得的任何安全信息失去价值。该器件是DS5002FP安全微处理器芯片的增强版,具有额外的暂存区RAM。

注:要了解器件的全部特性,设计人员具备以下文档。其中数据资料包含引脚说明、特性概述和电气特性。 勘误表则给出了与已发布的数据规格的不同。用户指南则给出了器件特性和工作的详细信息。

应用

  • 需要软件保护的任何应用
  • 游戏机
  • 密码键盘

DS5003
安全微处理器芯片
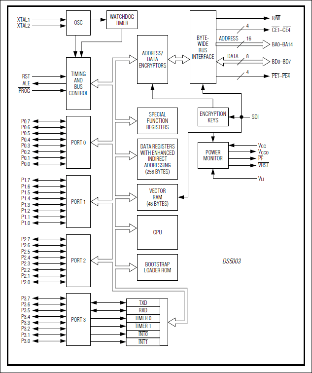
DS5003:原理框图
添加至 myAnalog

将产品添加到myAnalog 的现有项目或新项目中(接收通知)。

创建新项目
提问

参考资料

了解更多
添加至 myAnalog

Add media to the Resources section of myAnalog, to an existing project or to a new project.

创建新项目

软件资源

找不到您所需的软件或驱动?

申请驱动/软件

硬件生态系统

部分模型 产品周期 描述
数字信号处理器(DSP) 1
DS5002 量产 安全微处理器芯片
Modal heading
添加至 myAnalog

将产品添加到myAnalog 的现有项目或新项目中(接收通知)。

创建新项目

最新评论

需要发起讨论吗? 没有关于 DS5003的相关讨论?是否需要发起讨论?

在EngineerZone®上发起讨论

近期浏览