本产品实现了由HDMI.org许可的技术。客户必须为HDMI.org列出的HDMI采用者以便购买产品。

有关更多信息,请联系当地的ADI公司销售办事处

ADV7604

量产

带模拟接口的12位深色HDMI v1.3接收器

产品技术资料帮助

ADI公司所提供的资料均视为准确、可靠。但本公司不为用户在应用过程中侵犯任何专利权或第三方权利承担任何责任。技术指标的修改不再另行通知。本公司既没有含蓄的允许,也不允许借用ADI公司的专利或专利权的名义。本文出现的商标和注册商标所有权分别属于相应的公司。

Viewing:

概述

  • 4路HDMI输入
  • 支持HDMI® 1.3
    音频回传通道(ARC)
    支持3D TV
    内容类型位
    CEC 1.4兼容(CEC_CPD和CEC_HPD)
  • 支持中继器
  • 支持HDCP 1.3和 DVI 1.0
  • 3个12位、170MHz ADC
  • 12通道模拟输入多路复用
  • 可对最高UXGA的RGB图形进行数字化处理
  • 超低抖动数字PLL

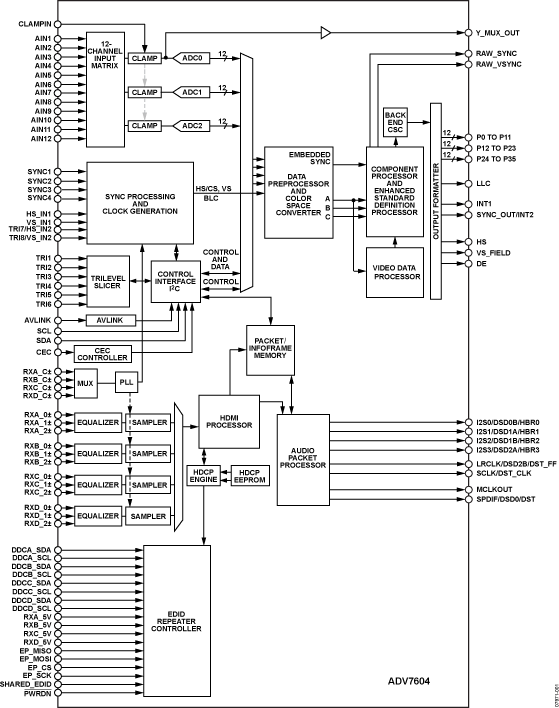
ADV7604 是一款高质量、单芯片、多格式视频解码器及图形数字化仪,并集成有4:1多路复用高清多媒体接口(HDMI™)接收器。

该器件含有一个主分量处理器(CP),可处理YPrPb和RGB分量格式,包括RGB图形。CP还处理来自HDMI接收器的视频信号。ADV7604支持四路HDMI和模拟输入模式,因而同时具有HDMI和模拟视频同步处理能力,允许HDMI与ADC之间进行快速切换。

ADV7604 支持将RGB/YPrPb分量视频信号解码为数字YCrCb或RGB像素输出流。支持的分量视频包括525i、625i、525p、625p、720p、1080i、1080p和1250i等标准,以及许多其他高清和SMPTE标准。

该器件也支持图形数字化,能够对VGA至UXGA速率的RGB图形信号进行数字化处理,将其转换为数字RGB或YCrCb像素输出流。

该器件内置一个四路输入HDMI接收器,支持最高达1080p的所有高清电视格式,显示分辨率最高可达UXGA(1600 ×1200,60 Hz)。增加HDCP功能后,还能够接收加密视频。该HDMI接收器还具有可编程/自适应均衡特性,可确保该接口在最长30米的电缆条件下具有鲁棒的工作性能。HDMI接收器具有高级音频功能,其中包括静音控制器,用于消除音频输出中的外来声频噪声。

ADV7604 采用先进的CMOS工艺制造,提供260引脚、15 mm ×15 mm BGA表贴封装,节省空间,并且符合RoHS标准;额定温度范围为−40°C至+70°C。

应用

  • 高级电视
    • 等离子高清电视
    • 液晶电视(支持高清电视)
    • 液晶/DLP®背投式高清电视
    • CRT 高清电视
    • LCoS™ 高清电视
    • AVR视频接收机
    • 液晶/DL前投式投影仪
    • 带个人录像机功能的高清电视机顶盒
    • CRT 高清电视
    • 支持逐行扫描输入的DVD刻录机

ADV7604
带模拟接口的12位深色HDMI v1.3接收器
ADV7604 Functional Block Diagram ADV7604 Pin Configuration
添加至 myAnalog

将产品添加到myAnalog 的现有项目或新项目中(接收通知)。

创建新项目
提问

参考资料

了解更多
添加至 myAnalog

Add media to the Resources section of myAnalog, to an existing project or to a new project.

创建新项目

软件资源

ADV7604 HDMI Receiver Library API Source Code for any OS\Platform (exe)


评估套件

EVAL-ADV7604

ADV7604 评估和视频输入板

产品详情

ADI公司为ATV产品系列的HDMI接收器、发送器和视频编码器开发了一款新的评估平台。完整评估平台由母板、前端视频输入板和后端视频输出板组成。新平台的作用是提供一个适用于整个ATV产品系列的通用且可重用的参考平台,从而帮助客户快速完成设计开发。这些评估板随附用于各种视频输入和标准的完整I2C编程脚本、评估板文档和入门指南。所有评估板均单独销售,以提供较大的灵活性,并且确保用户可以进行模块化评估。要获得这些评估板,必须与ADI公司签订保密(NDA)协议。

EVAL-ADV7604
ADV7604 评估和视频输入板

最新评论

需要发起讨论吗? 没有关于 ADV7604的相关讨论?是否需要发起讨论?

在EngineerZone®上发起讨论

近期浏览