ADG781
量产CMOS、低压、2.5 Ω、四通道单刀单掷开关,采用芯片级封装
- 产品模型
- 2
Viewing:
概述
- 单电源:1.8 V至5.5 V
- 导通电阻:2.5 Ω(典型值)
- 低导通电阻平坦度:0.5 Ω
- -3 dB带宽大于200 MHz
- 轨到轨工作
- 20引脚LFCSP封装
- 快速开关时间
接通时间tON :16 ns
断开时间tOFF :10 ns - 典型功耗:<0.01 μW
- TTL/CMOS兼容型
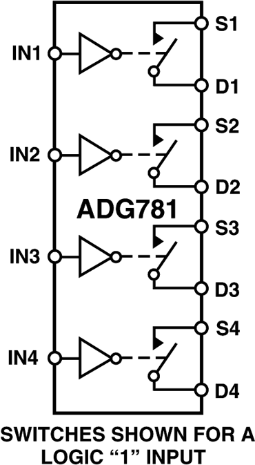
ADG781是一款单芯片CMOS器件,内置四个独立可选的开关。这些开关采用先进的亚微米工艺设计,具有低功耗、高开关速度、低导通电阻、低泄漏电流和高带宽特性。上述器件采用+1.8 V至+5.5 V单电源供电,非常适合用在电池供电仪表中,以及配合Analog Devices, Inc.(简称ADI)的新一代DAC和ADC使用。
参考资料
数据手册 1
技术文章 2
产品选型指南 1
模拟对话 1
ADI 始终高度重视提供符合最高质量和可靠性水平的产品。我们通过将质量和可靠性检查纳入产品和工艺设计的各个范围以及制造过程来实现这一目标。出货产品的“零缺陷”始终是我们的目标。查看我们的质量和可靠性计划和认证以了解更多信息。
| 产品型号 | 引脚/封装图-中文版 | 文档 | CAD 符号,脚注和 3D模型 |
|---|---|---|---|
| ADG781BCPZ | 20-Lead LFCSP (4mm x 4mm w/ EP) | ||
| ADG781BCPZ-REEL7 | 20-Lead LFCSP (4mm x 4mm w/ EP) |
| 产品型号 | 产品生命周期 | PCN |
|---|---|---|
|
3月 23, 2012 - 11_0104 Conversion of Select Sizes of LFCSP Package Outlines from Punch to Sawn and Transfer of Assembly Site to ASE-Korea. |
||
| ADG781BCPZ | 量产 | |
| ADG781BCPZ-REEL7 | 量产 | |
这是最新版本的数据手册
软件资源
找不到您所需的软件或驱动?
申请驱动/软件工具及仿真模型
LTspice
LTspice中提供以下器件型号:
- ADG781
SPICE 模型 1
LTspice®是一款强大高效的免费仿真软件、原理图采集和波形观测器,为改善模拟电路的仿真提供增强功能和模型。
最新评论
需要发起讨论吗? 没有关于 ADG781的相关讨论?是否需要发起讨论?
在EngineerZone®上发起讨论