ADG712

量产

CMOS、低压、2.5 Ω、四通道单刀单掷开关

产品技术资料帮助

ADI公司所提供的资料均视为准确、可靠。但本公司不为用户在应用过程中侵犯任何专利权或第三方权利承担任何责任。技术指标的修改不再另行通知。本公司既没有含蓄的允许,也不允许借用ADI公司的专利或专利权的名义。本文出现的商标和注册商标所有权分别属于相应的公司。

Viewing:

概述

  • 单电源:1.8 V至5.5 V
  • 导通电阻:2.5 Ω(典型值)
  • 低导通电阻平坦度
  • -3 dB带宽:> 200 MHz
  • 轨到轨工作
  • 16引脚TSSOP/SOIC封装
  • 快速开关时间
    接通时间tON: 16 ns
    断开时间tOFF :10 ns
  • 典型功耗:<0.01 μW
  • TTL/CMOS 兼容型

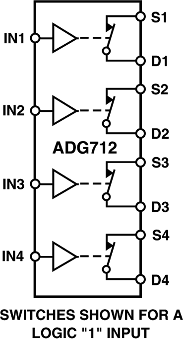
ADG712是一款单芯片CMOS器件,内置四个独立可选的开关。它采用先进的亚微米工艺设计,具有低功耗、高开关速度、低导通电阻、低泄漏电流和高带宽特性。

ADG712采用+1.8 V至+5.5 V单电源供电,非常适合用在电池供电仪表中,以及配合Analog Devices, Inc.(简称ADI)的新一代DAC和ADC使用。同时快速开关时间和高带宽使该器件适合视频信号切换应用。

接通时,各开关在两个方向的导电性能相同。ADG712提供16引脚TSSOP和16引脚SOIC两种封装。

ADG712
CMOS、低压、2.5 Ω、四通道单刀单掷开关
ADG712 Functional Block Diagram
添加至 myAnalog

将产品添加到myAnalog 的现有项目或新项目中(接收通知)。

创建新项目
提问

参考资料

了解更多
添加至 myAnalog

Add media to the Resources section of myAnalog, to an existing project or to a new project.

创建新项目

软件资源

找不到您所需的软件或驱动?

申请驱动/软件

工具及仿真模型

LTspice


LTspice中提供以下器件型号:

  • ADG712

SPICE 模型 1

LTspice

LTspice®是一款强大高效的免费仿真软件、原理图采集和波形观测器,为改善模拟电路的仿真提供增强功能和模型。


评估套件

eval board
EVAL-16TSSOP

开关/多路复用器产品系列中用于16引脚TSSOP器件的评估板

特性和优点

  • 16引脚TSSOP评估板
  • 通过箝位轻松改用主器件
  • 通过镀金引脚连接器添加无源元件
  • 用于信号输入/输出的SMB连接器
  • 板上提供额外的空间以便支持原型制作

产品详情

EVAL-16TSSOPEBZ评估板用于评估开关和多路复用器产品系列中的16引脚TSSOP器件,这些产品可单独购买。EVAL-16TSSOPEBZ采用箝位将16引脚TSSOP器件固定到评估板上,而无需焊接,因此多个器件可重复使用该板。

16引脚TSSOP器件可箝位或焊接到评估板的中心。每个器件引脚还具有相应的链路(K1至K16),并可设置为VDD或GND。焊线螺丝端子提供VDD和GND。借助板上的SMB连接器,可向器件提供额外的外部信号。此外,板顶部还留有空间以便进行原型制作。

相应的产品数据手册提供待测器件(DUT)的完整规格,使用评估板时应同时参考该用户指南与数据手册。

EVAL-16TSSOP
开关/多路复用器产品系列中用于16引脚TSSOP器件的评估板
EVAL-16TSSOPEBZ Image

最新评论

需要发起讨论吗? 没有关于 ADG712的相关讨论?是否需要发起讨论?

在EngineerZone®上发起讨论

近期浏览