ADG1613

量产

1 Ω典型导通电阻、±5 V、+12 V、+5 V和+3.3 V四路SPST开关

产品技术资料帮助

ADI公司所提供的资料均视为准确、可靠。但本公司不为用户在应用过程中侵犯任何专利权或第三方权利承担任何责任。技术指标的修改不再另行通知。本公司既没有含蓄的允许,也不允许借用ADI公司的专利或专利权的名义。本文出现的商标和注册商标所有权分别属于相应的公司。

Viewing:

概述

  • 1 Ω典型导通电阻
  • 0.2 Ω导通电阻平坦度
  • ±3.3 V至±8 V双电源供电
  • 3.3 V至16 V单电源供电
  • 无需VL电源
  • 3 V逻辑兼容输入
  • 轨到轨工作
  • 每个通道的连续电流
    LFCSP封装:280 mA
    TSSOP封装:175 mA
  • 16引脚TSSOP和16引脚、4 mm × 4 mm LFCSP封装

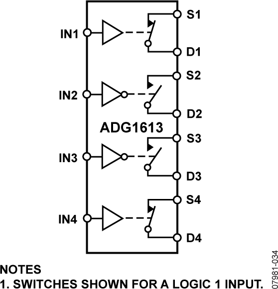
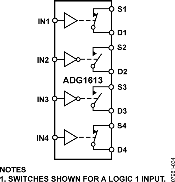
ADG1611/ADG1612/ADG1613内置四个独立的单极/单掷(SPST)开关。二者的唯一不同之处就是数字控制逻辑相反。ADG1611开关的接通条件是相关控制输入为逻辑0,而ADG1612开关则要求逻辑1。ADG1613有两个开关的数字控制逻辑与ADG1611相似,但其它两个开关的控制逻辑则相反。当接通时,各开关在两个方向的导电性能相同,输入信号范围可扩展至电源电压范围。在断开条件下,等于电源电压的信号电平被阻止。ADG1613具有先开后合式开关动作,适合多路复用器应用。设计本身具有低电荷注入特性,当开关数字输入时,可实现较小的瞬变。这些开关具有超低导通电阻特性,对于低导通电阻、低失真性能至关重要的数据采集和增益开关应用堪称理想解决方案。导通电阻曲线在整个模拟输入范围都非常平坦,可确保开关音频信号时拥有出色的线性度和低失真性能。CMOS结构确保功耗极低,因而这些开关非常适合便携式和电池供电仪表。
应用

  • 通信系统
  • 医疗系统
  • 音频信号路由
  • 视频信号路由
  • 自动测试设备
  • 数据采集系统
  • 电池供电系统
  • 采样保持系统
  • 继电器替代方案
  • ADG1613
    1 Ω典型导通电阻、±5 V、+12 V、+5 V和+3.3 V四路SPST开关
    ADG1613 Functional Block Diagram ADG1613 Pin Configuration
    添加至 myAnalog

    将产品添加到myAnalog 的现有项目或新项目中(接收通知)。

    创建新项目
    提问

    参考资料

    了解更多
    添加至 myAnalog

    Add media to the Resources section of myAnalog, to an existing project or to a new project.

    创建新项目

    软件资源

    找不到您所需的软件或驱动?

    申请驱动/软件

    工具及仿真模型


    评估套件

    eval board
    EVAL-16TSSOP

    开关/多路复用器产品系列中用于16引脚TSSOP器件的评估板

    特性和优点

    • 16引脚TSSOP评估板
    • 通过箝位轻松改用主器件
    • 通过镀金引脚连接器添加无源元件
    • 用于信号输入/输出的SMB连接器
    • 板上提供额外的空间以便支持原型制作

    产品详情

    EVAL-16TSSOPEBZ评估板用于评估开关和多路复用器产品系列中的16引脚TSSOP器件,这些产品可单独购买。EVAL-16TSSOPEBZ采用箝位将16引脚TSSOP器件固定到评估板上,而无需焊接,因此多个器件可重复使用该板。

    16引脚TSSOP器件可箝位或焊接到评估板的中心。每个器件引脚还具有相应的链路(K1至K16),并可设置为VDD或GND。焊线螺丝端子提供VDD和GND。借助板上的SMB连接器,可向器件提供额外的外部信号。此外,板顶部还留有空间以便进行原型制作。

    相应的产品数据手册提供待测器件(DUT)的完整规格,使用评估板时应同时参考该用户指南与数据手册。

    eval board
    EVAL-16LFCSP

    开关和多路复用器产品系列中用于16引脚LFCSP器件的评估板

    特性和优点

    • 16引脚、4 mm × 4 mm LFCSP评估板
    • 用于主器件、可轻松更换的翻盖式插槽
    • 通过镀金引脚连接器添加无源元件
    • 用于信号输入和输出的SMB连接器
    • 板上提供额外的空间以便支持原型制作

    产品详情

    EVAL-16LFCSPEBZ用于轻松评估开关和多路复用器产品组系列中的16引脚架构芯片级封装(LFCSP)器件,这些产品可单独购买。EVAL-16LFCSPEBZ采用翻盖式插槽将16引脚LFCSP器件固定到评估板上,无需焊接。此外,每条走线上都有三组镀金引脚连接器,以提高电路板在多次评估中的灵活性和可重用性。

    用户指南中的图1显示了EVAL-16LFCSPEBZ。16引脚LFCSP器件可插入到评估板中心的插槽中。每个器件引脚都有一个相应的三引脚接头链路(从K1到K16)。可以通过移除相应的链路将其连接到外部信号源,也可以使用该链路在VDD或GND之间进行选择。焊线螺丝端子J5提供VDD和GND。借助EVAL-16LFCSPEBZ上的超小B型(SMB)连接器,可向器件提供额外的外部信号。此外,EVAL-16LFCSPEBZ顶部还提供一个穿孔板空间和两个16引脚LFCSP焊盘(3 mm x 3 mm和2.1 mm x 2.1 mm),用于原型制作。

    相应的产品数据手册提供待测器件(DUT)的完整规格,使用EVAL-16LFCSPEBZ时必须同时参考EVAL-16LFCSPEBZ用户指南与数据手册。

    EVAL-16TSSOP
    开关/多路复用器产品系列中用于16引脚TSSOP器件的评估板
    EVAL-16TSSOPEBZ Image
    EVAL-16LFCSP
    开关和多路复用器产品系列中用于16引脚LFCSP器件的评估板
    EVAL-16LFCSPEBZ Evaluation Board EVAL-16LFCSPEBZ Evaluation Board - Top View EVAL-16LFCSPEBZ Evaluation Board - Bottom View

    最新评论

    需要发起讨论吗? 没有关于 ADG1613的相关讨论?是否需要发起讨论?

    在EngineerZone®上发起讨论

    近期浏览