ADG1312

量产

± 15 V /12 V 四通道单刀单掷常闭开关

产品技术资料帮助

ADI公司所提供的资料均视为准确、可靠。但本公司不为用户在应用过程中侵犯任何专利权或第三方权利承担任何责任。技术指标的修改不再另行通知。本公司既没有含蓄的允许,也不允许借用ADI公司的专利或专利权的名义。本文出现的商标和注册商标所有权分别属于相应的公司。

Viewing:

概述

  • 电源电压范围:33 V
  • 额定电源电压:+12 V、±15 V
  • 导通电阻:130 Ω
  • 无需 VL 电源
  • 3 V逻辑兼容输入
  • 轨到轨工作
  • 16引脚TSSOP和16引脚SOIC封装
  • 典型功耗:<0.03 μW

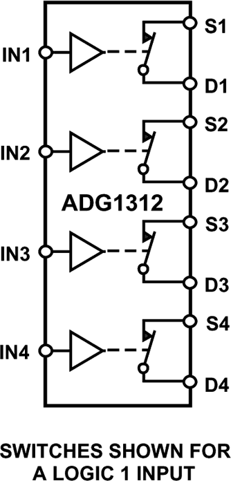
ADG1311/ADG1312/ADG1313均为单芯片CMOS器件,内置四个采用CMOS工艺设计的独立可选开关。

       

ADG1311/ADG1312/ADG1313均内置四个独立的单刀单掷(SPST)开关。ADG1311与ADG1312的不同是数字控制逻辑相反。ADG1311开关的接通条件是相关控制输入为逻辑0,而ADG1312则要求逻辑1。ADG1313有两个开关的数字控制逻辑与ADG1311相似,但其它两个开关的控制逻辑则相反。ADG1313为先开后合式开关,适合多路复用器应用。

         

当接通时,各开关在两个方向的导电性能相同,输入信号范围可扩展至电源电压范围。在断开条件下,等于电源电压的信号电平被阻止。

     应用
  • 信号切换
  • 电池供电系统
  • 通信系统
  • ADG1312
    ± 15 V /12 V 四通道单刀单掷常闭开关
    ADG1312 Functional Block Diagram
    添加至 myAnalog

    将产品添加到myAnalog 的现有项目或新项目中(接收通知)。

    创建新项目
    提问

    参考资料

    了解更多
    添加至 myAnalog

    Add media to the Resources section of myAnalog, to an existing project or to a new project.

    创建新项目

    软件资源

    找不到您所需的软件或驱动?

    申请驱动/软件

    工具及仿真模型

    LTspice


    LTspice中提供以下器件型号:

    • ADG1312

    SPICE 模型 1

    LTspice

    LTspice®是一款强大高效的免费仿真软件、原理图采集和波形观测器,为改善模拟电路的仿真提供增强功能和模型。


    评估套件

    eval board
    EVAL-16TSSOP

    开关/多路复用器产品系列中用于16引脚TSSOP器件的评估板

    特性和优点

    • 16引脚TSSOP评估板
    • 通过箝位轻松改用主器件
    • 通过镀金引脚连接器添加无源元件
    • 用于信号输入/输出的SMB连接器
    • 板上提供额外的空间以便支持原型制作

    产品详情

    EVAL-16TSSOPEBZ评估板用于评估开关和多路复用器产品系列中的16引脚TSSOP器件,这些产品可单独购买。EVAL-16TSSOPEBZ采用箝位将16引脚TSSOP器件固定到评估板上,而无需焊接,因此多个器件可重复使用该板。

    16引脚TSSOP器件可箝位或焊接到评估板的中心。每个器件引脚还具有相应的链路(K1至K16),并可设置为VDD或GND。焊线螺丝端子提供VDD和GND。借助板上的SMB连接器,可向器件提供额外的外部信号。此外,板顶部还留有空间以便进行原型制作。

    相应的产品数据手册提供待测器件(DUT)的完整规格,使用评估板时应同时参考该用户指南与数据手册。

    EVAL-16TSSOP
    开关/多路复用器产品系列中用于16引脚TSSOP器件的评估板
    EVAL-16TSSOPEBZ Image

    最新评论

    需要发起讨论吗? 没有关于 ADG1312的相关讨论?是否需要发起讨论?

    在EngineerZone®上发起讨论

    近期浏览