ADAS1000-2
ADAS1000-2
推荐用于新设计低功耗、5电极ECG模拟前端配套芯片
- 产品模型
- 4
Viewing:
概述
- 生物电信号输入;数字信号输出
- 5个采集(ECG)通道和1个驱动导联
- 多个IC并联可用于10个或更多电极的测量
- 主器件ADAS1000或ADAS1000-1与从器件ADAS1000-2一起使用
- 交流和直流导联脱落检测
- 3个导联内置起搏信号检测算法
- 支持使用者起博信号
- 胸阻抗测量(内部/外部路径)
- 可选参考导联
- 可调噪声与功耗控制,关断模式
- 低功耗
- 11 mW(1导联),15 mW(3导联),21 mW(所有电极)
- 提供导联或电极数据
- 支持AAMI EC11:1991/(R)2001/(R)2007、AAMI EC38
- R2007、EC13:2002/(R)2007、IEC60601-1 ed. 3.0 b:2005、
- IEC60601-2-25 ed. 2.0 :2011、IEC60601-2-27 ed. 2.0
- b:2005、IEC60601-2-51 ed. 1.0 b: 2005
- 快速过载恢复
- 低速或高速数据输出速率
- 串行接口:SPI/QSPI™/DSP兼容
- 56引脚LFCSP封装(9 mm × 9 mm)
- 64引脚LQFP封装(主体尺寸10 mm × 10 mm)
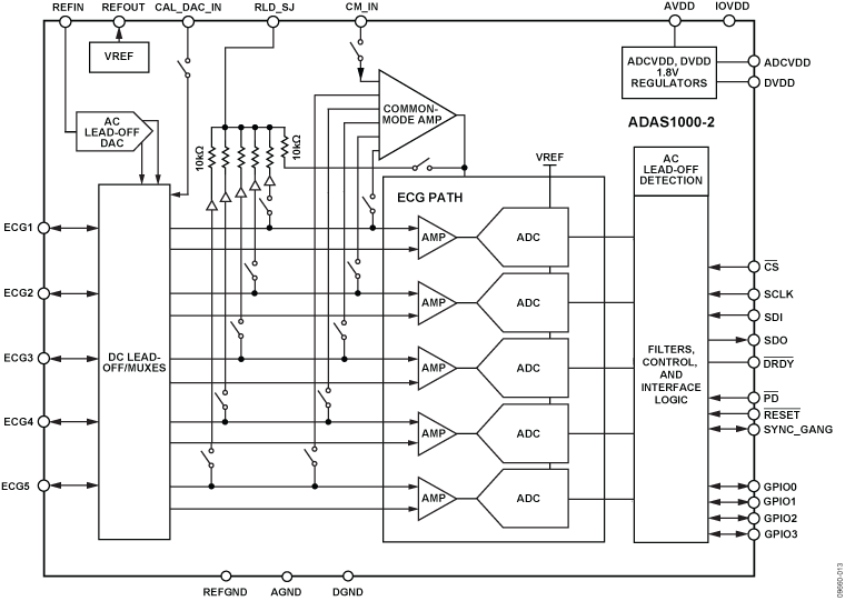
ADAS1000-2属于ECG前端ADAS1000系列。它能够测量心电图(ECG)信号和导联连接/脱落状态,并将此信息以数据帧的形式输出,以可编程数据速率提供导联/矢量或电极数据。它具有低功耗和小尺寸特性,适合电池供电的便携式应用。它还是一款高性能器件,因此适用于高端诊断设备。
该器件设计用作采用从机模式配置的配套器件,另一个ADAS1000一般配置为主机模式。
ADAS1000系列器件旨在简化采集和确保高质量ECG信号的任务。这些器件针对生物电信号应用提供了一种低功耗、小型数据采集系统。它还具有一些有助于提高ECG信号的采集质量辅助特性,包括:多通道均值受驱导联、可选的参考驱动、快速过载恢复、返回幅度和相位信息的灵活呼吸电路、在三个导联上运行的内置起搏信号检测算法,以及交流或直流导联脱落检测选项。多个数字输出选项则确保监控和分析信号的灵活性。心脏后处理是一种增值功能,可在外部DSP、微处理器或FPGA上执行。
由于ECG系统应用广泛,因此ADAS1000/ADAS1000-1/ADAS1000-2采用一种功耗/噪声调整结构,以提高功耗为代价降低噪声。为了省电,可以关闭信号采集通道,也可以降低数据速率。
为了简化制造测试、开发以及提供整体上电测试,ADAS1000-2具备许多特性,例如:通过校准DAC提供直流和交流测试激励、CRC冗余测试,以及对相关寄存器地址空间的回读功能。
输入结构为差分放大器输入,允许用户选择不同配置方案来实现较佳应用。
ADAS1000-2提供两种封装选择:56引脚LFCSP和64引脚LQFP;额定温度范围为-40°C至+85°C。
应用-
ECG:监控与诊断
- 床边病人监护
- 便携式遥测
- 动态心电监护仪
- 自动体外除颤器(AED)
- 心脏除颤器
- 便携式监护仪
- 心脏起搏器编程器
- 病人运送
- 压力测试
参考资料
器件驱动器 3
ADI 始终高度重视提供符合最高质量和可靠性水平的产品。我们通过将质量和可靠性检查纳入产品和工艺设计的各个范围以及制造过程来实现这一目标。出货产品的“零缺陷”始终是我们的目标。查看我们的质量和可靠性计划和认证以了解更多信息。
| 产品型号 | 引脚/封装图-中文版 | 文档 | CAD 符号,脚注和 3D模型 |
|---|---|---|---|
| ADAS1000-2BCPZ | 56-Lead LFCSP (9mm x 9mm x 0.85mm w/ EP) | ||
| ADAS1000-2BCPZ-RL | 56-Lead LFCSP (9mm x 9mm x 0.85mm w/ EP) | ||
| ADAS1000-2BSTZ | 64-Lead LQFP (10mm x 10mm) | ||
| ADAS1000-2BSTZ-RL | 64-Lead LQFP (10mm x 10mm) |
| 产品型号 | 产品生命周期 | PCN |
|---|---|---|
|
6月 26, 2023 - 23_0025 Package Outline Drawing and Data Sheet Revision for Select LFCSP Products in Amkor |
||
| ADAS1000-2BCPZ | ||
| ADAS1000-2BCPZ-RL | ||
|
10月 13, 2016 - 15_0027 Assembly Transfer of Large Body Punched LFCSP Products to Amkor Philippines |
||
| ADAS1000-2BCPZ | ||
| ADAS1000-2BCPZ-RL | ||
|
12月 2, 2013 - 13_0288 ADAS1000 Die Revision and Datasheet Change |
||
| ADAS1000-2BCPZ | ||
| ADAS1000-2BSTZ | ||
|
12月 7, 2016 - 16_0033 Assembly Relocation to Stats ChipPAC Jiangyin and Test Transfer to Stats ChipPAC Singapore of Select QFP Products |
||
| ADAS1000-2BSTZ | ||
| ADAS1000-2BSTZ-RL | ||
这是最新版本的数据手册
软件资源
器件驱动器 3
Evaluation Software 0
工具及仿真模型
ADAS1000 + BF527 Visual DSP
打开工具
评估套件
最新评论
需要发起讨论吗? 没有关于 ADAS1000-2的相关讨论?是否需要发起讨论?
在EngineerZone®上发起讨论