71M6534

过期

电表IC

业内集成度最高的SoC产品线,提供最高精度指标

产品技术资料帮助

ADI公司所提供的资料均视为准确、可靠。但本公司不为用户在应用过程中侵犯任何专利权或第三方权利承担任何责任。技术指标的修改不再另行通知。本公司既没有含蓄的允许,也不允许借用ADI公司的专利或专利权的名义。本文出现的商标和注册商标所有权分别属于相应的公司。

Viewing:

概述

  • 在2000:1电流量程的精度
    • < 0.5% (71M6533/71M6534)
    • < 0.1% (71M6533H)
  • 7路传感器输入支持可选择的零相电流测量
  • 3路电压和4路差分电流输入(71M6534/H)
  • 128KB (71M6533/H、71M6534)或256KB (71M6534H)闪存存储器,4KB RAM
  • LCD驱动器:4路公共段驱动器,多达57个可选段
  • 6个专用I/O以及33个多功能数字I/O引脚(71M6533)
  • 5个专用I/O引脚:4个数字I/O和一个按键(71M6534)
  • 20个专用LCD段驱动器(71M6534)
  • 46个多功能LCD/数字I/O引脚(71M6534)
  • 优于IEC 62053/ANSI C12.20标准
  • 100引脚LQFP无铅封装(71M6533/H)
  • 120引脚LQFP无铅封装(71M6534/H)

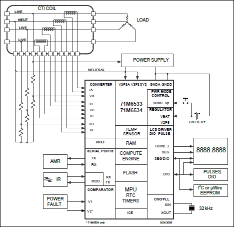
71M6533和71M6534是Teridian的第三代多相表SoC,带有10MHz 8051兼容MPU内核、低功耗RTC、闪存以及LCD驱动器。我们的一次变换技术(Single Converter Technology®)以及22位Σ-Δ ADC、七路模拟输入、数字温度补偿、精密电压基准、32位计算引擎(CE),只需少数低成本外部元件即可支持各种电表应用。

与Teridian的旗舰产品71M6513多相表相比,71M6533和71M6534增添了几项新的功能,包括:高级电源管理(休眠电流< 1µA)、4KB公用RAM以及128KB (71M6533/H、71M6534)或256KB (71M6534H)闪存,在电表工作期间可利用新的代码/数据对其进行现场编程。更高的处理/采样速度以及更大的存储容量为商业电表和工业电表提供了强有力的计量平台,能够满足0.2级精度要求。

完善的ICE阵列以及开发工具、程序库、参考设计有助于加快电表的开发和认证进程,满足全球范围的ANSI以及IEC电表标准。

应用

  • 工业、商业和电网表计:0.5%精度

71M6534
电表IC
71M6533, 71M6533G, 71M6533H, 71M6534, 71M6534H: Functional Diagram
添加至 myAnalog

将产品添加到myAnalog 的现有项目或新项目中(接收通知)。

创建新项目
提问

参考资料

了解更多
添加至 myAnalog

Add media to the Resources section of myAnalog, to an existing project or to a new project.

创建新项目

评估套件

71M6534H-DB

71M6534H演示板

特性和优点

演示套件包括:
  • D6534T14A2演示板:带有预装程序的71M6534H IC
  • 调试板
  • 两个5V直流/1000mA通用墙上适配器,带有2.5mm插头(兼容于Switchcraft 712A)
  • 串行电缆、DB9、公/母接头、2m电缆(Digi-Key AE1020-ND)
  • CD-ROM包括相关文档(数据资料、电路板原理图、BOM表、布局)、演示代码(源程序和执行文件)以及使用说明

产品详情

TERIDIAN Semiconductor Corporation (TSC)的71M6534H演示板用于评估71M6534H器件在3相电表中的应用。该演示板安装了71M6534或71M6534H集成电路和外围电路,包括:串行EEPROM、仿真端口以及板上电源和调试板,可以通过RS232口连接PC。该演示板用于评估71M6534或71M6534H电表芯片的测量精度以及整个系统的应用。

该演示板在71M6534/6534H IC闪存存储器中预先安装了演示程序。该嵌入式应用程序能够演示所有底层功能,可直接控制外围电路、闪存编程以及CPU (时钟、定时、节能等)工作模式。

演示板上的71M6534/6534H IC采用默认的校准因子进行了预编程。

应用

  • 工业、商业和电网表计:0.5%精度

71M6533-DB

71M6533和71M6533H演示板

特性和优点

演示套件包括:
  • 71M6533演示板:带有预装程序的71M6533F IC
  • USB至串口适配器
  • 5V直流/1000mA通用墙上适配器,带有2.5mm插头(兼容于Switchcraft 712A)
  • USB电缆

产品详情

Teridian™的71M6533演示板用于评估71M6533器件在3相电表中的应用。该演示板安装了71M6533集成电路和外围电路,包括:串行EEPROM、仿真端口和板上电源,USB至串口适配器允许通过USB端口连接PC。该演示板用于评估71M6533电表芯片的测量精度以及整个系统的应用。

该演示板在71M6533 IC闪存存储器中预先安装了演示程序。该嵌入式应用程序能够演示所有底层功能,可直接控制外围电路、闪存编程以及CPU (时钟、定时、节能等)工作模式。

演示板上的71M6533 IC采用默认的校准因子进行了预编程。由于演示板没有包含检流电路,演示板在工厂测试时没有进行校准。

应用

  • 工业、商业和电网表计:0.5%精度

80515-FPBM-TFP2

TFP2闪存编程器演示板

特性和优点

  • TFP2模型闪存编程器
  • 5V直流/1000mA通用墙上变压器(具有2.5mm插头)
  • 提供串行电缆、DB9、公/母头、直连电缆、长度为2m
  • ATE电缆固定和压接头
  • 目标LS电缆固定和压接头
  • CHKSUM.EXE用户磁盘
  • TFP2模型用户手册
  • TFP2快速入门指南

产品详情

TSC闪存编程器模型TFP2为Teridian嵌入式控制器提供了一个单机运行闪存编程工具。只需少数辅助设备,TFP2即可在生产环境下实现闪存编程。一旦TFP2完成目标程序初始化,目标闪存可以通过按键操作手动控制编程,或由工厂自动控制计算机(ATE)进行编程。

应用

  • 音频/视频
  • 数字STB、PVR和集成DTV的授权接入和付费点播
  • 支付电话
  • POS终端
  • 无线设备(WiMAX、GSM、GPRS)的SIM卡读卡器
  • 销售机和检票机

71M6534H-DB
71M6534H演示板
71M6533-DB
71M6533和71M6533H演示板
80515-FPBM-TFP2
TFP2闪存编程器演示板

最新评论

需要发起讨论吗? 没有关于 71M6534的相关讨论?是否需要发起讨论?

在EngineerZone®上发起讨论

近期浏览