概览
产品详情
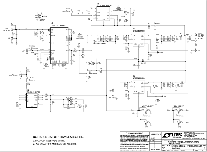
DC2132A是一款24V 3A恒压、恒流台式电源。它可以调节0V至24V的任何输出电压以及0A至3A的任何输出电流。其输入范围为10V至40V,而输出电压可保持低于输入电压5V以上。
文档
-
DC2132A - Schematic2014/5/22PDF91K
-
DC2132A - Demo Manual2014/5/22PDF546K
-
DC2132A - Design Files2014/5/22ZIP3M



