简介
数据采集系统(DAQ)在许多行业应用广泛,例如研究、分析、设计验证、制造和测试等。这些系统与各种传感器接口,从而给前端设计带来挑战。必须考虑不同传感器的灵敏度,例如,系统可能需要连接最大输出为10 mV和灵敏度为微伏以下的负载传感器,同时还要连接针对10 V输出而预调理的传感器。只有一个增益时,系统需要具有非常高的分辨率来检测两个输入。即便如此,在最低输入时信噪比(SNR)也会受影响。
在这些应用中,可编程增益仪表放大器(PGIA)是适合前端的解决方案,可适应各种传感器接口的灵敏度,同时优化SNR。集成PGIA可实现良好的直流和交流规格。本文讨论各种集成PGIA及其优势。文中还会讨论相关限制,以及为满足特定要求而构建分立PGIA时应遵循的指导原则。
集成PGIA
ADI公司的产品系列中有许多集成PGIA。集成PGIA具有设计时间更短、尺寸更小的优势。数字可调增益通过内部精密电阻阵列实现。为了优化增益、CMRR和失调,可以对这些电阻阵列进行片内调整,从而获得良好的整体直流性能。还可以运用设计技巧来实现紧凑的IC布局,使寄生效应最小,并提供出色的匹配,产生良好的交流性能。由于这些优点,如果有符合设计要求的PGIA,强烈建议选择这样的器件。表1列出了可用的集成PGIA以及一些关键规格。
| AD825x | AD8231 | LTC6915 | |
| 增益设置 | 1, 2, 5, 10 (AD8250) 1, 2, 4, 8 (AD8251) 1, 10, 100, 1000 (AD8253) | 1到128,步长为6 dB | 1到4096,步长为6 dB |
| CMRR (G = 1) | 80 dB | 80 dB | 125 dB |
| 增益漂移 | 10 ppm/°C | 10 ppm/°C | |
| 静态电流 | 4.5 mA | 4 mA | 2 mA |
| 带宽 | 10 MHz | 2.7 MHz | 200 kHz |
| 建立时间 | 0.78 µs | 4 µs | |
| 失调电压(G=1) | 1.05 mV | 45 µV | 10 µV> |
| 失调电压漂移 | 6.2 µV/°C | 50 nV/°C | 50 nV/°C |
| 输入偏置电流 | 50 nA | 500 pA | 10 nA |
| 噪声 (G=1) | 45 nV/√Hz | 66 nV/√Hz | 2.5 μV峰峰(0.1 Hz至10 Hz) |
| 增益非线性 | 6 ppm | 3 ppm | 15 ppm |
| 轨到轨输入 | 否(–Vs+1)至(+Vs–1.5) | 是(超出供电轨0.2 V) | 是 |
PGIA的选择取决于应用。AD825x由于具有快速建立时间和高压摆率,在多路复用系统中非常有用。 AD8231 和 LTC6915采用零漂移架构,适用于需要在很宽温度范围内提供精度性能的系统。
还有许多器件集成多路复用器、PGIA和ADC以形成完整的DAQ解决方案。实例有 ADAS3022, ADAS3023 和 AD7124-8.
| ADAS3022 | ADAS3023 | AD7124-8 | |
| 描述 | 16位、1 MSPS、8通道DAQ系统 | 16位、8通道同步采样DAQ系统 | 集成PGA和基准电压源的8通道、低噪声、低功耗24位Σ-Δ型ADC |
| 增益设置 | 0.16, 0.2, 0.4, 0.8, 1.6, 3.2, 6.4 | 0.2, 0.4, 0.8, 1.6 | 1到128,步长为6 dB |
| CMRR (G=1) | 90 dB | 95 dB | 85 dB |
| 增益漂移 | 0.1 ppm/°C | 1 ppm/°C | 2 ppm/°C |
| 功耗(最大增益) 转换速率(最大通道数) |
12 mA 125 kSPS |
10.5 mA 125 kSPS |
1.2 mA 19.2 kSPS (full power) |
这些解决方案的选择主要取决于输入信号源的规格。AD7124-8针对需要极高精度的慢速应用而设计,例如温度和压力测量。ADAS3022和ADAS3023适用于相对较高带宽的应用,例如过程控制或电力线监控,但其功耗高于AD7124-8。
实现分立PGIA
一些系统可能有一两个规格是上述集成器件无法满足的。通常,若存在以下要求,则用户需要利用分立器件构建自己的PGIA:
- 需要更高带宽的多路复用系统,扫描速率非常高
- 超低功耗
- 系统需要定制的增益或衰减
- 高阻抗传感器的低输入偏置电流
- 极低噪声
设计分立PGIA常用的方法之一是使用具有所需输入特性的仪表放大器,例如低噪声AD8421,并搭配一个多路复用器来切换增益电阻以改变增益。

在这种配置中,多路复用器的导通电阻实际上与增益电阻串联。该导通电阻随漏极上的电压而改变,这就带来一个问题。图2取自 ADG1208 数据手册,展示了这种关系。

导通电阻和增益电阻的串联组合导致增益出现非线性误差。这意味着增益将随共模电压而变化,这是很不好的。例如,AD8421需要1.1 kΩ的增益电阻以获得10倍增益。对于ADG1208,当源极或漏极电压改变±15 V时,导通电阻变化幅度高达40 Ω,由此产生的增益非线性误差约为3%。若增益更大,该误差将变得更加明显,导通电阻甚至可能变得与增益电阻相当。
或者,可以使用低导通电阻的多路复用器来降低这种影响,但相应的代价是输入电容会更高。表3通过比较ADG1208和ADG1408说明了这一点。
| ADG1208 | ADG1408 | |
| 导通电阻(典型值) | 120 Ω | 4 Ω |
| 漏极和源极电容(典型值) | 7 pF | 135 pF |
开关的输入电容会导致图1所示配置产生另一个问题,因为任何给定三引脚运放仪表放大器上的RG引脚都对电容非常敏感。开关电容可能导致该电路出现峰化或不稳定。更大的问题是RG引脚上的电容不平衡导致交流共模抑制比(CMRR)降低,而CMRR是仪表放大器的一项关键规格。图3中的仿真图显示了AD8421的增益引脚上使用不同多路复用器时CMRR的降低情况。该图清楚地表明,随着电容的增加,CMRR降幅更大。

为了减小交流CMRR降幅,最好的解决方案是确保RG引脚具有相同的阻抗。这可以通过平衡电阻并将开关元件放置在两个电阻之间来实现,如图4所示。在这种情况下,由于开关两端固有的电容不平衡,多路复用器不起作用。此外,由于多路复用器的漏极短接在一起,RG引脚的一侧只能使用一个电阻,这仍然会导致不平衡。

在这种情况下,建议使用四通道SPST开关,例如 ADG5412F 。除了开关支持灵活地使用平衡电阻之外,漏极和源极的电容也是平衡的,CMRR降幅因此减小。图5比较了AD8421的增益引脚上使用多路复用器与使用四通道SPST开关两种情况下的交流CMRR。

ADG5412F还具有低导通电阻特性,其在漏极或源极电压范围内非常平坦,如图6所示。在漏极或源极电压范围内,其额定最大值为1.1 Ω。回到最初的例子,AD8421的增益为10,增益电阻为1.1 kΩ,开关只会引入0.1%的增益非线性。尽管如此,仍有一个漂移分量,其在更高增益时会更加明显。

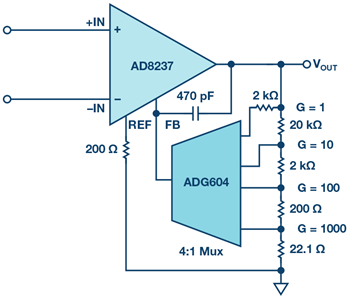
为了消除开关的寄生电阻效应,可以使用不同架构的仪表放大器来实现任意增益。 AD8420 和 AD8237 采用间接电流反馈(ICF)架构,是要求低功耗和低带宽的应用的出色选择。在这种配置中,开关置于高阻抗检测路径中,因此增益不受开关导通电阻变化的影响。

这些放大器的增益是通过外部电阻的比率来设置的,设置方式与同相放大器相同。这就为用户提供了更大的灵活性,因为增益设置电阻可以根据设计要求来选择。标准薄膜或金属膜电阻的温度系数可低至15 ppm/°C,相应的增益漂移要比使用单个外部电阻设置增益的标准仪表放大器更好,后者的片内和外部电阻之间的不匹配通常会将增益漂移限制在50 ppm/°C左右。为获得优质增益误差和漂移性能,可以使用电阻网络进行容差和温度系数跟踪。不过,这要以牺牲成本为代价,因此除非确有需要,否则应优先选择分立电阻。
另一种解决方案,也是提供较大灵活性的解决方案,是采用分立元件的三运放仪表放大器架构,如图8所示,通过多路复用器切换增益电阻。与仪表放大器相比,运算放大器可供选择的范围要大得多,因此设计人员有更多选择,这使他们能够围绕特定设计要求进行设计。滤波等特殊功能也可以内建于第一级中。第二级的差动放大器完善了这种架构。

输入放大器的选择直接取决于DAQ要求。例如,低功耗设计需要使用低静态电流的放大器,而预期输入端会有高阻抗传感器的系统可以利用超低偏置电流的放大器来较大限度地减少误差。应使用双放大器以更好地跟踪温度。
可以注意到,当使用图8所示配置时,开关的导通电阻也与放大器的高阻抗输入串联,因此它不会影响增益。回顾导通电阻与开关输入电容之间的权衡,由于对导通电阻的限制不复存在,所以设计可以选择低输入电容开关,例如 ADG1209。这样,不稳定性和交流CMRR降低得以避免。
与之前的设计一样,增益精度和漂移将由电阻决定。可以选择具有适当容差和漂移,符合应用设计要求的分立电阻。同样,使用电阻网络可以实现更高的精度、更好的容差和温度跟踪,不过成本会增加。
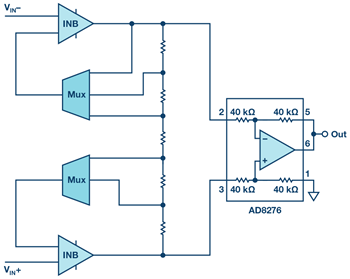
三运放仪表放大器的第二级负责抑制共模电压。此级建议使用集成电阻网络的差动放大器,以确保CMRR最佳。对于单端输出和相对低带宽的应用, AD8276 是一个不错的选择。如果需要差分输出和更高带宽,可以使用 AD8476。第二级的另一个选择是使用。第二级的另一个选择是使用 LT5400作为标准放大器周围的增益设置电阻。这可能会占用更多 的电路板空间,但另一方面又给放大器的选择提供了更大的灵活性,用户可以围绕特定设计要求进行更多设计。
应当注意的是,分立PGIA的布局需要小心。电路板布局的任何不平衡都会导致CMRR随频率而降低。
下表总结了每种方法的优缺点:
| 方法 | 有点 | 弱点 |
| 集成PGIA |
|
|
| 平衡配置(仪表放大器和开关) |
|
|
| 间接电流反馈,使用多路复用器 |
|
|
| ADA4077和箝位OVP |
|
|
分立PGIA设计示例
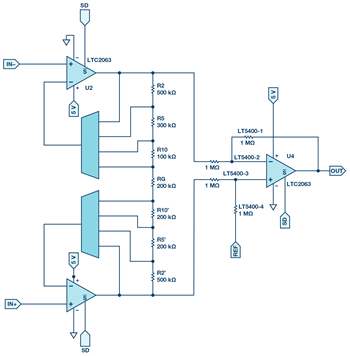
图9给出了一个针对特定设计规格而构建的分立PGIA示例。在这种设计中,所构建的PGIA应具有非常低的功耗。输入缓冲器选择LTC2063,其电源电流很低,最大值为2 μA。开关元件选择 ADG659, 其电源电流很低,最大值为1 μA,输入电容也很低。
选择电路中的无源元件时也需要注意,须满足低功耗要求。无源器件选择不当会导致电流消耗增大,抵消使用低功耗元件的作用。在这种情况下,增益电阻需要足够大,以免消耗太多电流。所选电阻值(用来提供1、2、5和10的增益)如图9所示。

对于第二级差动放大器,LTC2063与LT5400四通道匹配电阻网络(1 MΩ选项)一起使用。这确保了电流消耗最低,并且电阻的精确匹配保护了CMRR性能。
该电路采用5 V电源供电,并使用不同的共模电压、差分输入电压和增益进行了评估。在基准电压和输入保持在中间电源电压的最佳条件下,电路仅消耗4.8 μA的电流。
差分输入变化时预计电流会有一定的增加,原因是电流会流过增益电阻,电流值等于|VOUT – VREF|/(2 MΩ||1 MΩ)。下面的图10显示了不同增益下消耗的电流。由于增益原因,数据是相对于输出端测量。

将不同共模电压施加于输入时,电流预计也会增加。施加的电压将导致电流流过第二级中的电阻,引起额外的电流消耗,其值等于|VCM – VREF|/1 MΩ。LT5400选择1 MΩ电阻就是专门为了尽量减小这种电流。下面的图11显示了共模电压对不同增益下的电流消耗的影响:

还测量了关断模式下电路的静态电流。当所有器件关断时,电路仅消耗180 nA的电流。这不会变化,即使共模电压、基准电压和差分输入等变量发生变化,只要它们都保持在电源范围内即可。所有器件都有关断选项,以防需要进一步节省功耗以及用户希望断电再重启。在便携式电池供电的应用中,该电路非常有用;若非如此,利用集成PGIA是无法实现关键规格的。
结论
可编程增益仪表放大器是数据采集领域的关键器件,即使配合不同灵敏度的传感器使用,也能实现良好的SNR性能。使用集成PGIA可缩短设计时间,提高前端的整体直流和交流性能。如果有符合要求的集成PGIA,设计中一般应优先使用这样的器件。但是,当系统要求的规格无法通过现有集成器件实现时,可以设计一个分立PGIA。通过遵循正确的设计建议,即使采用分立方法也可以实现最优设计,并且可以评估各种实施方法以确定具体应用的优质配置。
致谢
作者感谢Scott Hunt和Paul Blanchard对本文的技术贡献。
