
超声解决方案
医学超声成像方式使用高频机械声波来观察身体内部。超声成像是一种非电离的实时成像方式,可以帮助临床医生获取身体器官的解剖学和生理学信息。
超声系统通常使用高通道数电子器件来发射和接收超声信号。发射电路通常生成高压信号,而接收电路通常检测高动态范围的低压信号。
ADI公司拥有全面的发射、接收、电源和时钟元件产品组合,支持高性能、紧凑和低成本的超声设计。
价值和优势
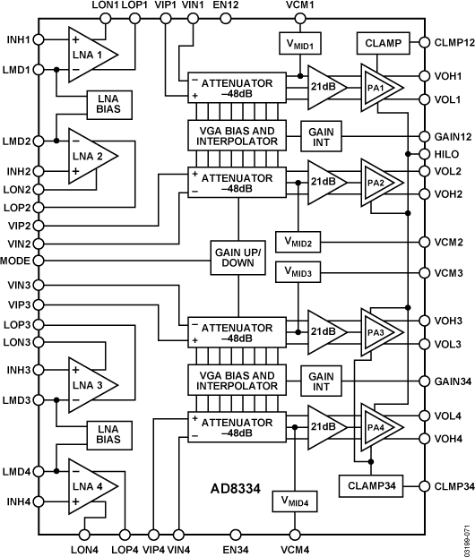
我们提供完整的超声系统电路产品组合。对于发射电路,我们拥有高通道数、高压(HV) 3级和5级脉冲发生器,集成了发射波束成形和发射/接收开关。高性能任意波形发生器DAC和高压放大器解决方案可用于高端超声系统。对于接收路径,我们提供优质的高通道数模拟前端(AFE)产品。这些AFE包含低噪声放大器(LNA)、线性dB可变增益放大器(VGA)、高动态范围ADC、每通道数字处理以及LVDS或JESD接口。除了发射和接收电路之外,我们还拥有大量出色的超低噪声电源管理芯片和超低抖动时钟解决方案。
提供一整套高性能发射、接收、电源和时钟解决方案
保证经典超声和高级影像模式的高性能
为紧凑型系统和数字探头提供高度集成的超声收发器
产品特性








互动式信号链

开发人员工具和资源
设计工具
仿真模型
培训与支持
培训与教程
文件和下载
CN-0407:超高灵敏度飞安测量平台
548.59 K
ADA4177系列 鲁棒的精密运算放大器: 单通道/双通道/四通道版本
1.91 M
MT-230:噪声在高速转换器信号链中的考 虑因素
443.89 K
ADGS1612: SPI Interface, 1 Ω RON, ±5 V, 12 V, 5 V, 3.3 V, Mux Configurable, Quad SPST Switch Data Sheet
373.21 K
CN-0370:16位单电源LED电流驱动器,积分和差分非线性误差小于±1 LSB
578.58 K
Understanding Silent Switcher Technology: High Efficiency, Low EMI eBook
7.75 M
精密产品与信号链解决方案:选型指南2019
13.38 M
{{modalTitle}}
{{modalDescription}}
{{dropdownTitle}}
- {{defaultSelectedText}} {{#each projectNames}}
- {{name}} {{/each}} {{#if newProjectText}}
-
{{newProjectText}}
{{/if}}
{{newProjectTitle}}
{{projectNameErrorText}}