banner background image

ユニバーサル入出力モジュール

カスタマイズされた製品への需要が高まるにつれて、柔軟性、そして製造設備を転換できることがますます重要になってきています。ソフトウェアI/O(SWIO)技術は、あらゆる産業用I/O機能をどんなピンからでもアクセスできるようにして、チャンネルをいつでも設定可能にすることで、これまでにないレベルの柔軟性を提供します。そのため、設置時にカスタマイズを実施でき、結果として市場に投入するまでの時間の短縮、設計リソース条件の減少につながり、様々なプロジェクトやお客様に広く実施可能なユニバーサル製品を実現できます。アナログ・デバイセズは、プロセス制御の産業用I/O分野で深い専門知識を持ち、SWIOコンセプトのパイオニアとして業界パートナーと協力し、今日の産業市場で見られる所有コストの要求を満たす、柔軟性の高い価値ある技術を提供してきました。

 

価値と利点

イーサネットとエッジ間接続の産業向け展開に伴い、SWIO対応のフィールド・ジャンクション・ボックスは、10Mbシングル・ペア・イーサネット規格と従来の4mA~20mA/0V~5V規格の間をつなぐ理想的な境界点となります。更に、SWIOソリューションを導入することで、少数のフレキシブルな設計に集中することができるため、スケール・メリットを享受し、ロジスティクスのオーバーヘッドを削減できます。設計時間が短縮され、設置の複雑さが軽減されるため、設備投資も削減されます。

thumbsupImg Benefits

10BASE-T1Lへの移行の橋渡し

thumbsupImg Benefits

ロジスティクスのオーバーヘッドを削減

thumbsupImg Benefits

設計時間の短縮と設備投資の削減

注目製品

buy sample product image
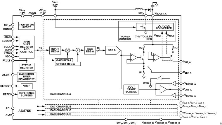
AD5755-1
D/Aコンバータ、16ビット、4-20mA&電圧出力、クワッド・チャンネル、シリアル入力、ダイナミック・パワー制御、HART信号の接続機能
buy sample product image
ADP1032
7つのデジタル・アイソレータを備えた、2チャンネル絶縁型マイクロパワー・マネージメント・ユニット
buy sample product image
ADUM141D

堅牢な、クワッド・チャンネル・アイソレータ、入力ディスエーブルおよび1つの逆方向チャンネル内蔵

buy sample product image
AD5755
D/Aコンバータ、16ビット、4mA~20mA&電圧出力、クワッド・チャンネル、シリアル入力、ダイナミック・パワー制御
buy sample product image
AD5758
HART 接続、ダイナミック消費電力制御付きのシングル・チャンネル、16 ビット電流および電圧出力 DAC

さらに表示

Arrow image

評価用ボード

buy sample product image
AD-SWIOT1L-SL
ソフトウェアによって設定可能なアナログ/デジタル入出力と10BASE-T1Lに対応した評価および開発プラットフォーム

さらに表示

Arrow image
carousel title icon
Training and Support

Trainings and Tutorials

Title
Subtitle
さらに詳しく
myAnalogに追加

myAnalog のリソース セクション、既存のプロジェクト、または新しいプロジェクトに記事を追加します。

新規プロジェクトを作成

ADIサポート

どのようなことにお困りですか。アナログ・デバイセズのナレッジ・ベースから、よくある質問の答えを見ることができます。

button icon

ヘルプ