航空宇宙および防衛分野のワイヤレス・リンク
防衛分野における情報およびモニタリングの需要増大に伴い、ワイヤレス技術の有用性とニーズはかつてなく高まっています。ワイヤレス・システムは、航空宇宙・防衛産業の広範な分野に展開され、兵士用個人装備、無人システムの制御、システム・レベルの健全性、バイタル・サイン・モニタリングをはじめとするさまざまなアプリケーションをサポートしています。
防衛分野では、兵士へのデータ・フローを増大する必要性が広く検討されてきました。一方、ワイヤレス通信は、さらに広い範囲にわたって次世代システムとその開発のダイナミクスを変えつつあります。データ・フローとモニタリングの増大は、ワイヤレス革命とモノのインターネット(IoT)の拡大(商業分野や工業分野では、この 2 つの言葉は同義語として捉えられています)と同様、航空宇宙・防衛市場に大きな影響を与えています。
この十年間に、防衛用通信システムでは新たな波形と広帯域信号によるアップグレードが繰り返し実施されており、より多くのデータを兵士に提供できるようになっています。現在、AD9361 などのトランシーバーを使用する戦術無線では、ソフトウェア無線(SDR)アーキテクチャをフルに利用することで、異なる通信規格とプロトコルを、必要に応じて現場でリアルタイムに変換することが可能になっています。
データ・リンクが広帯域化することで、兵士へのデータ送信が可能になるだけでなく、兵士からのデータ送信も可能になります。これらのデータの例としてはライブ・ビデオ・フィードや装備管理情報などがありますが、将来的には、ヘルス・モニタリングや慣性航法情報などの機能も含まれることになるでしょう。現代および次世代の兵士による使用が予想されるシステムの一部を、図1 に示します。

図1. 兵士用個人装備
センサーの集積化レベルが向上してサイズ、重量、消費電力(Size, Weight and Power: SWaP) が減少するにつれ、より多くのセンサーを兵士用個人装備に組み込み、上記のような 機能を実現できるようになると予想されます。数多くのセンサーや生成データ量に対処するには、ワイヤレス接続を使用する必要があり、さらに、戦術無線によって司令部へ中継される前にデータを集約する短距離データ・リンクを必要とします。こうすることで、兵士をモニタして、命令系統を介してより適切に支援できるようになります。
特に、無人の車両や航空機(UAV)の使用は、ワイヤレス・データへのニーズをさらに促進し、より多くの周波数帯を使用することになります。今日、防衛分野では、Northrop Grumman 社の Global Hawk のような大型プラットフォームから、AeroVironment 社の Raven のような各種プラットフォーム・システムまで、広範な UAV が広く配備されています。ワイヤレス・ネットワークと衛星通信リンクが、これらの UAV や波形を実現するための第一条件であることは明らかです。そのために、SUAS DDL(Small Unmanned Airborne Systems Digital Data Link)波形を含め、特にこれらのシステムを対象とした規格が開発されてきました。このような波形は、小型 UAV の制御を可能にするだけでなく、より重要な機能として、UAV 上のセンサー・ネットワークからのデータ・フィードやビデオ・フィードをコントローラへ送信することも可能にします。こうしたネットワークにより、戦地にてはるかに柔軟で効果的な情報収集が可能になります。しかし、これらのプラットフォームが使用できる電力は限られており、多くのシステムが同じ周波数帯で動作することが求められるので、使用できる帯域幅も制限されています。このことが、通信リンクに使用するトランシーバーへの要求を厳しいものにしています。
この分野をリードしてきたのは防衛産業ですが、UAV システムに関しては、民間分野の多くのシステムやオペレータが将来的な UAV 技術の導入を目指していることが広く伝えられており、中でも Amazon や Google などの企業は、そのシステムを開発していると報道されています。このような商業活動にも、ワイヤレスの安全なデータ・リンクが必要です。この市場分野が拡大するにつれて、割当て周波数に関する要求は厳しさを増し続けており、より高度な機能を備えた通信トランシーバーへのニーズが増大しています。
航空分野をさらに詳しく見てみると、ワイヤレス広帯域通信の仕様は民間航空機上で広く使われるようになっており、乗客は、飛行中に Wi-Fi を使ってインターネットにアクセスすることもできるようになっています。衛星通信の利用が拡大して世界中をつなぐ広帯域接続が可能になるのに伴い、これらのサービスへのニーズは今後も拡大を続けていくと見られています。これらの発展に加えて、航空宇宙市場は、ワイヤレス技術に関するその他さまざまなアプリケーションにも積極的に目を向けています。ワイヤレス・センサーの利用は、安全性と燃料効率両方の向上を目指して、活発に見直されています。燃料効率は、航空機の重量を軽減することによって改善することができます。この他、エンド・センサー技術やセンサー間の接続オプションに関しても、詳細な検討が行われています。
今日の防衛用および民間用の航空機には、100,000 本を超えるワイヤが使われることも珍しくありません。これは、長さにして 470 m、重量にして 5,700 kg 以上にもなります。ただし、これにはインフラストラクチャや固定構造用のハーネスは含まれておらず、それらを加えると、ワイヤ量はさらに30 % 増加します。これらのすべてがワイヤレス・センサーに置き換えられるとは考えにくいですが、企業、学術組織、政府機関で構成される AVSI(Aerospace Vehicle Systems Institute)では、その可能性を探っています。AVSI は、ケーブルやワイヤ・ハーネスを使わずにさまざまな航空機用センサーを相互接続することを目標として、ワイヤレス・アビオニクス間通信(Wireless Avionics Intra-Communications: WAIC)を研究するタスク・グループを設置しています。このアプリケーションのワイヤレス・センサーが重量を軽減することは疑いのないところですが、センサー・ネットワークには、構成設定の変更が可能で潜在的に安全であるという利点もあります。しかし、さらに重要なのは、配線やインフラストラクチャを追加することなく、センサーの追加やアップグレードを迅速に行うことができる点です。より多くの機上機能をモニタして調整することができれば、エンジンや熱管理システムといった対象をリアルタイムで調整することによって、より一層の効率向上を実現できる可能性があります。さらに、機器の健全性モニタリングや追加の安全モニタリングによって、メンテナンスやサービス作業の条件をより詳しくモニタし、問題をできるだけ早期に特定して、より効率的なメンテナンス・スケジュールを策定することができます。WAIC ワーキング・グループでは、この技術の利点を生かせると見込まれるさまざまなシステムを次のように挙げています。
|
|
航空機システム・モニタリング用にワイヤレス通信リンクを追加するという課題は、ここに挙げた多くの例において、さらに重要度を増しています。その存在を効果的なものとするためには、多くのシステムをバッテリ電源とし、さらにバッテリを交換することなく非常に長期(場合によっては数年間)にわたって稼働させる必要があります。電源が限られた環境の中で必要な数のセンサーを使用するには、従来型のバッテリを超えるエネルギー源が必要になります。代替電源としてエナジー・ハーベスティングを利用することは、センサーの柔軟性を増し、SWaP 性能を向上させることにつながります。
兵士用個人装備から航空宇宙機器に至るまで、先に挙げたすべての例は、ワイヤレス通信とセンサーの信頼性が向上していることと、それに伴って解決すべき新しい課題が生じていることを示しています。アナログ・デバイセズは、こうしたさまざまな問題に対する幅広いソリューションの提供に取り組んでいます。ワイヤレス通信用トランシーバーの改善は、これらのソリューションの鍵となります。さらに、エナジー・ハーベスティングとセンサー・ドメインの両分野で研究を進め、3 つのデバイス間の相互運用性の向上を図っています。
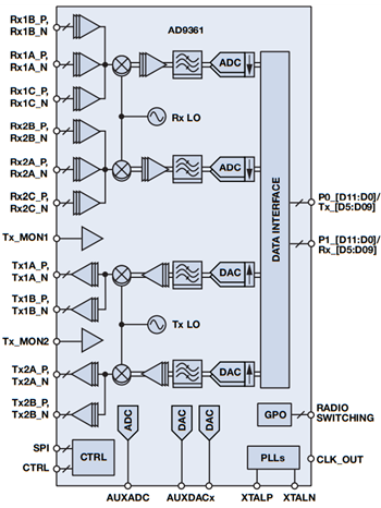
通信データ・リンクをサポートするために、AD9361 のような設定自由度の高いトランシーバー・デバイスや、ADF7023 やADF7024 といったISM バンド・デバイスは、ワイヤレス接続用のソリューションを提供します。AD9361 と AD9364 は設定自由度の高い RF-to-Bits トランシーバーで、200 kHz ~ 56 MHz のチャンネル帯域幅で、70 MHz ~ 6 GHz の RF 周波数範囲の通信リンクに対応可能です。このデバイスは、直接変換アーキテクチャを採用し、低ノイズ・アンプ、ミキシング段、高速コンバータ、直交誤差補正アルゴリズムを含むデジタル・シグナル・プロセシング回路のすべてを 10 mm2 のパッケージに集積化しており、広帯域通信リンク用に真の RF-to-Bits ソリューションを提供します。このデバイスは動的に設定を変更できることから、すでに防衛用通信に広く使われています。同様にソフトウェアによっても設定を変更できるため、前述の UAV のように、通信データ・リンクに対する他の多くの要求に対して 1 つのソリューションを提供します。このようにデバイスを再設定できることで、真のソフトウェア無線(SDR)の実装が可能になり、開発された 1 つのハードウェアをさまざまなシステムに使用することができます。特に、消費電力が代表値で 1 W未満の場合に有効です。

図2. AD9361—広帯域トランシーバ―

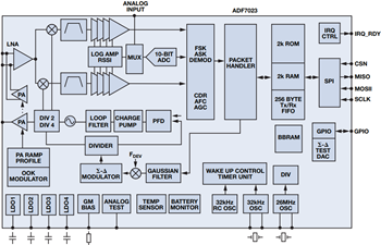
図3. ADF7023—ISM バンド・トランシーバー
ADF7023、ADF7024、および ADF7242 は、超低消費電力の集積化トランシーバーです。これらは免許不要の ISM バンド、すなわち 433 MHz、868 MHz、915 MHz、2.4 GHz での使用と、周波数シフト・キーイング(FSK)またはガウス型周波数シフト・キーイング(GFSK)による波形変調、およびより低いデータ・レートに合わせて設計されており、ADF7024 の最大データ・レートは 300 kbps、ADF7242 の最大データ・レートは 2 Mbpsです。これらのデバイスは AD9361 ほどの柔軟性は備えていませんが、同じレベルの機能が組み込まれており、RF-to-Bits 動作にも対応可能です。例えば、ADF7024 は 5 mm2 のパッケージでこれらの機能を提供し、消費電流はレシーバー・モードで12.8 mA で、消費電力レベルと長期的動作がきわめて重要な、センサー・データの送受信アプリケーションに使用することができます。
センサー技術とワイヤレス通信ノードをより密接に組み合わせることの必要性は明らかであり、このために、半導体開発が推進され、統合化、すなわちこれら 2 つの要素を緊密に組み合わせる技術が促進されています。センサーや IoT に関する課題を完全に解決するためには、従来型ながら絶えず高精度化が図られてきたアンプやコンバータの中からさまざまなデバイスを選び出し、それらを組み合わせて、温度、電流、電圧の検出に用いることができます。さらに範囲を広げると、MEMS ベースのジャイロ・センサーや加速度センサーを使用する広範な航法システムやヘルス・モニタリング・システムは、兵士の行動や移動経路をモニタできる可能性を提供します。あるいは、予想外の動作が検出された場合に、システムの振動をモニタしてシステムの健全性を判断することも可能です。
例えば、ADIS16488A iSensor® は全機能内蔵型の高性能慣性システムで、3 軸ジャイロ・センサー、3 軸加速度センサー、および 3 軸磁気センサーが組み込まれており、個人の追跡システムや振動モニタリング・システムに使用することができます。これは、MEMS 技術に基づく動作追跡用の安価なソリューションを提供し、位置を特定したり、装置に組み込んで、司令部への送信前にワイヤレス通信経由で兵士の無線装置にリンクしたりすることを可能にします。これによって包括的な兵員追跡ソリューションを実現できるので、特に GPS が使用できない地域で捜索救難活動の必要が生じた場合は、その実施が容易になります。

図4. 考えられるワイヤレス・センサーの相互接続
同様に、アナログ・デバイセズの iSensor および MEMS デバイスを振動モニタリング・アプリケーションに使用すれば、装置故障の可能性に基づいて装置の健全性解析を行い、できるだけ早期にこれを明らかにすることができます。これらのセンサーには取り付ける場所が必要なので、その位置決定に困難が伴うことも少なくないのですが、低消費電力のバッテリ駆動 RF トランシーバーとセンサーを組み合わせれば、このような問題もなくデバイスの位置を決定して、中央監視装置へデータを送信したり、場合によってはセルラーまたは衛星通信ネットワークを介してリモート監視局へ中継したりすることができます。
以上に挙げた項目はすべて氷山の一角に過ぎず、さまざまな技術を使用して、他にも多くのオプションや検出システムが検討されていますが、そのすべてはデータを中継するための安全なRF 通信に依存しています。航空宇宙・防衛分野を見渡すと、ワイヤレス・ネットワークの使用とデータのモニタリングおよび配信の動きが広がりつつあり、この動きは今後一層加速する可能性があります。また、予想されるように、無人システムを開発して利用する場合は、特にその傾向が顕著です。効率、設定自由度、およびプラットフォームの全体的な安全性は、ワイヤレス技術採用の非常に重要な利点です。これらの特長は、複数の製品ラインに関わるアナログ・デバイセズのロードマップの実行を推進し、次世代システムにおける目標の実現を確かなものにしています。必要に応じて高度な安全性とカスタム波形を備えた商用技術を利用できることから、IoT が現在および将来の航空宇宙および防衛用システムの重要なコンポーネントであることは間違いありません。