EMCシミュレーションにLTspiceを使って最良の結果を得る方法 – パート1
Read other articles in this series.
概要
IoT接続デバイスや5G接続などの技術革新が日常生活の一部になるにつれて、これらのデバイスからの電磁エミッションを制限し、EMIへの耐性を定量化する必要性も日常的なものとなりました。多くの場合、電磁両立性に関わる要求事項の達成は複雑な作業です。本稿では、次に挙げる2つの重要な疑問に対する答えを得るための、オープンソースのLTspice®シミュレーション回路を示します。すなわち、(a)自分の設計したシステムはEMCテストの要求を満たすのか、あるいは何らかの軽減策が必要なのか、(b)自分の設計は、外部環境からのノイズに対してどの程度の耐性を備えているのか、ということです。
EMCシミュレーションにLTspiceを使う理由
EMCの設計は、製品の出荷予定をできるだけ遅らせないように行う必要がありますが、そうはいかない場合も少なくありません。EMC関連の問題や実験室でのテストにより、製品の出荷が数ヵ月遅れることもあるからです。
通常、シミュレーションは電子機器の機能的側面に焦点を当てて行いますが、LTspiceのようなシンプルなオープンソース・ツールを使って、機器のEMCの性質をシミュレートすることもできます。多くの人々が在宅で勤務し、EMC実験室を使用するためのコストも非常に高い(1日あたり最大$2000)という現在の状況では、正確なEMCシミュレーション・ツールが更にその有効性を増しています。EMC障害や回路修正のシミュレーションに数時間を費やすことで、複数の実験室テストの繰り返しや、コストのかかるハードウェアの再設計を回避する助けとなります。
シミュレーションを有効なものとするために、EMCシミュレーション・ツールはできるだけ高精度であることが必要です。本稿を含む一連の記事では、いくつかのガイドラインとLTspiceのEMC回路モデルを示します。これらのモデルは実際にシミュレーションに使用したもので、実験室の実測結果と非常によく一致することが確認されています。
本稿は3つの記事からなるシリーズのパート1です。このシリーズでは、MEMS振動センサーを中心に構成されたセンサー・シグナル・チェーンのEMCシミュレーション・モデルをいくつか示します。しかし、そのコンポーネントとEMCシミュレーション手法の多くはMEMSソリューション固有のものではなく、幅広いアプリケーションに応用することができます。
- パート1:電源コンポーネント、伝導エミッション、および耐性
- パート2:ケーブル駆動トランシーバー・リンクにおける信号の完全性とトランジェント耐性
- パート3:シグナル・コンディショニング・コンポーネント、外部ノイズに対する耐性の強化
LTspiceを使用したエミッションと耐性に関する問題の解決
本稿は以下の重要な疑問に関する回答を提供します。
(a)自分の設計したシステムはEMCテストに合格するのか。コモンモード・インダクタ、フィルタ・インダクタ、あるいはコンデンサのための追加スペースを確保しておくべきか。この疑問については、本稿を読むことにより、LTspiceを使って図1に示すように降圧コンバータ電源設計の差動ノイズとコモンモード・ノイズをプロットし、その回路が伝導エミッション規格の限界値を満たすことができるか否かを表示できるようになるはずです。

図1 差動ノイズとコモンモード・ノイズのLTspiceプロット、および伝導エミッションの限界値
(b)設計内の敏感な負荷に安定した電圧を供給するために、リニア電圧レギュレータが必要か。この疑問については、本稿を読むことにより、LTspiceを使い、その設計に許容される降圧出力リップル電圧のレベルに基づいて、降圧コンバータの出力にLDOレギュレータが必要かどうかを理解できるようになるはずです。更に本稿では、設定変更が可能な電源ノイズ耐性(PSRR)テスト回路を示します。
センサー用降圧コンバータ
通常、MEMS振動センサーは、直径20mm~30mm、高さ50mm~60mm程度の金属製エンクロージャ内に収められています。通常、デジタル・シグナル・チェーンを含むセンサーには、長いケーブルを介して9V DC~30V DCの電圧が供給されます。消費電力は300mW未満です。この小さいエンクロージャ内に収めるためには、高い効率と広い入力範囲を備えた小型の電源ソリューションが必要です。
LT8618、LT8618-3.3、およびLT8604は小型の高速降圧スイッチング・レギュレータで、MEMSセンサー・アプリケーションに最適です。LT8618とLT8618-3.3には、既に使用できるLTspiceモデルがいくつかあります。LT8618のレギュレーションを行えば、その出力リップルを10mVp-p未満の非常に低い値に抑えることができます。しかし、出力コンデンサ・バンクの寄生抵抗と寄生インダクタンスによってこのリップルが大きくなり、降圧回路から不要な伝導エミッションが生じることがあります。寄生成分は、容量性負荷、降圧レギュレータの出力スイッチングの寄生成分、およびPCB設計とセンサー・エンクロージャ間の結合容量によって生じる可能性があります。
寄生値の割り出しと使用
次のセクションでは、Würth REDEXPERTを使って実際のコンデンサからESLとESRの寄生値を割り出し、LTspiceで回路をシミュレートする方法を説明します。多くのシステムの入力と出力では、コンデンサとインダクタの寄生成分がEMI性能に大きく影響します。システムの出力リップルを減らすという点について言えば、個々の寄生成分ごとにその影響を分けることは、最良の選択を実現する助けとなります。
降圧コンバータに関する伝導エミッションのシミュレーションに関する検討は、図2に示すように、LTspiceとWürth REDEXPERTのプロセス・フローに従って行います。通常、降圧の場合、出力リップルはS/N比(SNR)に関係しており、入力リップルはEMC性能と密接に関係しています。

図2 LTspiceを使って伝導エミッションをシミュレートするための プロセス・フロー
本稿では、図2に示すシミュレーション・アプローチの概要を示した後に、DC2822A LT8618デモ・ボードを使い、実験による実際の測定値とシミュレーションの関連性を示します。
Würth REDEXPERTのデータを使ったLTspiceテスト回路
降圧コンバータの出力リップル電圧は、コンデンサのインピーダンスとインダクタ電流の関数です。シミュレーションの精度を上げるには、Würth REDEXPERTを使って4.7µFの出力コンデンサ(885012208040)を選び、ESRとESLの周波数特性を求めます。LTspiceのコンデンサ・モデルにはESLとESRがロードされていることもありますが、クイック・チェックを行うと、LTspiceのコンデンサ・データにはESLが省略されている場合が多いことが分かります。図3aと図3bに2つの等価回路を示します。(a)には4.7µFの出力コンデンサと、ディスクリートのESL値およびESR値が使われており、(b)にはESRおよびESLパラメータを含むWürth製コンデンサが使われています。

図3 LTspiceテスト回路:(a)は4.7µFの出力コンデンサと、ディスクリートのESL値およびESR値を使用し、(b)にはESRおよびESLパラメータを含むWürth製コンデンサを使用。
REDEXPERTを使用すれば、様々なコンポーネントのインピーダンスと周波数の関係を表示して、それぞれのパッシブ・デバイスの重要な寄生成分を知ることができます。これらの寄生値は後でLTspiceモデル内に設定できるので、合計電圧リップルに及ぼすその影響を個別に評価することが可能になります。
既に述べたように、LT8618では出力リップルを10mVp-pという非常に低い値に抑えることができます。しかし、容量性負荷とESLの影響をシミュレートすると、出力電圧リップルは44mVp-pです。図4のFFTプロットに示すように、コンデンサのESLはノイズの周波数特性に非常に大きく影響します。

図4. 4.7µFコンデンサの純粋な容量、ESL、およびESRが周波数スペクトラムに与える個々の影響を示すFFTプロット
LTspiceのLISN回路を使った降圧入力のEMI適合性評価
伝導性セットアップの電磁両立性評価では、ほとんどの規格が、ライン・インピーダンス安定化回路(Line Impedance Stabilization Network: LISN)を使用しています。これは疑似電源回路(Artificial Mains Network: AMN)とも呼ばれます。これらのデバイスはいずれも似た機能を備えており、回路電源と被試験装置(Device Under Test: DUT)の間に配置されます。この場合のDUTは降圧コンバータです。LISN/AMNは、ローパス・フィルタとハイパス・フィルタで構成されます。ローパス・フィルタは、低周波電源(DC~数百Hz)からDUTまでの経路を提供します。ハイパス・フィルタは、電源ラインとリターン電源ラインのノイズを測定するために使用します。図5と図6に示すように、これらの電圧は50Ωの抵抗を介して測定します1。実際の実験室では、EMIレシーバーを使ってこの電圧を測定します。LTspiceを使用すれば、ノイズ電圧を調べて、それを伝導エミッション・テストの周波数スペクトラムにプロットすることができます。

図5 電源と被試験装置(DUT)の間にLISNを配置。
1。">図6 LISN内でのコモンモード干渉と差動モード干渉1。
伝導エミッションは、コモンモード(CM)ノイズと差動モード(DM)ノイズに分類できます。EMI軽減策はCMノイズには有効であってもDMノイズには有効でない場合や、その逆の場合もあるので、CMノイズとDMノイズを区別することは重要です。V1の電圧とV2の電圧は両方が同時に出力されるので、図6に示すように、伝導エミッションのテスト時にLISNを使ってCMノイズとDMノイズを分離することができます1。
DMノイズは電源ラインとリターン・ラインの間で生成されますが、CMノイズは、浮遊容量(CSTRAY)を介して電源ラインとグラウンド基準面(銅製のテスト・テーブルなど)の間で生成されます。設定されたCSTRAYは、降圧コンバータ出力におけるスイッチング・ノイズの寄生成分をモデル化します。
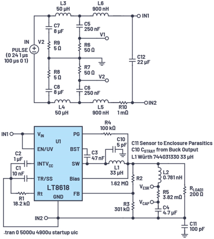
図6に対応するLTspiceのLISN回路を図7に示します。シミュレーションの精度を上げるために、L5およびL6インダクタを使って、テスト回路へのLISN電源リードのインダクタンスをモデル化します。抵抗R10は、テスト・ボードにあるスロット付きグランド・プレーンのインピーダンスをモデル化します。図7には、CSTRAYをモデル化するためのコンデンサC10も含まれています。コンデンサC11は、センサーPCBとセンサーの機械的エンクロージャ間の寄生容量をモデル化します。

図7 LTspiceのLISN回路、LT8618降圧コンバータ、および寄生素子のモデル化
シミュレーション実行時は、スタートアップ条件の選択を誤ると振動が長時間続く可能性があるので、使用するLISN回路ができるだけ早く定常状態に達するようにLTspiceをセットアップする必要があります。
[Start External DC Supply Voltages at Zero](外部DC電源電圧をゼロから開始)の選択が解除されていることを確認し、必要に応じて回路素子の(電圧と電流の)[Initial Condition](シミュレーション実行時の動作条件)を指定します。
図8は、LISNのV1端子とV2端子で測定したCMノイズとDMノイズを、LTspiceのFTTプロットを使って示したものです。図6に示す算術演算を再現するために、DMノイズについてはV1とV2の差を取って0.5を乗じ、CMノイズについてはV1とV2の和を求めて0.5を乗じています。

図8 DMノイズ(黒)とCMノイズ(青)のLTspice FFTプロット
通常、実験室における伝導エミッションはdBµV単位で測定されますが、LTspiceのデフォルト単位は1dbVです。両者の関係は1dbV = 120dBµVです。
したがって、LTspiceのDMノイズをdBµV単位にすると次のようになります。

CMノイズは次のとおりです。

伝導エミッション上限ラインの追加
LTspiceのFFT波形表示パラメータは、プロット設定ファイルを使って編集できます。LTspiceのFFTメニューから[Save Plot Settings](プロット設定を保存)を選択し、ファイルを保存してください。プロット設定ファイルはテキスト・エディタを使って開き、内容を編集してEN 55022の伝導エミッション上限ラインと、関連するEMC周波数範囲(10kHz~30MHz)および振幅(0dBµV~120dBµV)を追加することができます。
EN 55022伝導エミッション規格の周波数限界値と振幅限界値は、図9に示すようにExcelを使って適切な構文に編集し、LTspiceのプロット設定ファイルにコピー&ペーストできます。このライン定義は、図10に示すようにプロット設定パラメータに貼り付けることができます。図10には、X周波数パラメータとY振幅パラメータも示されています。
図9 適切な構文を作成してLTspiceのプロット設定ファイルにコピー&ペースト。
図10 伝導エミッション合否ラインの定義と周波数/振幅スケールの追加
伝導エミッション上限ラインと、降圧回路からのDMおよびCM伝導エミッションを図11に示します。この回路は、2.3MHz~30MHzの周波数帯でエミッション・テストの条件を満たしていません。

図11 LTspiceのFFTプロットとEN 55022の伝導エミッション上限ライン
降圧コンバータのEMI対策
回路のDMノイズ軽減策として、図12に示すように、ESLとESRが非常に小さいコンデンサ(C12、22µFのWürth 885012209006など)を入力レールに配置することができます。

図12 降圧コンバータのエミッション対策

図13 対策済み降圧コンバータ使用時のFFTプロット
DC2822A LT8618デモ・ボード使用時の実験室における実測値とシミュレーションの関係
以上では、伝導エミッション・シミュレーションでのLTspice使用のガイダンスを示しました。この方法は、あらゆる降圧コンバータ回路に使用できます。次に、図14に示すDC2822A LT8618デモ・ボード使用時の、シミュレーションとEMC実験室での結果の相関関係について検討します。DC2822Aデモ・ボードには複数の入力コンデンサと出力コンデンサが組み込まれていますが、これらは前述のシミュレーション・モデル(例えば図7と図12)には含まれていませんでした。図15に示すLTspiceモデルにはこれらのコンデンサが含まれており、コンデンサのESL値とESR値はWürth REDEXPERTを使って得たものです。

図14 DC2822A LT8618デモ・ボード

図15. DC2822Aデモ・ボードのVIN構成に対応するLTspiceモデル。
DC2822Aデモ・ボードには2つの電源入力があります(VINとVEMI)。VINの入力電源レールは、PCBに使われているフェライト・ビーズをバイパスします。図15のLTspiceモデルは、デモ・ボードのVINの構成に対応しています。LTspiceシミュレーションのFFTを図16に示します。範囲的にはわずかですが、コモンモード・エミッションが2MHzで伝導エミッションの上限ラインを超えています。

図16 DC2822AのVIN構成に対応するLTspice FFTプロット
シミュレーション時間を短縮し、LTspiceシミュレーションとDC2822Aデモ・ボードを使用した実験室測定の結果をできるだけ一致させるために、前述のモデル(図7および図12)に対し、図15では以下の変更を加えています。
- エンクロージャ・ケーシングとPCB間の100pFの容量をモデル化することは不要。ここではDC2822Aデモ・ボードだけをモデル化します。
- 良好に設計されたこのPCBでは、スイッチング・ノイズを無視できるものと最初から仮定。図7と図12では5pFのスイッチング・ノイズを見込んでいました。
- LISNとDC2822Aデモ・ボード間のワイヤ・リードのインダクタンスは非常に小さいので無視。
- シミュレーション時間を短縮するために、50µHのLISNインダクタと並列に1kΩの抵抗を追加(LISNのセトリング時間を短縮)。
これらの変更を加えた図15の回路を使用して、LTspiceによるシミュレーションとDC2822Aデモ・ボードによるEMC実験室での実測値を比較した結果を、図17に示します。LTspiceのシミュレーション・モデルは、実際の実験におけるエミッションの主要なピークをかなり正確に予測しています。

図17 DC2822A VIN構成、LTspiceと実際のEMC実験によるエミッションの比較
フェライト・ビーズ(EMIフィルタ)を使用したVEMIレール測定では、DC2822Aデモ・ボードのエミッションは、60dBµVの伝導エミッション上限ラインより十分に低い値になります。実際に、低周波数域におけるDC2822Aデモ・ボードのエミッションは30dBµV~35dBµVに過ぎません。
伝導耐性
有線式の状態監視センサーには、厳しいノイズ耐性条件が定められています。鉄道、オートメーション、および重工業(例えばパルプおよび紙加工)のCbMでは、データ・アクイジション/コントローラにおいて振動レベルが誤ってトリガされるのを避けるために、振動センサー・ソリューションの出力ノイズ・レベルを1mV未満とする必要があります。これは、電源から測定回路(MEMSシグナル・チェーン)へ出力されるノイズ(出力リップル)を、設計時点で非常に低く抑える必要があることを意味します。また、この電源設計は、電源ケーブルに結合したノイズに対しても高い耐性(高PSRR)を備えていなければなりません。
既に述べたように、LT8618では、不適切な容量性負荷とバースト動作のために数十ミリボルトの出力リップルが生じる可能性があります。MEMSセンサー・アプリケーションにLT8618を使用する場合、このデバイスの出力には、LT3042のような超低ノイズで高PSRRのLDOレギュレータが必要です。
ノイズ耐性(PSRR)用の柔軟なシミュレーション回路
図18に示すLTspice回路は、LT3042のPSRRをシミュレートするために使用できます。図18に示す時間領域トランジェント・モデルは、AC掃引法に代わる方法です。この時間領域モデルはAC法より柔軟で、スイッチング・レギュレータのPSRRをシミュレートすることも可能です。このシミュレーション回路は電圧入力レールの変化を周波数掃引して、これに対応する出力電圧変化をシミュレートします。言葉を変えると、このシミュレーションは次式の評価を行います:PSRRLT3042 = (VINの変化)/(VOUTの変化)の周波数特性

図18 10kHz~80MHzにおけるLT3042 LDOレギュレータのPSRRシミュレーション
図18にはいくつかの強力なステートメントが用いられています。.measステートメントと.stepステートメントを組み合わせることで、ユーザーは、LDO入力に電圧ノイズ源を追加して、電圧入力を段階的に変えながらLDO PSRRの周波数特性を測定することができます。
.measステートメント
ユーザーはこのステートメントを使い、ある時間枠における信号のピークtoピーク値を測定して、SPICEのエラー・ログに出力することができます。図18は、入力リップルと出力リップルの両方を測定し、その測定データのPSRRを計算します。これらはすべてSPICEのエラー・ログに出力されます。
.stepステートメント
.stepコマンドは、1回のシミュレーション実行で1つの変数を一定範囲の値で掃引するのに便利です。図18の.stepステートメントは、V2電圧源のサイン波を50Hz~10MHzの範囲でステップ掃引します。
C2出力コンデンサの初期電圧は、セトリング(およびシミュレーション)時間を短縮するために3.3Vに設定できます。これはコンデンサのプロパティを編集することによって行いますが、LTspiceの[Start External DC Supply Voltage at 0 V](外部DC電源電圧を0Vから開始)オプションを無効にすることによって、更に短縮することができます。
SPICEエラー・ログの使用
シミュレーションが完了したらウィンドウの1つを右クリックし、ビューを選択して[SPICE Error Log](SPICEエラー・ログ)を選択します(またはCtrl+Lホットキーを使用)。SPICE Error Logには、.measステートメントのデータ・ポイントが格納されます。
.measデータをプロットするには、エラー・ログを右クリックしてプロット対象のステップ掃引.measデータを選択します。更にブランク画面を右クリックして[Add Trace](トレースを追加)を選択し(またはCtrl+Aを使用)、PSRRを選択してください。対数スケールで表示するには、x軸を右クリックしてラジオ・ボタンをオンにします。これで、図19に示すようなPSRRの周波数特性が表示されます。

図19 シミュレートしたLT3042 LDOレギュレータPSRRのプロット。
オリジナルのLT3042データシートの特性曲線に見られるアーチファクトの一部がありませんが(2MHz付近)、全体的な形状と値はデータシートに近いものになっています。
出力電圧リップルの周波数特性を図20に示します。これは50Hz~10MHzの範囲で200µV未満です。入力電圧リップルは、同じ周波数範囲で1Vp-pです。LT3042は優れたPSRRを備えており、ノイズに敏感なMEMSソリューションに低ノイズの電源を提供します。

図20 シミュレーションによるLT3042出力電圧リップルの周波数特性プロット。
SPICEエラー・ログを使用する.measアプローチは、以下を含む他の多くのパラメータのシミュレーションに使用できます。
- スイッチング・レギュレータのPSRR
- PSRR、ドロップアウト電圧、および周波数の関係
- PSRRとバイパス回路の関係
- RMS出力リップルとDC入力の関係
- 効率とコンポーネント値の関係
まとめ
本稿では、LTspiceのシミュレーション回路と、降圧コンバータ電圧設計の差動およびコモンモード・ノイズをプロットする方法を示しました。本稿は、ユーザーが伝導エミッションの上限ラインをプロットすることを可能にし、EMC実験時の障害を予測する助けとなります。シミュレーション・アプローチは実験測定値によって検証され、LT8618 DC2822Aデモ・ボードによる結果に近い値であることが確認されています。
LT8618降圧コンバータの出力にLT3042 LDOを使用すれば、MEMSセンサー・アプリケーション用に、超低ノイズ、高PSRRのソリューションを実現できます。PSRR用の柔軟なシミュレーション回路は、LT3042データシートと良好な一致を見せます。LT3042のシミュレーション結果は、1Vp-pという大きい入力電圧ノイズが存在する場合でも、50Hz~10MHzの範囲で出力リップルが200µV未満であることを示しています。
著者について
この記事に関して
製品
A/Dコンバータ、24ビット、8チャンネル、110.8 kHz BW、同時サンプリング、パワー・スケーリング
堅牢な産業用、低消費電力10BASE-T1LイーサネットPHY
堅牢な産業用、低消費電力10BASE-T1LイーサネットMAC-PHY
高効率65V/100mA同期降圧
デュアル1.4A、シングル2.8A降圧Silent Switcher®(サイレント・スイッチャ) μモジュール・レギュレータ
3V~5.5Vの±60Vフォルト保護付きRS485/RS422トランシーバ
入力同相電圧範囲の広い16ビット、5Msps差動入力A/Dコンバータ
高周波MEMS 加速度センサー、+/-50g、低ノイズ
VIO付き3.0V~5.5V、±12kV IEC ESD保護、半二重50Mbps RS-485トランシーバー