概要
設計リソース
設計/統合ファイル
• Schematic• Bill of Materials
• Gerber Files
• Layout Files (Allegro)
• Assembly Drawing 設計ファイルのダウンロード 612.07 K
評価用ボード
型番に"Z"が付いているものは、RoHS対応製品です。 本回路の評価には以下の評価用ボードが必要です。
- EVAL-ADICUP360 ($60.92) EVAL-ADICUP360
- EVAL-CN0394-ARDZ ($67.68) EVAL-CN0394-ARDZ
機能と利点
- 柔軟な 4 チャンネル熱電対システム
- 冷接点補償機能
- ADICUP360 への Arduino 互換インターフェース
参考資料
-
EVAL-CN0394-ARDZ Shield2018/10/16WIKI
-
CN0394: Arduino 互換アナログ・インターフェースを備えた柔軟かつ省電力の 4 チャンネル熱電対システム2016/11/04PDF305 K
回路機能とその特長
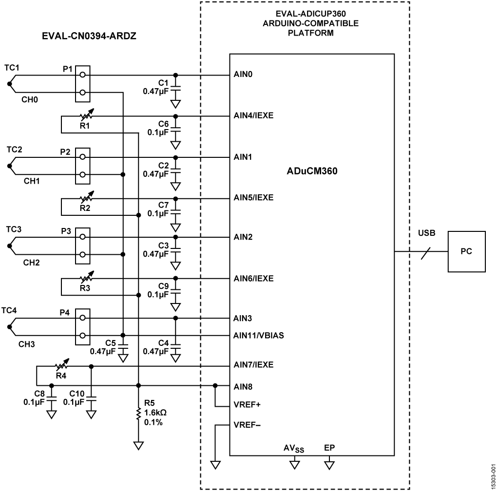
図 1 に示す回路は、Arduino 互換 EVAL-ADICUP360 プラットフォームをベースにした柔軟な統合型 4 チャンネル熱電対計測システムで、ADuCM360 低消費電力高精度アナログ・マイクロコントローラを搭載しています。ADuCM360 には、ARM Cortex™-M3 プロセッサ・コア、多くのペリフェラル、さらに、2 個の 24 ビット Σ-Δ A/D コンバータ(ADC)、マルチプレクサ、プログラマブル・ゲイン・アンプ(PGA)、電圧リファレンスを含む高精度アナログ回路が搭載されています。

この回路は最大 4 つの独立した熱電対チャンネルを処理することが可能で、ソフトウェア・リニアライゼーション・アルゴリズムが 8 種類(B、E、J、K、N、R、S、T)の熱電対に対応します。4 つの熱電対は任意の組み合わせで接続でき、各熱電対チャンネルの測温抵抗体(RTD)が冷接点補償(CJC)を行います。追加の補償は不要です。このシステムを使った熱電対計測はs、種々の熱電対に規定された全ての動作範囲に対応します。
この回路は、ラピッド・プロトタイピングのための EVAL-ADICUP360 Arduino 互換プラットフォームとインターフェースします。USB/UART インターフェースとオープン・ソースのファームウェアにより、EVAL-CN0394-ARDZ と EVAL-ADICUP360 の組み合わせは、様々な熱電対アプリケーションに容易に適用できます。
回路説明
温度計測の概要
熱電対は低価格で堅牢性、再現性に優れており、動作温度範囲が広く応答時間が短いので、工業用アプリケーションの温度計測に最も多く使われているセンサーの 1 つです。熱電対は特に高温での計測(タイプ C の熱電対では最大 2300 ℃)に有用です。
図 2 に示すように、熱電対は種類の異なる金属の 2 本のワイヤの接合部で構成されています。

この接合部は温度を測定する箇所(TTC)に置かれ、計測接点と呼ばれます。熱電対の他端は高精度電圧計測システムに接続され、この接続点は基準接点または冷接点(CJ)と呼ばれます。計測接点(TTC)と冷接点(TCJ)の温度差により、2 つの接点の温度差に起因する電圧(VTC − VCJ)が発生します。発生する電圧は通常、数マイクロボルトから数十ミリボルトの範囲で、温度差と熱電対のタイプに応じて異なります。
冷接点補償(CJC)
熱電対が発生する電圧は温度に変換する必要がありますが、熱電対が発生する電圧はわずかで、温度と電圧の関係が非線形であり、冷接点の温度も正確に測定しなければならないので、測定した電圧を温度に正確に変換するのは困難な場合があります。
熱電対の合計出力電圧は、熱電対の温度と冷接点の温度の差から生じます。冷接点の温度はもう 1 つの温度検出デバイス(一般に、サーミスタ、ダイオード、RTD、半導体温度センサー)で測定されることを図 2 に示します。この回路に用いた温度検出デバイスは Pt1000 RTD で、高精度な測定のため、4 つのチャンネルのそれぞれに 1 個の RTD を備えています。
図 2 では、ADuCM360 の高精度 ADC で熱電対の合計電圧(VTC – VCJ)を測定し、次式を使ってデジタル・フォーマットに変換しています。

ここで、
VTC − VCJ は熱電対の測定電圧、
VREF は測定に使ったリファレンスです。この回路では、熱電対計測に 1.2 V の内部リファレンスを使用しています。
コードは ADuCM360 の ADC データ・レジスタ(ADCxDAT)の 28 ビット・ワードで、ゲインが 8 です。
ADuCM360 から得られる定電流源 IEXE が 、直列接続された RTD と 1.6 kΩ の高精度リファレンス抵抗 R5 の組み合わせを駆動します。CN-0394 の回路の IEXE の設定値は 620 µA で、1.6 kΩ × 620 µA = 0.992 V の公称 VREF と RTD 両端の 1 kΩ × 620 µA = 0.62 V の電圧降下を生成します。R5 両端の電圧は ADC のリファレンスとして使用します。RTD の抵抗(RRTD)は次式で計算します。

ここで、
R5 はリファレンス抵抗(R5 = 1.6 kΩ)です。
CODEは ADuCM360 の ADC データ・レジスタ(ADCxDAT)の 28 ビット・ワードで、ゲインが 1 です。.
CN-0394 の回路では、熱電対の電圧と RTD の電圧はどちらも ADuCM360 の 24 ビット ADC で変換されます。測定はレシオメトリックであり、リファレンス電圧や IEXE の励起電流の値の精度に依存しないことに注意してください。
次に、RTD の抵抗(RRTD)はルックアップ・テーブルや多項式を使って、冷接点の温度(TCJ)に変換されます。カレンダー・ヴァン・デューセンの式として知られる RTD の伝達関数は、より高精度な結果を求めるために 2 つの異なる多項式から成り、CN-0394 のソフトウェアで使用されています。これらの RTD の式の詳細については、回路ノート CN-0381 を参照してください。
次に、冷接点の温度(TCJ)は、ITS-90 の熱電対データベースの式を使って、対応する熱電対の電圧(VCJ)に変換されます。CN-0394 のソフトウェアは、ルックアップ・テーブルではなく ITS-90 の多項式を使ってこの変換を行います。
ソフトウェアは次に、熱電対の合計電圧(VTC− VCJ)に冷接点の電圧(VCJ)を加えて、熱電対の EMF(起電力)(VTC)を求めます。
次に、ITS-90 の逆多項式を使って、熱電対の EMF(VTC)を等価な熱電対の温度(TTC)に変換します。
熱電対の理論、リニアライゼーション・テーブル、数式、および冷接点補償については、NIST ITS-90 熱電対データベース、NIST 標準リファレンス・データベース 60 のバージョン 2.0(NIST の Web サイトから入手可能)を参照してください。熱電対と温度計測の一般理論については、センサー・シグナル・コンディショニングの 7 章を参照してください。
A/D コンバータ
CN-0394 の回路は、ADuCM360 に内蔵されているデュアル 24 ビット Σ-Δ ADC を使って変換します。ADuCM360 は、入力マルチプレクサと 1 ~ 128 のゲインを選択可能な PGA を搭載しています。ADuCM360 は、差動の 6 入力、またはシングルエンドの 12 入力に設定することができます。
また、ADuCM360 は数多くのフィルタ・オプションと出力データ・レートを備えているので、最大限の柔軟性を発揮します。
PGA は、熱電対のわずかな電圧を内部シグマ・デルタ ADC に最適なレベルに増幅することができます。適切なゲイン設定値は、熱電対の信号振幅とリファレンス電圧の値によって決まります。CN-0394 のソフトウェアは 8 種(B、E、J、K、N、R、S、T)の熱電対に対応します。
図 3 に示すように、それぞれの熱電対は範囲と感度が異なります。例えば、タイプ J の熱電対は鉄とコンスタンタンを接合したもので、範囲はおおよそ −210 ℃ ~ +1200 ℃、感度は 55 µV/℃ です。

このため、ADuCM360 の内蔵 PGA を使用することにより、熱電対のわずかな電圧レベルを検出してデジタル値に高精度に変換することができます。
冷接点の温度範囲は 0 ℃ ~ 50 ℃ で、最大と最小の出力電圧範囲は、各種タイプの電圧振幅を調査し、熱電対の電圧から差し引かれる冷接点の電圧成分を含めることによって決まります。表 1 に示すように、タイプ E の熱電対は最も広い範囲を必要とします。
| Output | Hot Junction | Cold Junction | Voltage |
| Maximum | 1000°C | 0°C | 76.4mV |
| Minimum | −270°C | 50°C | −12.88mV |
ADuCM360 の、1.2 V の内部リファレンスを使用する ADC のバイポーラ差動入力範囲は、PGA のゲインを G = 8 に設定したときに ±125 mV になります。この範囲は 8 種の熱電対全ての出力電圧範囲をカバーするので、外部のシグナル・コンディショニング回路が不要となり、全てのタイプの熱電対に対して PGA は 8 の固定ゲインで動作することができます。24 ビットの分解能があるため、小さな信号範囲の熱電対(タイプ B など)を、ゲインの範囲調整を必要とせずに測定することができます。熱電対は差動モードで ADC に接続し、負入力は ADuCM360 から供給される 900 mV のコモンモード・バイアス電圧に接続します。
EVAL-CN0394-ARDZ ボードは、オスの熱電対コネクタに接続するためのメスの小型 U タイプ熱電対コネクタ(Omega の PCC-SMP-U-100)を備えています。冷接点はコネクタの接点に形成され、 CJC RTD はコネクタの近くに配置されます。
CN-0394 の回路ではシンプルな 2 線 RTD 接続を使用していますが、ADuCM360 には、2 線、3 線、4 線 RTD に使用可能なプログラマブル励起電流源が搭載されています。3 線と 4 線のアプリケーションの詳細は、回路ノート CN-0381 と回路ノート CN-0383 にそれぞれ記載されています。
システム・ノイズの測定と結果
熱電対からの小さな値の電圧を正確に測定できるように、システム・ノイズが小さいことが重要です。1 つのチャンネルの熱電対コネクタを短絡したときに得られた 512 サンプルのヒストグラムを図 4 に示します。ADuCM360 の sinc3 フィルタをオンにし、チョップ・モードを有効にし、データ・レートを 50 Hz にしました。

ヒストグラムから、入力を基準にしたピーク to ピークは 2.51 µV になります。125 mV のフルスケール入力では、ノイズ・フリー・コード分解能は次式で計算できます。

熱電対システムの測定と結果
熱電対システムの測定をテストするには、広い温度範囲での熱電対の温度を正確に知る必要があります。オイル槽は高精度ですが、温度範囲が制限されており、安定するのに時間がかかります。
Time Electronics の 1090 温度キャリブレータなどの高精度熱電対シミュレータは、オイル槽を使った方法に代わる魅力的な選択肢です。シミュレータのテストの概念を説明するブロック図を、図 5 に示します。

このシミュレータには、熱電対のタイプと温度、および冷接点の温度を入力することができます。次に、シミュレータは ITS-90 の表と式を使って、熱電対の温度(TTC)と冷接点の温度(TCJ)をそれぞれの電圧 VTC と VCJ に変換します。次に、 VCJ を VTC から差し引いて、シミュレータの出力電圧 VTC – VCJ が得られます。
シミュレータの総合精度は熱電対のタイプと温度に依存しますが、一般に 0.5 ℃ ~ 2 ℃ です。
シミュレータはシステムの冷接点補償回路の精度をテストするものではありません。これは接続した熱電対で個別にテストする必要があります。
E、J、K、N、T のタイプの熱電対に対する温度のシミュレーション結果と測定結果の誤差を図 6 に、B、R、S の熱電対に対する誤差を図 7 に示します。測定の前に、ADuCM360 の ADC でゼロスケールとフルスケールの補正をしています。


図 6 と図 7 に示した誤差は、以下の要素を組み合わせたものです。
- シミュレータの誤差(0.15 ℃ 〜 3 ℃、タイプと範囲による)
- ADC のリファレンス電圧の精度(0.2 %)
- 内部 ADC の補正後に残るシステム・オフセット誤差とゲイン誤差(10 µV 未満)
- ADC の非直線性(15 ppm FSR、FSR = 125 mV で 1.9 µV)
- ITS-90 の式の誤差(0.001 ℃ 〜 0.06 ℃、タイプと範囲による)
リファレンス誤差(ADuCM360 の内部リファレンスでは 0.1 %)はシステムのゲイン誤差を生じ、高温時に数 ℃ の誤差を生じる可能性があります。
B、R、S タイプの熱電対はゼーベック係数が小さいため、オフセット誤差の影響を受けやすくなります。
ADuCM360 の非直線性と ITS-90 の式の誤差はどちらも、その他の誤差源に比べて無視できます。
図 6 と図 7 の測定データは、8 つ全ての標準熱電対のそれぞれの範囲の精度仕様内に収まっています。
特に B、R、S タイプの熱電対で精度を上げるには、高精度の外部電圧源を使って、システム・レベルのゼロスケールとフルスケールの補正をする必要があります。
初期精度が 0.02 % の ADR4525 などのより高精度な外部リファレンスを使って、ゲイン誤差を最小限に抑えることもできます。
冷接点補償は、タイプ J の熱電対を 1 つのチャンネルに接続して熱電対を周囲温度に維持しながら、 ThermoStream または Thermonics の温度コントローラでCN-0394 ボードに対して温度サイクルを行うことによってテストしました。タイプ J の熱電対を選択した理由は、温度変化に対する感度が高いからです。
測定は 0 ℃、25 ℃、105 ℃ の冷接点温度で行いました。これらの結果を図 8 に示します。

回路図、PCB レイアウト・データ、ガーバーファイル、部品表などが全て揃った EVAL-CN0394-ARDZ ハードウェアの技術文書は、CN-0394 設計支援パッケージに記載されています。
システム設計のトレードオフ
EVAL-CN0394-ARDZ ボードは、独立した 4 つの熱電対入力チャンネルのどの組み合わせでも最大限の柔軟性が得られるように設計されており、回路設計に使用する追加部品は最小限に抑えられています。
ADuCM360 の ADC は、測定する前にシステム・レベルのゼロスケールとフルスケールの補正を行うと、より高い精度を実現できます。
また、この ADC は、入力を差動動作に設定し、各チャンネルに入力アンチエイリアシング・フィルタを追加すると、ノイズ性能を改善することができます。代表的なフィルタ回路を図 9 に示します。ここで、R1 + R2 と C3 は差動モード・フィルタ(約 800 Hz の帯域幅)を形成し、R1/C1 と R2/C2 はコモンモード・フィルタ(約 16 kHz の帯域幅)を形成します。
RTD と熱電対回路を使って最適な性能を実現するための詳細な設計手法については、回路ノート CN-0381、回路ノート CN-0383、および回路ノート CN-0384 を参照してください。

ADuCM360 は、直接のプログラム制御下で、消費電流がわずか 4 μA の休止モード(内部ウェイクアップ・タイマーがアクティブ)を含むいくつかの低消費電力動作モードに設定することができます。休止モードでは、外部割込みや内部ウェイクアップ・タイマーなどのペリフェラルでデバイスを起動できます。このモードにより、デバイスは超低消費電力で動作しながら、非同期の外部イベントや周期的なイベントに応答することができます。
バリエーション回路
ADuCM360 の 1.2 V の内部リファレンスの初期精度は ±0.1 % です。精度を上げ、フルスケール・ゲイン誤差を下げるには、代わりに精度が ±0.02 % の 2.5 V リファレンス ADR4525 を使用することができます。
回路の評価とテスト
この回路では、EVAL-CN0394-ARDZ Arduino シールド・ボードと EVAL-ADICUP360 Arduino プラットフォーム・ボードを使用しています。2 枚のボードは、EVAL-CN0394-ARDZ を上に、EVAL-ADICUP360 を下にして容易に積み重ねることができます。EVAL-CN0394-ARDZ ボードのソケット P1 ~ P4 に熱電対を接続します。
システムと PC との接続は、EVAL-ADICUP360 ボードの USB インターフェースを介して行います。どちらのボードも 5 V USB 電源から給電されます。RTD センサーは、EVAL-CN0394-ARDZ プリント回路ボード(PCB)にあらかじめ取り付けられています。
必要な装置
以下の装置類が必要になります。
- USB 2.0 ポート付きで Windows® 7(64 ビット)以降を搭載の PC
- EVAL-CN0394-ARDZ Arduino シールド互換回路評価ボード
- EVAL-ADICUP360 開発ボードまたは互換の Arduino プラットフォーム・ボード
- B、E、J、K、N、R、S、T タイプの熱電対の任意の組み合せ(合計 4 個)、または、Time Electronics の 1090 温度キャリブレータまたは相当品
- ADICUP360 ソフトウェア(IDE)(CN-0394 ユーザー・ガイド(英語)参照)
- PuTTY や Tera Term などのシリアル・ターミナル・ソフトウェア
- USB A-micro USB ケーブル
- EVAL-CN0394-ARDZ デモコード(CN-0394 ユーザー・ガイド(英語)参照)
評価開始にあたって
EVAL-ADICUP360 ボードの正しいジャンパ設定を選択します。ジャンパ設定の詳細については、CN-0394 ユーザー・ガイドを参照してください。
EVAL-CN0394-ARDZ Arduino シールド・ボードを EVAL-ADICUP360 Arduino 互換プラットフォーム・ボードに差し込みます。熱電対センサーを EVAL-CN0394-ARDZ ボードに接続します。USB ポートを PC に接続します。4 つのチャンネルはそれぞれ熱電対用にオメガタイプのコネクタを使用しており、異なるタイプの熱電対の着脱が容易です。ボード上の全てのチャンネル(P1 ~ P4)が共通でかつ交換できるように、タイプ U のコネクタが選択されています。
ツール・チェーン・セットアップ・ユーザー・ガイドに従って、プロジェクト・デモコードを ADuCM360 IDE にロードします。
このソフトウェアは、CN-0394 ユーザー・ガイドに記載されているように、P1、P2、P3、P4 の熱電対のタイプに対応するように設定する必要があります。
プログラムの実行中は、出力データが計算されて端末の画面に表示されます。
Arduino とのフォーム・ファクタ互換の ARM Cortex-M3 開発プラットフォーム(EVAL-ADICUP360)の詳細については、EVAL-ADICUP360 ユーザー・ガイドを参照してください。
機能ブロック図
テスト・セットアップのブロック図を図 10に示します。

テスト
サンプル・コードを作成して EVAL-ADICUP360 にロードし、EVAL-CN0394-ARDZ を上に装着すると、デバイスは PC と通信し、絶えず更新して各チャンネルの以下の情報を表示します。
- チャンネル番号と熱電対のタイプ
- RTD の抵抗値
- 線形化された RTD 温度(冷接点温度)
- 線形化された熱電対温度
選択した熱電対の最終的に線形化された温度が ITS-90 の式で規定された範囲を外れると、警告メッセージが表示されます。その他の設定のオプションの詳細については、CN-0394 ユーザー・ガイドを参照してください。
EVAL-CN0394-ARDZ ボードの写真を図 11 に示します。




