概要
設計リソース
設計/統合ファイル
- Schematic
- Bill of Materials
- Gerber Files
- Allegro Files
- Assembly Drawing
評価用ボード
型番に"Z"が付いているものは、RoHS対応製品です。 本回路の評価には以下の評価用ボードが必要です。
- AD8368-EVALZ ($135.61) 800 MHz, Linear-in-dB VGA with AGC Detector
- ADL5902-EVALZ ($141.78) 50 MHz to 9 GHz 65 dB TruPwr™ Detector
機能と利点
- 800MHzの真のRMS応答パワー
- 約95dBの広い検出レンジ
- シングルサプライ
参考資料
-
MT-101: Decoupling Techniques2015/02/14PDF954 kB
-
MT-073: High Speed Variable Gain Amplifiers2015/02/14PDF177 kB
-
CN0340: 検出レンジ 95 dB の真の RMS RF 検出器2013/11/19PDF646 K
回路機能とその特長

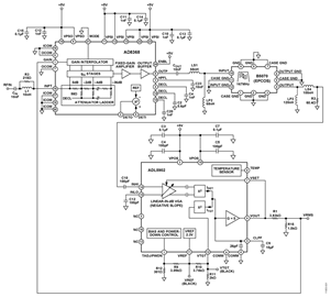
図1に示す回路は真のRMS応答パワー検出器で、可変ゲイン・アンプ(VGA)とRMS応答パワー検出器を使って約95dBの広い検出レンジを実現します。RMS検出器は、レシーバ、トランスミッタなど、信号パワーの正確な測定を必要とするアプリケーションに最適です。この回路はRMSパワーを測定するので、多様なクレスト・ファクタや変化するクレスト・ファクタのシステムでの使用に適しています。このようなシステムの例としては、QAM変調を使用したあらゆるシステムの他に、GSM/EDGE、CDMA、WCDMA、TD-SCDMA、LTEをベースにしたワイヤレス基地局などがあります。
ADL5902 RMS 検出器の検出レンジは65dBで、デシベル・リニアのAD8368 VGAを追加すれば、95dBまで拡張することができます。ADL5902のTADJ機能を使うことにより、回路全体の温度安定性が得られます。ノイズを低減して感度を上げるためにADL5902とVGAの間にSAWフィルタを配置します。また、これにより、回路の周波数範囲がSAWフィルタのパスバンド範囲まで縮小されます。
回路説明
デシベル・リニアな真のRMS応答RF検出器であるADL5902の65dBの検出レンジは、スタンドアロンの可変ゲイン・アンプを使って拡張することができます。VGAのゲイン制御入力はADL5902のVOUTピンから直接得られます。この方法では、VGAのゲイン制御レンジ分だけダイナミック・レンジを拡張できます(実際の拡張レンジはわずかに小さくなります)。このVGAがデシベル・リニア(指数)のゲイン制御機能も備えているときは、測定全体がデシベル単位でリニアにスケーリングされます。VGAのゲインは、ADL5902と同じように、ゲイン・バイアスの増加に応じて減少する必要があります。AD8368はこれらの条件を全て満たしています。図1に回路図を示します。
ADL5902のRMS計算回路はVGA平均化アーキテクチャを使用しています。負のゲイン制御勾配をもつ内蔵のデシベル・リニアVGAが、狭いレンジのRMS検出器の入力を駆動します。この検出器の出力レベルは、電流バランシング・アーキテクチャを使って2番目の設定ポイント検出器の出力と比較されます(一方の検出器が電流をソースし、他方が電流をシンクします)。2つの検出器の出力レベルが等しくない場合、残余電流がコンデンサを充電または放電します(容量は26pFの内部容量と、ADL5902のピン6(CLPF)の外部容量の並列組合わせに等しくなります)。この電流が積分されてVOUTの値が増減します。VOUTがADL5902 VGAのゲイン制御入力に直接接続されていると、2つの検出器の出力レベルが等しくなるまでVGAのゲインが増減します。このポイントに達すると、VOUTとVGAのゲインが一定値に安定します。ADL5902のVGAはデシベル・リニアの伝達関数を持っているので、VOUT電圧は入力信号のRMS値のログに比例します。
ADL5902の検出レンジは主に内部VGAのゲイン制御範囲で決まります。入力信号が小さくなるにつれ、VGAが最大ゲインに達するまで、VGAの制御電圧が減少します。大きく増加する入力信号では、最小ゲインに達するまでVGAのゲイン制御電圧が増加します(それによりVGAのゲインが減少します)。信号経路に可変ゲインを追加すると、回路の検出レンジが拡大されます。フィードバックされたVOUT信号はADL5902 VGAのゲイン制御入力とAD8368 VGAのゲイン制御入力の両方を駆動します。AD8368のMODEピンをローに接続して、ゲイン制御の勾配を負にする必要があります。これにより、AD8368 VGAは利得と減衰(GMAX = 22dB GMIN = −12dB)の両方を与えるので、ADL5902の公称レンジの上端と下端の両方で検出レンジが拡張されます。ただし、レンジの拡張を最適化するには、AD8368のゲイン制御ピンを駆動する電圧を正しくスケーリングする必要があります。
ADL5902 RMS検出器の公称出力電圧範囲は0V~3.5Vですが、AD8368 VGAの34dBのゲイン制御範囲全体を使うには、制御電圧範囲を0V~1Vにする必要があります。したがって、VOUTからの帰還電圧を3.5分の1にスケールダウンする必要があります。これは、抵抗分圧器(図1のR1とR15)を使って容易に実現することができます。
入力電力を167MHzで掃引した際に得られる伝達関数を図2に示します。キャリブレーション・ポイントを+15dBm、−15dBm、−55dB、−70dBmに設定した4ポイント・キャリブレーションを使って、最適直線性を達成することができます。2ポイント・キャリブレーションを使うこともできますが、入力電力範囲全体の直線性が低下します。
AD8368のオンボードRF検出器と自動レベル制御(ALC)機能は、この回路では使用されないことに注意してください。
したがって、AD8368のDETIピンとDETOピンはオープンのままにしておくことができます。

RF入力電力感度
図2に示されている優れた直線性を達成するには、図1に示すように、VGAと検出器の間に狭帯域フィルタを接続する必要があります。フィルタがないと、AD8368の広帯域出力ノイズがADL5902の下端の感度を上回ってしまいます。ADIsimRFで実行したAD8368の出力ノイズの計算画面のスクリーンショットを図3に示します。入力信号が最小のとき、AD8368 VGAのゲインは最大になります。3dB帯域幅が800MHzの場合は、1次のロールオフを仮定して、1272MHz(つまり、800MHzの1.57倍)の等価ノイズ帯域幅を使ってVGAの出力ノイズ電力を計算しました。その結果、出力ノイズの電力レベルは約−51dBmとなり、ADL5902の公称入力感度を約10dB上回っています。したがって、下端の感度を上げるには何らかのフィルタリングが不可欠です。
中心周波数が167MHzのEPCOS社のB5070 SAWフィルタを回路に追加した場合の同じノイズ計算を、図4に示します。この計算では、解析のための帯域幅を狭くして、SAWフィルタの帯域幅(18 MHz)と等しくしています。
ノイズ帯域幅を大幅に狭くしたのに加え、フィルタの挿入損失が7.3dBであることから、VGA/SAWの組み合わせの統合出力ノイズは−77dBmへと劇的に減少し、ADL5902 RMS検出器の入力感度を大きく下回りました。これにより、VGAが最大ゲインのとき回路がノイズによる制約を受けないことが保証されます。


温度安定性
ADL5902は温度補償機能を搭載しています。TADJピン(ピン1)の電圧を設定することにより、特定の動作周波数における検出器のインターセプト温度安定性を最適化することができます。図1に示すレンジ拡張回路では、VGAのゲインが温度によって変動すると、回路の全体的なドリフトが 1対 1で劣化します(すなわち、VGAのゲインの温度に対するドリフトが1dBのときは、全体的な温度安定性が1dBだけ劣化します)。AD8368 VGAの場合、AD8368 のデータシートの図5が示しているように、ゲインの温度に対するドリフトは約±0.7dBです。VGAのドリフト誤差はあらゆるゲインにおいて一定であることに注意してください。よって、検出器とVGAの温度ドリフトの特性は似ています。ADL5902のTADJピンの電圧を調整することによって、検出器とVGAの結合された温度ドリフトを補償することができます。動作周波数が167MHz の場合、TADJピンの電圧を0.2Vにすると最適な温度補償を実現できることが実験によって分かりました(図2参照)。
バリエーション回路
回路を修正して、別の中心周波数、帯域幅、フィルタの挿入損失に適合させることができます。前述のように、B5070フィルタを使用する場合、AD8368 VGAが最大ゲインのときADL5902への入力ノイズは−77dBmです。フィルタの帯域幅を広げると、ノイズ・レベルが上がります。VGAの出力ノイズ・レベルは検出器の入力感度レベル(約−60dBm)より低く抑えるのが理想的です。
フィルタの中心周波数を増減することもできます。中心周波数の増加は、最終的には(3dBコーナー周波数が800MHzの)AD8368 VGAの直線性の低下とゲイン制御範囲によって制限されます。中心周波数がもっと低いSAWフィルタを選択することもできますが、低周波数動作は(最低50MHzの周波数で動作する)ADL5902によって制限されます。この周波数リミットは、ADL5902内部のACカップリングによって決まります。
ディスクリートのLCフィルタをSAWフィルタの代わりに使用することができます。フィルタの帯域幅と挿入損失を考慮してください。
フィルタなしで回路を動作させることも可能です。ただし、こうすると、前述のように下端の感度が大きく制限されます。フィルタを使わない場合の出力電圧対入力電力のプロットを図5に示します。低入力電力レベルでの出力電圧と誤差のプロットにおける長い非線形の弧は、減少していく入力信号をVGAのノイズが上回っていくことを示しています。
AD8368 VGAの入力のマッチング・ネットワーク(L1、R3)は狭帯域マッチング回路ではありません。したがって、167MHz以外の動作周波数を選択しても、このネットワークはそのままにします。

ADL5902の代わりに、ADL5906デシベル・リニアRMS検出器を使うこともできます。ただし、このデバイスの温度補償機能は検出器のSLOPEの温度ドリフトを補償します(ADL5902のTADJ機能はINTERCEPTのドリフトを補償します)。AD8368 VGAの温度ドリフトは主にINTERCEPTに基づいているので、ADL5906の温度補償機能では、全体の温度ドリフトに対するVGAの影響は低下しません。
回路の動作周波数レンジは、広帯域フロントエンド・ミキサと周波数アジャイルなPLLシンセサイザを使って拡張することができます。この場合、測定される周波数はSAWフィルタの中心周波数までミキシングによって下げられます。このような回路の動作周波数レンジは、ミキサとPLLシンセサイザの周波数レンジによってのみ制限されます。
回路ノートCN-0178では、ADL5902の出力を12ビット高精度AD7466 ADCにどのようにインターフェースすることができるか説明しています。
CN-0340の全回路図、レイアウト・ファイル、および部品表がCN-0340設計支援パッケージ(www.analog.com/CN0340-DesignSupport)に含まれています。
回路の評価とテスト
この回路は、標準評価ボードを使い、ジャンパの設定に多少の修正と調整を加えることにより、簡単に作成することができます。AD8368とADL5902用の全ての部品を搭載した評価ボードがアナログ・デバイセズから提供されています(ADL5902-EVALZ, AD8368-EVALZ)。B5070 SAWフィルタ用の全ての部品を搭載した評価ボードは、EPCOS社から入手できます。このボードには、4個の必要なマッチング部品(図1のLS1、LP2、LS3、LP)が搭載されています。テスト・セットアップの機能図を図6に示します。

必要な装置
この回路ノートで説明する測定を行うには、以下の装置(または同等品)が必要になります。
- AD8368 評価ボード(AD8368-EVALZ)
- ADL5902評価ボード(ADL5902-EVALZ)(以下に説明するように修正を施したもの)
- 評価ボード上のSAWフィルタ(EPCOS B5070、167MHzまたは同等品)
- RF信号発生器:Agilent 8648C、Rohde & Schwarz SMT03またはSMIQ
- 5V、400mA の電源:Agilent E3631A
- マルチメータ:Agilent 34401A
セットアップとテスト
3つの評価ボードは全て50Ωのインターフェースを備えているので、SMA型バレルコネクタを使って直接接続することができます。ADL5902検出器の出力からAD8368 VGAのゲイン制御入力に戻る接続は、この接続の信号が低速なので、SMAケーブルまたはクリップ・リード線を使って簡単に実装することができます。ADL5902検出器の出力電圧をスケールダウンするのに必要な抵抗分圧器は、ADL5902評価ボードのR1(3.83kΩ)パッドとR15(1.5kΩ)パッドに表面実装抵抗を配置して実装できます。167MHzで回路の温度安定性を最適化するTADJ電圧は、2.3Vのオンチップ電圧リファレンスから得られ、R9/R12抵抗分圧器により設定することができます。TADJ電圧を推奨する0.2Vレベルに設定するには、R9を3.09kΩに変更します(R12は301Ωの既定値に保ちます)。
回路の評価に使用した主要な測定装置は、167MHzで動作するRF信号発生器(たとえば、Agilent社の8648C、Rohde & Schwarz社のSMT03、SMIQまたは同等品)、5V電源(Agilent社のE3631Aまたは同等品)、およびデジタル電圧計(たとえば、Agilent社の34401Aまたは同等品)です。
高精度RF検出器のパワー掃引では、検出器に与えられるソース電力を、RF電力計で測定することを一般に推奨します(たとえば、信号発生器からの信号を二分して、半分は検出器へ、半分はRF電力計に与えます)。ただし、この場合、RF電力計で95dBの検出レンジをカバーするのは非常に困難でした。このため、信号発生器の出力電力の表示値をソース電力の測定値として使用しました。したがって、出力電力レベルの表示値が、特に低レベルと高レベルで正確なことが知られているRF信号発生器を選択することを推奨します。
