概要
設計リソース
デバイス・ドライバ
コンポーネントのデジタル・インターフェースとを介して通信するために使用されるCコードやFPGAコードなどのソフトウェアです。
AD7192 IIO High Precision ADC GitHub Linux Driver Source Code
製品カテゴリ
マーケット & テクノロジー
使用されている製品
参考資料
-
MT-023: ADC Architectures IV: Sigma-Delta ADC Advanced Concepts and Applications2015/02/14PDF936 kB
-
MT-022: ADC Architectures III: Sigma-Delta ADC Basics2015/02/14PDF289 kB
-
MT-004: The Good, the Bad, and the Ugly Aspects of ADC Input Noise - Is No Noise Good Noise?2009/03/04PDF342 kB
回路機能とその特長
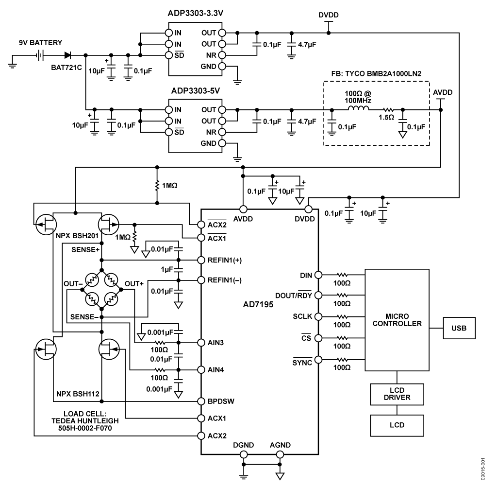
この回路はAC励起の(ブリッジの励起電圧としてAC電圧を利用する)重量計システムで、AD7195を使っています。このAD7195は、超低ノイズ、低ドリフトの24ビットΣΔ型ADCでPGA(プログラマブル・ゲイン・アンプ)を内蔵し、ロードセルのAC励起を実現するためのドライバを備えています。 AD7195は、システムのほとんどの構成要素がチップ上に含まれていますので、低オフセット・システムでの重量計の設計を簡素化できます。AD7195は、全出力データ・レート範囲、4.7Hz~4.8kHz、にわたって優れた性能を維持しますので、低速度だけでなくより速い速度で動作する重量計システムで使うことが可能です。

回路説明
AC励起では、ロードセルへの励起電圧の極性は、外部MOSFETを使って、切り替えられます。連続的な値が平均化されるため、DC励起時に発生するオフセットが除去されます。AD7195には、外部MOSFETのスイッチングを制御するロジックが内蔵されています。AD7195からのこのドライバ信号は、正確に調整されてオーバーラップが起こらないようになっていますので、ブリッジのドライブ電圧の極性が切り替わる時に、決して回路の短絡が起こらないようになっています。パワーアップ期間での短絡を防ぐために、プルアップおよびプルダウンの1MΩ抵抗がACX2とACX1に接続されています。
AD7195は、AC励起のロードセルに対して、集積化したソリューションを提供します。AD7195は、反転したリファレンス電圧を受け入れることができますが、これはロードセルへの励起電圧が反転したときに必要な機能です。AD7195は、AC励起と同期してAD変換を行い、平均化を実行します。わずか数個の外部部品を必要とするだけです:MOSFETトランジスタと共に、わずかな外付け部品、アナログ入力上のいくつかのフィルタおよびEMC対策のためのリファレンスピン上のコンデンサ、のみを必要とします。
ロードセルからの低レベル信号は、AD7195内のPGA(プログラム・ゲイン・アンプ)によって増幅されます。このPGAは128倍までのゲインで動作するようにプログラムされます。その後AD7195からの変換が、USBコネクタを介してPCに送り込まれます。ラボビュー(LabView™)ソフトを使って、変換データは重さに変換され、表示されます。
図2に、実際のテスト・セットアップを示します。ここでは、最適なシステム性能が得られるように、6線のロードセルが使われています。6線のロードセルは、2つのセンス・ピン、更に励起、グランドおよび2つの出力接続を備えています。センス・ピンは、ホイートストーン・ブリッジのハイサイドとローサイドに接続されています。したがって、ブリッジの両端に発生する電圧は、線抵抗によって降下する電圧に関わらず、高精度に計測することができます。更に、AD7195は差動のアナログ入力を備えており、差動のリファレンスを受けることができます。ロードセルの差動センスラインはAD7195のリファレンス入力に接続されており、レシオメトリック回路が構成されて、電源電圧と使用の励起電圧での低周波数の変動を除去します。更に、これは、それほど高精度のリファレンスを使う必要性がありません。4線のロードセルでは、センス・ピンがありませんのでADCのリファレンス・ピンを、励起ピン、EXC+とEXC-、に接続します。

この構成の場合、システムは完全なレシオメトリックにはなりません。EXC+/EXC-ピンとSENSE+/SENSE-ピンの間で、線抵抗による、電圧降下が起こるからです。
AD7195は、アナログ電源ピンとデジタル電源ピンを別々に持っています。アナログ部は5V電源電圧を使う必要があります。 デジタル部の電源電圧は、アナログ用の電源から独立しており、2.7V~5.25Vの間のいかなる電圧でも使うことが出来ます。 マイクロコントローラは一般的に3.3V電源を使っています。したがってDVDDも3.3Vから電源供給されます。このことは、一切の外部レベル・シフト回路を必要としないため、ADCとマイクロコントローラ間のインターフェースを簡素化します。
重量計システムの電源にはいくつかの方法があります。それは、メインの電源電圧バスから供給することも可能で、バッテリ電源(図1に示されています)から供給することも可能です。AD7195とロードセルが低ノイズの電源を受けられるように、5Vの低ノイズレギュレータが使われています。5V電源電圧を生成する低ノイズのレギュレータとしてADP3303(5V)が使われています。点線ボックス内に示されているフィルタ・ネットワークは、システムでの低ノイズのAVDDを確かにします。更に、ノイズ低減用コンデンサを、ADP3303(5V)のデータシート上で推奨しているように、レギュレータの出力に配置しています。EMC性能を最適化するために、レギュレータ出力は、AD7195とロードセルに供給する手前で、フィルタリングされています。3.3Vのデジタル電源は、ADP3303(3.3V)レギュレータを使って生成されています。AD7195およびロードセルへの全ての供給電源電圧を生成するには、低ノイズレギュレータを使うことが基本となります。電源電圧上のあるいはグランド・プレーン上のいかなるノイズにしろシステム内にノイズを引き起こし、回路性能を劣化させてしまうからです。
もし、2mV/Vの感度を備えた2kgのロードセルを使って、励起電圧が5Vのとき、ロードセルからのフルスケール信号は10mVとなります。ロードセルはオフセットまたはこれに関連する、TARE(風袋重量)、を持っています。システムのノイズは、ソフトによって計算され10nV rmsと51nVピークtoピークが得られました。.このことは、196,000のノイズ・フリー・カウントまたは17.5ビットのノイズ・フリー・コード分解能に、等しいことになります。(測定されたピークtoピーク・ノイズから計算されます)この風袋重量は、ロードセルのフルスケール出力信号の50%までの、大きさを持つことができます。またロードセルはゲイン誤差も持っており、これはフルスケールの±20%まで可能となっています。場合によっては、DACを使って、この風袋重量をキャンセルしてゼロにします。AD7195が5Vのリファレンスを使う場合、そのアナログ入力範囲は、ゲインを128倍に設定して、バイポーラ動作に構成した時には、±40mVに等しくなります。ロードセルのオフセットやゲイン誤差がADCのフロントエンドでのオーバーロードにならないため、ロードセルのフルスケール信号(10mV)に対して、このAD7195の広いアナログ入力範囲は有益です。
AD7195は、ファースト・フィルタ・ノッチを4.7Hzにプログラムしたとき、6nVのrmsノイズと40nVのピークtoピーク・ノイズを持ちます。これは、AC励起が使われた時(sinc4フィルタを使った場。
合)、1.17Hzの出力データ・レートに相当することになります。ノイズ・フリーのカウント数は次式になります:

実用的には、ロードセルは、それ自身、いくらかのノイズを引き起こします。図3は、ロードセル上に1kgの重さを置いて500回の変換を収集して、計測された出力性能を示しています。

図4では、コードではなく重さでの性能を示します。出力でのピークtoピーク変化量は、500回のコードにわたって0.01グラムとなっています。したがって、この重量計システムは0.01グラムの精度を達成しています。

このプロットは、ロードセルを付けたときAD7195からリードバックした、実際の(生の)変換結果を示しています。実用的には、重量計システム内にデジタルのポスト・フィルタが使われます。ポスト・フィルタで使われている追加の平均化処理によって、データ・レートの削減を伴いますが、ノイズ・フリーのカウント数は更に改善されます。
高精度回路を実現するためには、正しいレイアウト、グランディングおよびデカップリング技術を使う必要があります。チュートリアルMT-031データコンバータのグランディングとAGND/DGNDの不可解さの解決と、チュートリアルMT-101デカップリング技術を参照してください。 この回路ノートに関する完全な設計サポート・パッケージはhttps://www.analog.com/CN0155-DesignSupportで入手できます。
回路の評価とテスト
外部のロードセルとPCを除外すれば、図1の回路は、A7195の評価用ボード(EVAL-AD7195EBZ)に含まれています。標準のUSBコネクタ、J1を介して評価用ボードにインターフェースしてください。J1は、評価用ボードをPCのUSBポートに接続するために使われます。AD7195の評価用ボードには標準のUSB接続ケーブルが含まれており、評価用ボードをPCのUSBポートにインターフェースすることができます。AD7195の評価用ボードには、9Vのバッテリ、B1、を用いて、あるいは外部9V・DC電源をJ31に接続することによって、電源供給できます。この9Vはボード上のADP3303-5、高精度/低パワーの5V出力レギュレータ、を使って、安定化した5Vに降圧されます。リンクJ1を使って、この5VはAD7195への電源電圧として使うことが出来ます。このオプションを使うためには、リンクJ1を5VBATの位置に置く必要があります。
EVAL-AD7195EBZ評価用ボードとPC(Windows 2000, WindowsXP,またはWindows Vista (32-bit)、と外部ロードセルのみを必要とします。この回路ノートで表された結果を得るためには、Tedea Huntleigh社の505H-0002-F070ロードセルを使いました。このロードセルは評価用ボードと一緒に出荷されませんので、お客様によって製造業者より購入してください。
評価開始にあたって
EVAL-AD7195EBZ評価用ボードは、CDと一緒に出荷されます。このCDには、AD7195を制御するための、標準PCにインストールできる、ソフトが含まれています。このソフトは、ボードに添付されているUSBケーブルを通してAD7195と通信します。AD7195から読んだ変換データは、表示することも、後から解析するために保存することもできます。 AD7195の評価用ボードのソフトは、供給された評価用ボードのCDを使って、ボードをPCと接続する前に、インストールしてください。AD7195評価用ボードのユーザ・ガイド(CN0155 Design Support Packageを参照してください)に完全な詳細が記載されています。
評価用ボードのユーザ・ガイドに、このテスト・セットアップに関する基本的な機能ブロック図が示されています。(CN0155 Design Support Packageを参照してください)
AD7195評価用ボードのセットアップとテストに関する完全なインストラクションは、AD7195評価用ボードのユーザ・ガイドにあります。(CN0155 Design Support Packageを参照してください) ソフトウエアをインストールした後、AD7195の評価用ボードは、適切なリンク(ジャンパ)の設定によって外部ロードセルを使うように構成する必要があります。この設定はAD7195評価用ボードのユーザ・ガイドに説明されています。(CN0155 Design Support Packageを参照してください) 評価用ボードに電源を与える前にリンクの設定を再確認してください。
ロードセルを評価用ボードのヘッダJ4に接続します。重量計のデモの動作は、AD7195評価用ボードのユーザ・ガイドに説明されています。(CN0155 Design Support Packageを参照してください)

