概要
設計リソース
設計/統合ファイル
- Schematic
- Bill of Materials
- Gerber Files
- PADS Files
- Assembly Drawing
評価用ボード
型番に"Z"が付いているものは、RoHS対応製品です。 本回路の評価には以下の評価用ボードが必要です。
- EVAL-CFTL-6V-PWRZ ($23.01) Universal Power Supply
- EVAL-CN0287-SDPZ ($121.82) Isolated 4-Channel, Temperature Measurement Circuit Optimized
- EVAL-SDP-CB1Z ($134.00) Eval Control Board
デバイス・ドライバ
コンポーネントのデジタル・インターフェースとを介して通信するために使用されるCコードやFPGAコードなどのソフトウェアです。
AD719x GitHub no-OS Driver Source Code
ADT74x, ADT73x GitHub no-OS Driver Source Code
AD7192 IIO High Precision ADC GitHub Linux Driver Source Code
機能と利点
- 4 チャンネル熱電対/RTD 温度計測システム
- 完全絶縁型電源
- 入力保護
製品カテゴリ
マーケット & テクノロジー
使用されている製品
参考資料
-
AN-615: ピークtoピーク分解能 対 有効分解能 (Rev. 0)2004/12/21PDF139 kB
-
CN-0287 Software User Guide2018/10/22WIKI
-
MT-101: Decoupling Techniques2015/02/14PDF954 kB
-
MT-049: Op Amp Total Output Noise Calculations for Single-Pole System2015/02/14PDF40 kB
-
MT-035: Op Amp Inputs, Outputs, Single-Supply, and Rail-to-Rail Issues2015/02/14PDF115 kB
-
MT-004: The Good, the Bad, and the Ugly Aspects of ADC Input Noise - Is No Noise Good Noise?2009/03/04PDF342 kB
回路機能とその特長
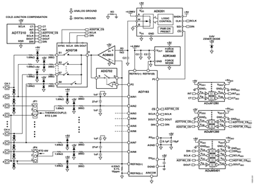
図1に示す回路は、性能、入力柔軟性、堅牢性、およびコストに対して最適化された完全絶縁型の4チャンネル温度計測回路です。この回路は、冷接点補償機能を備えた全てのタイプの熱電対と2線、3線、または4線接続構成に対する抵抗が最大4kΩのあらゆるタイプのRTD(抵抗温度検出器)をサポートします。
RTD励起電流は最適なノイズ性能と直線性性能を得るように設定可能です。
RTD計測では0.1℃の標準精度を実現し、K型熱電対計測では、冷接点補償にADT7310 16ビット・デジタル温度センサーを使用することにより0.05℃の標準精度を実現します。この回路は、高精度と低ノイズを実現するために、PGAを内蔵したAD7193 4チャンネル24ビット・シグマデルタADCを使用しています。
入力のトランジェントおよび過電圧の保護は、低リークの過渡電圧サプレッサ(TVS)とショットキー・ダイオードによって行われます。SPI互換のデジタル入力および出力は絶縁されており(2500V rms)、回路は完全絶縁型電源で動作します。

回路説明
温度計測の概要
熱電対とRTD(抵抗温度検出器)は、工業用アプリケーションの温度計測で最も頻繁に使用されるセンサーです。熱電対は最大約+2300℃の非常に高い温度計測が可能で、応答時間も高速です(数分の1秒で測定)。RTDは、熱電対よりも精度と安定性を上げることが可能で、3線または4線接続でのリモートRTDまでの長いワイヤ(数百メートル)の抵抗を補償することができます。
熱電対は一端を異なる金属で接合した2本のワイヤで構成されます。この一端は温度を測定する箇所に置かれ、計測接点と呼ばれます。他端は高精度電圧計測ユニットに接続され、この接続点は基準接点または冷接点と呼ばれます。計測接点と冷接点の温度差により、2つの接点の温度差に依存する電圧(ゼーベック効果電圧と呼ばれる)が発生します。発生する信号は通常、温度差に応じて数マイクロボルトから数十ミリボルトの範囲です。
たとえば、K型熱電対は、約−10mV~+60mVの出力範囲で−200℃~+1350℃の計測が可能です。電圧計測で精度を最大にするには、シグナル・チェーンをできるだけ高インピーダンスかつ低リークに保つことが重要です。この電圧を絶対温度に変換するため、正確な冷接点温度を知る必要があります。従来から1℃~2℃の精度で十分と考えられてきましたが、冷接点の測定誤差が絶対温度誤差に直接起因するため、高精度の冷接点温度計測が有効です。
RTDは、プラチナ、ニッケル、銅などの純粋な素材で作られており、温度の変化による抵抗の変化を予測することができます。最も一般的に使われているRTDはプラチナ(Pt100およびPt1000)です。
抵抗値を正確に測定するのに使われる1つの方法は、定電流源によって生じるRTD両端の電圧を測定することです。電流源の誤差は、この測定値を同じ電流で駆動されるリファレンス抵抗両端に生じる電圧と比較することによってキャンセルすることができます(すなわち比例測定)。自己発熱を抑えるために励起電流は一般に数百マイクロアンペアしか流れないので、高精度を実現するには電流経路を流れるリーク電流を最小限に抑えることが重要です。
工業分野のアプリケーションでは、性能を高めること、ならびに高電圧トランジェントとDC過電圧状態の両方に対する保護が設計に関する重要な検討事項です。
この回路の動作の仕組み
図1の回路は、工業分野の環境における高精度温度計測アプリケーション向けに設計されたもので、柔軟性、性能、堅牢性、コストに対して最適化されています。この回路ではAD7193低ノイズ24ビット・シグマデルタADCが使われており、回路全体の高分解能と高直線性が確保されています。
AD5201 33ポジション・デジタル・ポテンショメータ、AD8603オペアンプ、ADG702シングル・チャンネル・スイッチにより、RTD計測と熱電対計測用のシンプルなプログラマブル電流源とバイアス電圧バッファを構成しています。ADG738は、電流源をアクティブなRTDチャンネルまで送り、3線RTD構成に対するワイヤ抵抗の補償を可能にします。
ADT7310デジタルSPI温度センサーは、−40℃~+105℃の範囲の最大精度が±0.8℃(+5V電源)で、熱電対計測の冷接点補償に使用されます。ADR3440は、熱電対計測用のAD7193のREFIN1(+)とREFIN1(−)に接続された低ノイズ、高精度の4.096Vリファレンスです。
A/Dコンバータ
AD7193は、高性能計測アプリケーション向け、低ノイズ、全機能内蔵のアナログ・フロントエンドです。このデバイスは低ノイズ、24ビットのシグマデルタ(ΣΔ)型A/Dコンバータ(ADC)から成っています。このADCは、高分解能、低非直線性、低ノイズとともに、50Hz/60Hzの大幅な除去を実現します。データ出力レートは、4.7Hz(24ビットの実効分解能、ゲイン= 1)から4.8kHz(18.6ビットの実効分解能、ゲイン= 1)まで変更可能です。内蔵の低ノイズPGAが熱電対またはRTDからの小さな差動信号を1~128の範囲に設定可能なゲインで増幅するので、直接インターフェースすることができます。ゲイン段のバッファは入力インピーダンスが高く、入力リーク電流を最大±3nAに制限します。AD7193のゲインは、温度範囲とセンサーのタイプに応じて適切に設定する必要があります。内蔵のマルチプレクサにより4つの差動入力チャンネルが同じADCコアを共有することができるので、スペースとコストが節約されます。
RTD用プログラマブル電流源と熱電対用バイアス電圧発生回路
RTD計測は、RTDとリファレンス抵抗を駆動する低ノイズ電流源を必要とします。それに対して、熱電対計測は、小さな熱電対電圧をAD7193の入力範囲にシフトする同相バイアス電圧を必要とします。図2に示す回路は、どちらの要件も満たし、最大入力バイアス電流がわずか1pAで最大オフセット電圧が50μVのAD8603低ノイズCMOSレールtoレール入力/出力オペアンプを、ADG702シングル・チャンネルCMOS低電圧2Ω SPSTスイッチおよびADG738 8チャンネル・マトリックス・スイッチと組み合わせて使用しています。

ADG738をオープンにしてADG702をクローズにすると、AD8603は熱電対アプリケーション向けの低ノイズ、低出力インピーダンスのユニティゲイン・バッファとして機能します。AD5201デジタル・ポテンショメータからの電圧がバッファされ、熱電対の同相電圧に使用されます。この電圧は通常、電源電圧の半分の2.5Vです。精度を上げるため、AD5201 33ポジション・デジタル・ポテンショメータはADR3440低ドリフト(5ppm/℃)4.096Vリファレンスで駆動されます。
ADG738をクローズにしてADG702をオープンにすると、AD8603はRTD励起電流 IEXC = VW/RREFを発生します。
温度計測は高精度で低速度のアプリケーションなので、4つ全てのチャンネル間で1つの電流源を切り替えるのに十分なセトリング時間が得られ、優れたチャンネル間マッチング、低コスト、小さなPCB実装面積を実現できます。
ADG738はチャンネル間で電流源を切り替える8:1マルチプレクサです。2線、3線、および4線のRTD構成をサポートするため、4つのチャンネルにはそれぞれ2個のスイッチが必要です。
多くのアプリケーションでは、RTDを計測回路から離して配置する場合があります。特に低抵抗のRTDでは、長いリード線による抵抗が大きな誤差を生じる可能性があります。リード線の抵抗の影響を最小限に抑えるため、図3に示す3線RTD構成がサポートされています。

ADG738のS1をクローズにしてS2をオープンにすると、AD7193の入力電圧はV1になります。S1をオープンにしてS2をクローズにすると、AD7193の入力電圧はV2になります。RTDセンサー両端の電圧はVRTD、電流源による励起電流はIEXCです。次式に示すように、V1とV2にはリード抵抗から生じる誤差が含まれます。

RW1 = RW2 = RW3と仮定して式1~式3を組み合わせると次のようになります。

式5は、3線構成ではRRTDを計算するために2つの異なる計測(V1およびV2)が必要なことを示しており、そのために出力データ・レートが低くなります。ほとんどのアプリケーションでは、これは問題になりません。
4線RTD接続では2本の検出ラインを追加する必要がありますが、配線抵抗の影響を受けないので、1つの計測しか必要としません。
図4は、RTD 2線、RTD 3線、RTD 4線、および熱電対アプリケーション用のコネクタの構成とジャンパの位置をまとめたものです。

図4. EVAL-CN0287-SDPZボードのコネクタの構成とジャンパの位置
保護回路
製造時もフィールドでもトランジェント状態と過電圧状態は起こり得ます。高レベルの保護を行うには、ICに内蔵された保護回路を補完するために外付け保護回路を追加する必要があります。外付け保護回路により、容量、抵抗、およびリーク電流が加わります。高レベルの精度を実現するには、これらの影響を慎重に検討する必要があります。追加の保護回路を図5に示します。

リーク電流はRTD計測に多大な影響を与える可能性があるので、慎重に検討する必要があります。また、熱電対の長いリード線に大きな抵抗がある場合、リーク電流により熱電対計測にある程度の誤差が生じる可能性があります。
この回路では、PTVS30VP1UP過渡電圧サプレッサ(TVS)が、25℃のときにわずか1nAの標準リーク電流であらゆる過渡電圧を30Vに即座にクランプします。30VDCの過電圧に対応するため、30VのTVSが選択されました。1.69kΩの抵抗の後に低リークのBAV199LT1Gショットキー・ダイオードを使って、トランジェントとDC過電圧が生じたときに電圧を5V電源レールにクランプします。1.69kΩの抵抗は、30VのDC過電圧状態の間に外付けダイオードを流れる電流を約15mAに制限します。電源レールがこの電流を確実にシンクできるようにするため、ツェナー・ダイオードを使って電源レールをクランプし、電源に接続されたすべてのICの絶対最大定格を超えないようにします。この目的のために5.6Vのツェナー・ダイオード(NZH5V6B)が選択されています。300Ωの抵抗は、AD7193やADG738にさらに流れ込む可能性がある電流を制限します。
アイソレーション
ADuM5401とADuM1280は、アナログ・デバイセズのiCoupler®技術を採用し、回路の計測側とコントローラ側の間に2500V rmsの絶縁電圧を提供します。ADuM5401は、回路の計測側に絶縁電源の供給も行います。ADuM5401で採用されているisoPower技術は、トランスを介して電力を転送するために、高周波のスイッチング素子を使用しています。プリント回路ボード(PCB)のレイアウトでは、放射規格を満たすように特別な注意が必要です。ボード・レイアウトに関する推奨事項については、アプリケーションノートAN-0971を参照してください。
熱電対構成のテスト結果
回路の性能はセンサーとAD7193の構成に大きく依存します。K型熱電対の出力は−200℃~+1350℃の範囲に相当する−10mV~+60mVの範囲で変化します。AD7193のPGAはG = 32に設定されています。PGAの出力電圧振幅は−320mV~+1.92V、つまり2.24V p-pです。チョッパをイネーブルし、50Hz/60Hzノイズ低減をイネーブルし、フィルタ・ワードをFS[9:0] = 96としたときの、1024サンプルのノイズ分布ヒストグラムを図6に示します。

AD7193の分解能は24ビット、つまり224 = 16,777,216 コードです。AD7193の全ダイナミック・レンジは2 × VREF = 2 × 4.096V = 8.192Vです。熱電対のPGAの後の出力電圧はわずか2.24V p-pなので、AD7193のダイナミック・レンジの全てを占めることはありません。したがって、システムの範囲は2.24V/8.192Vに縮小します。
ノイズ分布はピークtoピークで約40コードです。2.24V p-pの計測範囲でのノイズフリー・コードの分解能は次式で与えられます。

K型熱電対のフルスケール温度範囲は−200℃~+1350℃、つまり1550℃ p-pです。したがって、16.8ビットのノイズフリー・コードの分解能は0.013℃のノイズフリー温度の分解能に相当します。
熱電対計測の直線性
K型熱電対システムのおおよその直線性を図7に示します。「冷接点」温度はこのプロットでは0℃です。

キャリブレーションおよびテスト用の高精度電圧は、分解能が10nVのFluke 5700Aキャリブレータの高精度DC電圧源によって供給されます。図8の電圧誤差は理想値の0.2μV以内で、約0.004℃に相当します。この結果は、温度ドリフトに影響されない25℃でのシステム・キャリブレーション直後の短時間の精度の値です。この回路の主要な誤差は冷接点補償計測に起因します。この回路では冷接点補償用にADT7310が使用され、5V電源での−40℃~+105℃の温度範囲における標準誤差は−0.05℃、ワーストケース誤差は±0.8℃です。3V電源を使用した場合、このデバイスのこの温度範囲における最大誤差は±0.4℃です。

RTD構成のテスト結果
Pt100 RTDでは、デフォルトのADCゲイン設定はG = 8、Pt1000 RTDでは、デフォルトのゲイン設定はG = 1です。ADCのリファレンス電圧は4.02kΩのリファレンス抵抗両端の電圧に等しい値です。Pt100 RTDの温度係数は約0.385Ω/℃であり、+850℃では抵抗は最大400Ωになる可能性があります。デフォルトの励起電流が400μAなので、最大RTD電圧は約160mVになります。ADCのリファレンス電圧は4.02kΩ × 400μA = 1.608Vです。G = 8の場合、最大RTD電圧は160mV × 8 = 1.28Vで、利用可能な範囲の約80%です。
Pt1000 RTDでは、+850℃での最大抵抗は約4000Ωです。デフォルトの励起電流は380μAで、最大RTD電圧は1.52Vになります。ADCのリファレンス電圧は4.02kΩ × 380μA = 1.53Vです。G = 1のデフォルト・ゲイン設定値が使用され、最大RTD電圧は利用可能な範囲の大半を使用します。
ADCコード(Code)、分解能(N)、リファレンス抵抗(RREF)およびゲイン(G)から成るRTD抵抗Rの一般式は次式で与えられます。

TVSダイオード、クランプ・ダイオード、およびADCからのリーク電流はRTD計測回路の最大の誤差源ですが、この設計ではナノアンペアのデバイスが選択されています。
各入力の総合リーク電流は9nAです(AD7193から3nA(バッファ・オン)、クランプ・ダイオードから5nA、TVSダイオードから1nA)。したがって、4つ全てのチャンネルで最大36nAのリーク電流を生じます。図2の帰還ループはリファレンス抵抗を流れる電流を一定に保ちます。つまり、リーク電流がRTD励起電流に影響を与えることによって誤差が生じます。デフォルトの励起電流はPt100の場合400μA、Pt1000の場合は380μAです。Pt100 RTDのリーク電流によるワーストケースのシステム誤差の概算は次のようになります。

計測可能な範囲が−200℃~+850℃のPt100の場合、これはほぼ次のシステム精度に相当します。

誤差の大きさは入力端子の構成に依存します。入力構成が確立されると、室温キャリブレーションで誤差をさらに減らすことができます。
リーク電流の影響を示すための1つの実験が行われました。各チャンネルはまず4線RTDとして構成されました。RTDが位置するチャンネル1には100Ωの固定抵抗が接続されました。その他の3つのチャンネルの入力にはゼロ・オーム抵抗が接続されました。
ゲインはG = 1に、励起電流は380μAに設定されました(Pt1000の設定)。
データが収集されたら、チャンネル4、チャンネル3、およびチャンネル2を接続しているジャンパを順次取り外すことで、各状態のデータが収集されました。結果を図9に示します。

ADCコードは約437,800から437,600に変化しました。これは104.9015Ωから104.8627Ωへの計測値の変化、つまり0.0388Ωに相当します。これは約0.1℃の計測誤差を表しますが、この誤差は入力構成を固定して室温でキャリブレーションを行うことによって除去することができます。
回路の評価とテスト
この回路は、EVAL-CN0287-SDPZ回路ボードとSDP-B(EVAL-SDP-CB1Z)システム・デモ用プラットフォーム・コントローラ・ボードを使用します。2枚のボードは120ピン・コネクタを備えているので、短時間で組み立てて回路の性能を評価することができます。EVAL-CN0287-SDPZボードには、この回路ノートで説明したように、評価対象の回路が含まれています。SDP-Bコントローラ・ボードは、EVAL-CN0287-SDPZ回路ボードからデータをキャプチャするためにCN-0287評価用ソフトウェアと併用します。
必要な装置
以下の装置類が必要になります。
- USBポート付きWindows® XP(32ビット)、Windows Vista®、またはWindows® 7搭載PC
- EVAL-CN0287-SDPZ回路ボード
- EVAL-SDP-CB1Z SDP-Bコントローラ・ボード
- CN-0287 SDP評価用ソフトウェア
- EVAL-CFTL-6V-PWRZ DC電源または等価な6V/1Aベンチ電源
- RTDや熱電対のセンサーまたはセンサー・シミュレータ(評価用ソフトウェアは、RTDではPt100とPt1000を、熱電対ではK型、J型、T型、S型をサポートします。)
評価開始にあたって
CN-0287評価用ソフトウェアのCDをPCのCDドライブにセットして、評価用ソフトウェアをインストールします。マイコンピュータから評価用ソフトウェアCDを挿入したドライブを探します。
機能ブロック図
回路ブロック図については図1を、全体回路図についてはEVAL-CN0287-SDPZ-PADSSchematic.pdfファイルをご覧ください。このファイルはCN0287 Design Support Package(www.analog.com/CN0287-DesignSupport)に含まれています。テスト・セットアップの機能ブロック図を図10に示します。

セットアップ
EVAL-CN0287-SDPZ回路ボードの120ピン・コネクタをEVAL-SDP-CB1Zコントローラ・ボード(SDP-B)のCON Aコネクタに接続します。120ピン・コネクタの両端にある穴を利用し、ナイロン製ハードウェアを使って2枚のボードをしっかり固定します。電源をオフにして、6V電源をボードの+6VピンとGNDピンに接続します。6VのACアダプタがある場合は、ボード上のACアダプタ用ジャックJ2に接続して、6V電源の代わりに使用することができます。SDP-Bボードに付属しているUSBケーブルをPCのUSBポートに接続します。このとき、USBケーブルをSDP-BボードのミニUSBコネクタに接続しないでください。
6V電源をオンして評価用ボードとSDPボードをパワーアップしてから、ミニUSBケーブルをSDPボードのミニUSBポートに挿入します。
テスト
評価用ソフトウェアを立ち上げます。USBによる通信が確立されると、SDP-Bボードを使ってEVAL-CN0287-SDPZボードとの間のデータの送受信およびキャプチャを行うことができます。
SDPボードに接続されたEVAL-CN0287-SDPZ評価用ボードの写真を図11に示します。SDP-Bボードについては、SDP-Bユーザー・ガイドを参照してください。
テスト・セットアップとキャリブレーションについての情報と詳細、およびデータ・キャプチャのための評価用ソフトウェアの使い方については、CN-0287ソフトウェア・ユーザー・ガイドをご覧ください。
プロトタイプ開発での接続
EVAL-CN0287-SDPZ評価用ボードはEVAL-SDP-CB1Zボードを使用するように設計されていますが、マイクロプロセッサを使用することにより、PMODコネクタJ6を介してSPIインターフェースとインターフェースすることができます。PMODコネクタのピンの定義については、CN-0287 Design Support PackageのCN0287評価用ボードの回路図を参照してください。その他のコントローラをEVAL-CN0287-SDPZ評価用ボードと併用するためには、サードパーティによるソフトウェア開発が必要になります。


