製品概要
製品概要
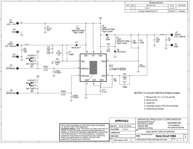
Demonstration circuit 1280A is a dual output converter featuring the LT3471EDD in Boost and Inverter configurations. Both converters are powered from the same 4.5V to 10V input source. The Boost converter puts out 12V at 300mA and the Inverter -12V at 200mA. The demo circuit demonstrates small size and low component count. The LT3471 operates with inputs as high as 16V but in this demo board the input is limited by the magnitude of the Boost output. In a Boost converter the input needs to be less than the output. The DC1280A is designed so that the Inverting converter can easily be configured as a Boost. Instructions are included in the schematic. Both circuits are designed to demonstrate the soft start feature, advantages of the 1.2MHz switching frequency and the internal 42V/1.3A switches.
関連資料
-
DC1280A - Schematic2009/09/24PDF57K
-
DC1280A - Demo Manual2009/09/24PDF375K
-
DC1280A - Design File2009/09/24ZIP1M




