MAX9727

製造中止

3VRMS出力、クワッドオーディオラインドライバ

単一5V電源で2VRMS信号を出力するクワッドオーディオラインドライバ(3.3VのVDD付き1.6VRMS)

利用上の注意

本データシートの英語以外の言語への翻訳はユーザの便宜のために提供されるものであり、リビジョンが古い場合があります。最新の内容については、必ず最新の英語版をご参照ください。

なお、日本語版のデータシートは基本的に「Rev.0」(リビジョン0)で作成されています。そのため、英語版が後に改訂され、複数製品のデータシートがひとつに統一された場合、同じ「Rev.0」の日本語版のデータシートが異なる製品のデータシートとして表示されることがあります。たとえば、「ADM3307E」の場合、日本語データシートをクリックすると「ADM3311E」が表示されます。これは、英語版のデータシートが複数の製品で共有できるように1本化され、「ADM3307E/ADM3310E/ADM3311E/ADM3312E/ADM3315E」(Rev.J)と改訂されたからで、決して誤ってリンクが張られているわけではありません。和文化されたデータシートを少しでも有効に活用していただくためにこのような方法をとっておりますので、ご了解ください。

アナログ・デバイセズ社は、提供する情報が正確で信頼できるものであることを期していますが、その情報の利用に関して、あるいはその利用によって生じる第三者の特許やその他の権利の侵害に関して一切の責任を負いません。また、アナログ・デバイセズ社の特許または特許の権利の使用を明示的または暗示的に許諾するものでもありません。仕様は予告なしに変更する場合があります。本紙記載の商標および登録商標は、各社の所有に属します。

Viewing:

製品情報

  • 単一電源動作:2.7V~5.5V
  • 高PSRR:100dB
  • 信号対ノイズ比(SNR):109dB
  • グランド基準出力
  • 電源の投入/切断時の可聴クリック/ポップを排除
  • 差動入力
  • 3VRMSを1kΩ負荷に供給(5Vの場合)
  • 2VRMSを1kΩ負荷に供給(3.3Vの場合)
  • チャネル当りの消費電流:3mA
  • ユニティゲインで安定
  • 低電力シャットダウンモード:100nA
  • CLOAD駆動:220pFを超える
  • ±8kVのHBM ESD保護出力

3VRMS出力のクワッドオーディオラインドライバのMAX9727は、基板面積とコストを重視するポータブルオーディオデバイスに最適です。このデバイスは、単一電源からグランド基準出力を生成するマキシムのDirectDrive®アーキテクチャを採用しているため、大容量出力コンデンサが不要になり、コスト、基板面積、および部品の高さを縮小します。100dBの高PSRRと0.0005%の低THD+Nによって、クリーンで低歪みのオーディオ信号の増幅を実現します。MAX9727の各アンプは、+5Vの単一電源による動作時に、0.003%を下回るTHD+Nで3VRMSを1kΩの負荷に供給することができます。MAX9727の各アンプは、+3.3Vの単一電源による動作時に、0.003%を下回るTHD+Nで2VRMSを1kΩの負荷に供給することができます。

シャットダウン入力を使ってアンプをディセーブルして、自己消費電流を、100nAを下回るまで低減します。MAX9727は、起動とシャットダウン時の可聴クリック/ポップを低減するマキシムの包括的なクリック/ポップ抑制回路を内蔵しています。

MAX9727は2.7V~5.5Vの単一電源で動作し、その消費電流はチャネル当りわずか3mAで、-40℃~+85℃の拡張温度範囲での動作が保証されています。

アプリケーション

  • A/Vレシーバ
  • CDおよびDVDプレーヤー
  • 民生用およびプロ用オーディオ機器
  • ポータブルオーディオ機器
  • セットトップボックス
  • サウンドカード

MAX9727
3VRMS出力、クワッドオーディオラインドライバ
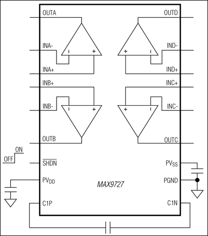
MAX9727:標準動作回路
myAnalogに追加

myAnalogの製品セクション(通知受け取り)、既存/新規プロジェクトに製品を追加する。

新規プロジェクトを作成
質問する
サポート

アナログ・デバイセズのサポート・ページはアナログ・デバイセズへのあらゆるご質問にお答えするワンストップ・ポータルです。


ドキュメント

さらに詳しく
myAnalogに追加

myAnalogのリソース・セクション、既存/新規プロジェクトにメディアを追加する。

新規プロジェクトを作成

ソフトウェア・リソース

必要なソフトウェア/ドライバが見つかりませんか?

ドライバ/ソフトウェアをリクエスト

評価用キット

MAX9727EVKIT

MAX9727の評価キット

機能と利点

  • 単一電源動作:2.7V~5.5V
  • グランド基準出力
  • 容易に構成可能な汎用オペアンプを4個搭載のEVキット
  • 5V電源で3VRMSを1kΩ負荷に供給
  • 信号対ノイズ比(SNR):109dB
  • 電源の投入/切断時の可聴クリック/ポップを排除
  • 表面実装構造
  • 完全実装および試験済み

製品詳細

MAX9727の評価キット(EVキット)は、MAX9727を4個の汎用オペアンプとして構成する完全実装および試験済みPCBです。このEVキットは、MAX9727を反転アンプ、非反転アンプ、差動アンプ、または積分器として動作させる部品を備えています。

MAX9727のEVキットは、2.7V~5.5VのDC電源で動作します。MAX9727のDirectDrive®機能は、出力に出力コンデンサを必要とせずにグランドの上下にスイングする出力を備えています。

アプリケーション

  • A/Vレシーバ
  • CDおよびDVDプレーヤー
  • 民生用およびプロ用オーディオ機器
  • ポータブルオーディオ機器
  • セットトップボックス
  • サウンドカード

MAX9727EVKIT
MAX9727の評価キット

最新のディスカッション

MAX9727に関するディスカッションはまだありません。意見を投稿しますか?

EngineerZone®でディスカッションを始める

最近表示した製品