MAX9404

クワッドECL/PECLバッファ/レシーバ

利用上の注意

本データシートの英語以外の言語への翻訳はユーザの便宜のために提供されるものであり、リビジョンが古い場合があります。最新の内容については、必ず最新の英語版をご参照ください。

なお、日本語版のデータシートは基本的に「Rev.0」(リビジョン0)で作成されています。そのため、英語版が後に改訂され、複数製品のデータシートがひとつに統一された場合、同じ「Rev.0」の日本語版のデータシートが異なる製品のデータシートとして表示されることがあります。たとえば、「ADM3307E」の場合、日本語データシートをクリックすると「ADM3311E」が表示されます。これは、英語版のデータシートが複数の製品で共有できるように1本化され、「ADM3307E/ADM3310E/ADM3311E/ADM3312E/ADM3315E」(Rev.J)と改訂されたからで、決して誤ってリンクが張られているわけではありません。和文化されたデータシートを少しでも有効に活用していただくためにこのような方法をとっておりますので、ご了解ください。

アナログ・デバイセズ社は、提供する情報が正確で信頼できるものであることを期していますが、その情報の利用に関して、あるいはその利用によって生じる第三者の特許やその他の権利の侵害に関して一切の責任を負いません。また、アナログ・デバイセズ社の特許または特許の権利の使用を明示的または暗示的に許諾するものでもありません。仕様は予告なしに変更する場合があります。本紙記載の商標および登録商標は、各社の所有に属します。

Viewing:

製品情報

  • 差動二重スイングECL/PECL出力
  • 入力はLVECL/LVPECLに対応
  • 保証差動出力:900mV (3.0GHzクロック速度時)
  • 伝搬遅延:365ps (非同期モード時)
  • チャネル間のスキュー:10ps (同期モード時)
  • 内蔵入力終端:100Ω (MAX9404)
  • +3.3V/+5.0Vの公称電源電圧とコンパチブル
  • 選択可能な同期/非同期動作
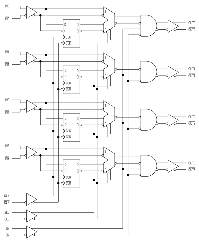
  • MAX9401/MAX9404は、データ/クロック信号用の超高速、低スキュー、クワッドECL/PECL差動バッファ/レシーバです。4個のチャネルを外付けクロックと同期して、または非同期モードで動作させることができます。これはSEL入力の状態で設定します。イネーブル入力は、全出力を差動ロー状態にする機能を備えています。

    MAX9401の入力はハイインピーダンス(オープン)、MAX9404の入力は100Ωの差動入力終端です。このため、外付け部品点数が削減されます。両デバイスには、長いケーブルの駆動に最適な二重振幅スイングオープンエミッタ出力を備えています。MAX9401/MAX9404は、VCC - VEE = +3.0V~+5.5Vの電源電圧で動作し、-40℃~+85℃の温度範囲での動作が保証されています。これらのデバイスは、省スペース32ピン、5mm x 5mmのQFN裏面放熱パッド(EP)パッケージおよびTQFPパッケージで提供されます。

    アプリケーション

    • 自動試験装置(ATE)
    • 電話局バックプレーンクロック分配
    • データおよびクロックドライバおよびバッファ
    • DSLAMバックプレーン
    • ワイヤレス基地局

    MAX9404
    クワッドECL/PECLバッファ/レシーバ
    MAX9401、MAX9404:ファンクションダイアグラム
    myAnalogに追加

    myAnalogの製品セクション(通知受け取り)、既存/新規プロジェクトに製品を追加する。

    新規プロジェクトを作成
    質問する
    サポート

    アナログ・デバイセズのサポート・ページはアナログ・デバイセズへのあらゆるご質問にお答えするワンストップ・ポータルです。


    ドキュメント

    さらに詳しく
    myAnalogに追加

    myAnalogのリソース・セクション、既存/新規プロジェクトにメディアを追加する。

    新規プロジェクトを作成

    最新のディスカッション

    MAX9404に関するディスカッションはまだありません。意見を投稿しますか?

    EngineerZone®でディスカッションを始める

    最近表示した製品