MAX9374A

製造中

差動LVPECL-LVDSトランスレータ

利用上の注意

本データシートの英語以外の言語への翻訳はユーザの便宜のために提供されるものであり、リビジョンが古い場合があります。最新の内容については、必ず最新の英語版をご参照ください。

なお、日本語版のデータシートは基本的に「Rev.0」(リビジョン0)で作成されています。そのため、英語版が後に改訂され、複数製品のデータシートがひとつに統一された場合、同じ「Rev.0」の日本語版のデータシートが異なる製品のデータシートとして表示されることがあります。たとえば、「ADM3307E」の場合、日本語データシートをクリックすると「ADM3311E」が表示されます。これは、英語版のデータシートが複数の製品で共有できるように1本化され、「ADM3307E/ADM3310E/ADM3311E/ADM3312E/ADM3315E」(Rev.J)と改訂されたからで、決して誤ってリンクが張られているわけではありません。和文化されたデータシートを少しでも有効に活用していただくためにこのような方法をとっておりますので、ご了解ください。

アナログ・デバイセズ社は、提供する情報が正確で信頼できるものであることを期していますが、その情報の利用に関して、あるいはその利用によって生じる第三者の特許やその他の権利の侵害に関して一切の責任を負いません。また、アナログ・デバイセズ社の特許または特許の権利の使用を明示的または暗示的に許諾するものでもありません。仕様は予告なしに変更する場合があります。本紙記載の商標および登録商標は、各社の所有に属します。

Viewing:

製品情報

  • 保証動作周波数:2.0GHz
  • 伝搬遅延:250ps (typ)
  • ジッタ:1.0psRMS (typ)
  • 低電圧電源範囲:2.375V~2.625V (MAX9374)
  • シングルエンド入力用のVBBリファレンス内蔵
  • 入力のオープン時に出力をローに設定
  • 出力はANSI TIA/EIA-644 LVDS規格に準拠
  • ESD保護:2.0kV以上(ヒューマンボディモデル)
  • 小型8ピンSOT23パッケージ
  • MAX9374およびMAX9374Aは、2.0GHz差動LVPECLからLVDSへのトランスレータで、通信アプリケーション用に設計されています。これらのデバイスは、250psの伝搬遅延が特長です。差動出力は、ANSI TIA/EIA-644 LVDS規格に準拠しています。入力のオープン時に出力が差動ローになるように、内蔵抵抗で入力にバイアスをかけます。シングルエンド動作用のVBBリファレンス出力が内蔵されています。

    MAX9374は、2.5Vシステム用に2.375V~2.625V電源の低電圧動作向けに設計されています。MAX9374Aは、3.3V公称電源システムにおける3.0V~3.6Vの動作用に設計されています。両デバイスは、業界標準の8ピンSOT23およびSOパッケージで提供されます。

    アプリケーション

    • 電話局クロック分配
    • DSLAM/DLC
    • 低ジッタデータリピータ
    • 大容量記憶装置
    • 高精度クロックバッファ
    • ワイヤレス基地局

    MAX9374A
    差動LVPECL-LVDSトランスレータ
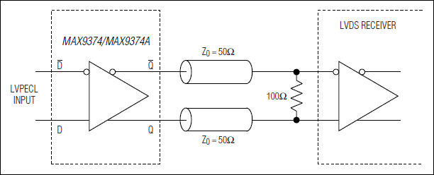
    MAX9374、MAX9374A:標準アプリケーション回路
    myAnalogに追加

    myAnalogの製品セクション(通知受け取り)、既存/新規プロジェクトに製品を追加する。

    新規プロジェクトを作成
    質問する
    サポート

    アナログ・デバイセズのサポート・ページはアナログ・デバイセズへのあらゆるご質問にお答えするワンストップ・ポータルです。


    ドキュメント

    さらに詳しく
    myAnalogに追加

    myAnalogのリソース・セクション、既存/新規プロジェクトにメディアを追加する。

    新規プロジェクトを作成

    最新のディスカッション

    MAX9374Aに関するディスカッションはまだありません。意見を投稿しますか?

    EngineerZone®でディスカッションを始める

    最近表示した製品