MAX8722C

製造中止

低コストCCFLバックライトコントローラ

ポータブルアプリケーション用、高効率、IC用に最適化されたCCFLコントローラ

利用上の注意

本データシートの英語以外の言語への翻訳はユーザの便宜のために提供されるものであり、リビジョンが古い場合があります。最新の内容については、必ず最新の英語版をご参照ください。

なお、日本語版のデータシートは基本的に「Rev.0」(リビジョン0)で作成されています。そのため、英語版が後に改訂され、複数製品のデータシートがひとつに統一された場合、同じ「Rev.0」の日本語版のデータシートが異なる製品のデータシートとして表示されることがあります。たとえば、「ADM3307E」の場合、日本語データシートをクリックすると「ADM3311E」が表示されます。これは、英語版のデータシートが複数の製品で共有できるように1本化され、「ADM3307E/ADM3310E/ADM3311E/ADM3312E/ADM3315E」(Rev.J)と改訂されたからで、決して誤ってリンクが張られているわけではありません。和文化されたデータシートを少しでも有効に活用していただくためにこのような方法をとっておりますので、ご了解ください。

アナログ・デバイセズ社は、提供する情報が正確で信頼できるものであることを期していますが、その情報の利用に関して、あるいはその利用によって生じる第三者の特許やその他の権利の侵害に関して一切の責任を負いません。また、アナログ・デバイセズ社の特許または特許の権利の使用を明示的または暗示的に許諾するものでもありません。仕様は予告なしに変更する場合があります。本紙記載の商標および登録商標は、各社の所有に属します。

Viewing:

製品情報

  • 共振周波数に同期
    • ランプ寿命を延長
    • 保証された点灯性能
    • 高い電力-光変換効率
  • 広い入力電圧範囲:4.6V~28V
  • 入力電圧フィードフォワードによる優れたライン除去
  • アナログインタフェースによる高精度調光制御
  • 調光範囲:10:1
  • 同期機能によって調整可能な高精度DPWM周波数
  • 調整可能なランプ電流の立上り/立下り時間
  • 二次側電圧制限によってトランスのストレスを低減
  • 調整可能なタイムアウトによるランプアウト保護
  • 調整可能なタイムアウトによる二次側過電流保護
  • 低コスト、24ピンQSOPパッケージ

高集積バックライトコントローラのMAX8722Cは、フルブリッジ共振インバータアーキテクチャを使って冷陰極蛍光管(CCFL)を駆動するように最適化されています。共振動作は、点灯性能を最大化し、全入力範囲で正弦波に近い波形を提供し、CCFLの寿命を延長します。このコントローラは、ハイパワーで広い電圧範囲(4.6V~28V)にわたり、発光効率に貢献します。また、このデバイスは、ランプアウトや短絡フォルトなどのさまざまなシングルポイントフォルト状態から効果的に保護する安全機能も備えています。

MAX8722Cは、ディジタルパルス幅変調(DPWM)方式を使ってランプ電流をオン/オフに「チョップ」して、10:1の調光範囲を達成します。DPWM周波数は、抵抗を使って高精度に調整するか、外部信号に同期させることができます。輝度は、CNTL端子のアナログ電圧によって制御されます。このデバイスは、フルブリッジインバータの4つの外付けnチャネルパワーMOSFETを直接駆動します。内蔵の5.4Vリニアレギュレータが、MOSFETドライバ、DPWM発振器、および大部分の内部回路を駆動します。MAX8722Cは、低コスト、24ピンQSOPパッケージで提供され、-40℃~+85℃の温度範囲で動作します。

アプリケーション

  • LCDモニタ
  • LCD TV
  • ノートブックコンピュータのディスプレイ

MAX8722C
低コストCCFLバックライトコントローラ
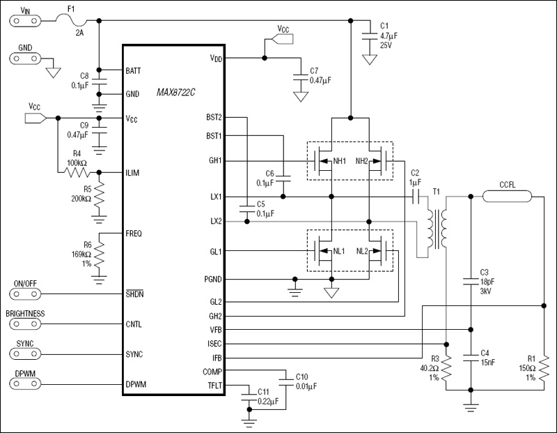
MAX8722C:標準動作回路
myAnalogに追加

myAnalogの製品セクション(通知受け取り)、既存/新規プロジェクトに製品を追加する。

新規プロジェクトを作成
質問する
サポート

アナログ・デバイセズのサポート・ページはアナログ・デバイセズへのあらゆるご質問にお答えするワンストップ・ポータルです。


ドキュメント

さらに詳しく
myAnalogに追加

myAnalogのリソース・セクション、既存/新規プロジェクトにメディアを追加する。

新規プロジェクトを作成

ソフトウェア・リソース

必要なソフトウェア/ドライバが見つかりませんか?

ドライバ/ソフトウェアをリクエスト

ハードウェア・エコシステム

製品モデル 製品ライフサイクル 詳細
ランプ & チューブ・ドライバ 1
MAX1995 高効率、広輝度範囲、CCFLバックライトコントローラ
Modal heading
myAnalogに追加

myAnalogの製品セクション(通知受け取り)、既存/新規プロジェクトに製品を追加する。

新規プロジェクトを作成

最新のディスカッション

MAX8722Cに関するディスカッションはまだありません。意見を投稿しますか?

EngineerZone®でディスカッションを始める

最近表示した製品