MAX5991

製造中

IEEE 802.3af準拠、高効率、クラス1/クラス2、受電機器、DC-DCコンバータ内蔵

設計を簡素化するレギュレータ内蔵の高集積受電機器

利用上の注意

本データシートの英語以外の言語への翻訳はユーザの便宜のために提供されるものであり、リビジョンが古い場合があります。最新の内容については、必ず最新の英語版をご参照ください。

なお、日本語版のデータシートは基本的に「Rev.0」(リビジョン0)で作成されています。そのため、英語版が後に改訂され、複数製品のデータシートがひとつに統一された場合、同じ「Rev.0」の日本語版のデータシートが異なる製品のデータシートとして表示されることがあります。たとえば、「ADM3307E」の場合、日本語データシートをクリックすると「ADM3311E」が表示されます。これは、英語版のデータシートが複数の製品で共有できるように1本化され、「ADM3307E/ADM3310E/ADM3311E/ADM3312E/ADM3315E」(Rev.J)と改訂されたからで、決して誤ってリンクが張られているわけではありません。和文化されたデータシートを少しでも有効に活用していただくためにこのような方法をとっておりますので、ご了解ください。

アナログ・デバイセズ社は、提供する情報が正確で信頼できるものであることを期していますが、その情報の利用に関して、あるいはその利用によって生じる第三者の特許やその他の権利の侵害に関して一切の責任を負いません。また、アナログ・デバイセズ社の特許または特許の権利の使用を明示的または暗示的に許諾するものでもありません。仕様は予告なしに変更する場合があります。本紙記載の商標および登録商標は、各社の所有に属します。

Viewing:

製品情報

  • 高集積化によってスペースとBOMコストを節約
    • 高効率の内蔵DC-DCコンバータ(スイッチ内蔵)
    • 出力電圧監視機能内蔵
    • 過負荷、出力短絡、出力過電圧、および過熱から保護
    • 内蔵TVSダイオードによってケーブル放電イベント(CDE)に対応
    • 最大100mA負荷のLDOレギュレータ内蔵
  • IEEE 802.3afに準拠した機能によって設計時間を短縮
    • 単一抵抗で設定されたPoEクラス1/クラス2分類
    • インテリジェントな電力維持シグネチャ(MPS)はIEEE 802.3af規格に準拠
    • ACアダプタインタフェースを簡素化
    • 2kV、200m CAT-6ケーブル放電イベントに合格
  • 軽負荷時の高効率によって消費電力を低減
    • スリープおよび超低電力モード
    • 周波数フォールドバックによって軽負荷時の高効率動作を実現
    • バックバイアス機能によって効率を最適化
  • 堅牢な性能
    • 広い入力電圧範囲:8.7V~60V
    • ヒカップモード暴走電流制限
    • 突入電流制限:49mA (typ)
    • オープンドレイン(アクティブローRESET)出力
  • 容易な設計
    • 設定可能な出力電圧範囲:3.2V~14V
    • 内部補償
    • 固定スイッチング周波数:430kHz

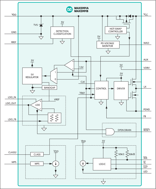
MAX5991A/MAX5991Bは、PoE (Power over Ethernet)システムにおけるIEEE® 802.3af準拠クラス1/クラス2受電機器(PD)としての完全な電源ソリューションを提供します。これらのデバイスは高効率のDC-DCコンバータとのPDインタフェースを備え、少ない外付け部品数でPDソリューションを実現します。また、これらのデバイスは低ドロップアウトレギュレータ、MPS、スリープ、および超低電力モードも備えています。
PDインタフェースは、1つの外付け抵抗を使用して検出シグニチャおよびクラス1/クラス2分類シグニチャを提供します。また、PDインタフェースはアイソレーションパワーMOSFET、60mA (max)の突入電流制限、および321mA (typ)の動作電流制限も備えています。
内蔵のステップダウンDC-DCコンバータは、ピーク電流モード制御方式を使用し、高速過渡応答を備えた実装しやすいアーキテクチャを提供します。このステップダウンコンバータは、8.7V~60Vの広い入力電圧範囲で動作し、1.3A負荷において最大6.49Wの入力電力をサポートします。このDC-DCコンバータは、430kHzの固定スイッチング周波数で動作し、軽負荷時にスイッチング周波数を半分に低減して効率を向上させる周波数フォールドバックを備えています。
これらのデバイスは、幅の広いヒステリシスと長いデグリッチ時間付きの入力低電圧ロックアウト(UVLO)を備えており、ツイストペアケーブルの抵抗によるドロップを補償し、パワーオン/オフ状態時のグリッチフリー遷移を保証します。また、これらのデバイスは過熱シャットダウン、短絡保護、出力過電圧保護、およびヒカップ電流制限も備え、性能と信頼性を高めています。
すべてのデバイスは20ピンTQFNパワーパッケージ(4mm × 4mm)で提供され、-40℃~+85℃の温度範囲で動作します。

アプリケーション

  • IEEE 802.3af受電機器
  • IP電話
  • IPセキュリティカメラ
  • 無線アクセスノード

MAX5991
IEEE 802.3af準拠、高効率、クラス1/クラス2、受電機器、DC-DCコンバータ内蔵
MAX5991A、MAX5991B:ファンクションダイアグラム
myAnalogに追加

myAnalogの製品セクション(通知受け取り)、既存/新規プロジェクトに製品を追加する。

新規プロジェクトを作成
質問する
サポート

アナログ・デバイセズのサポート・ページはアナログ・デバイセズへのあらゆるご質問にお答えするワンストップ・ポータルです。


ドキュメント

さらに詳しく
myAnalogに追加

myAnalogのリソース・セクション、既存/新規プロジェクトにメディアを追加する。

新規プロジェクトを作成

ソフトウェア・リソース

必要なソフトウェア/ドライバが見つかりませんか?

ドライバ/ソフトウェアをリクエスト

最新のディスカッション

MAX5991に関するディスカッションはまだありません。意見を投稿しますか?

EngineerZone®でディスカッションを始める

最近表示した製品