MAX3891

製造中止

16:1シリアライザ、3.3V、2.5Gbps、SDH/SONET、クロック合成およびLVPECL入力付

低電力、低コスト、トランシーバチップセット

利用上の注意

本データシートの英語以外の言語への翻訳はユーザの便宜のために提供されるものであり、リビジョンが古い場合があります。最新の内容については、必ず最新の英語版をご参照ください。

なお、日本語版のデータシートは基本的に「Rev.0」(リビジョン0)で作成されています。そのため、英語版が後に改訂され、複数製品のデータシートがひとつに統一された場合、同じ「Rev.0」の日本語版のデータシートが異なる製品のデータシートとして表示されることがあります。たとえば、「ADM3307E」の場合、日本語データシートをクリックすると「ADM3311E」が表示されます。これは、英語版のデータシートが複数の製品で共有できるように1本化され、「ADM3307E/ADM3310E/ADM3311E/ADM3312E/ADM3315E」(Rev.J)と改訂されたからで、決して誤ってリンクが張られているわけではありません。和文化されたデータシートを少しでも有効に活用していただくためにこのような方法をとっておりますので、ご了解ください。

アナログ・デバイセズ社は、提供する情報が正確で信頼できるものであることを期していますが、その情報の利用に関して、あるいはその利用によって生じる第三者の特許やその他の権利の侵害に関して一切の責任を負いません。また、アナログ・デバイセズ社の特許または特許の権利の使用を明示的または暗示的に許諾するものでもありません。仕様は予告なしに変更する場合があります。本紙記載の商標および登録商標は、各社の所有に属します。

Viewing:

製品情報

  • 電源:+3.3V単一
  • 消費電力:495mW
  • ANSI、ITUおよびBellcore規格を超越
  • 155Mbps (16ビット幅)パラレルから2.5Gbpsシリアルへの変換
  • クロック合成:2.5Gbps
  • 多クロック基準周波数(155.52MHz、77.76MHz、51.84MHz、38.88MHz)
  • システムループバックテスト用の予備の高速出力
  • シングルエンドのPECLデータ入力
  • 差動PECLクロック入力およびシリアルデータ出力

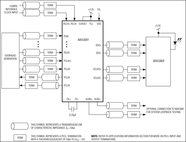
MAX3891は、ATMおよびSDH/SONETアプリケーションにおいて16ビット幅の155Mbpsパラレルデータを2.5Gbpsシリアルデータに変換するシリアライザです。MAX3891は高速ディジタル回路とのインタフェースに最適です。本デバイスはシングルエンドLVPECLデータ入力を受け付け、LVPECLシリアルデータ出力およびクロック出力を提供します。内部2.5Gbpsシリアルクロックは、複数の入力基準クロックレートを許容する完全集積型のPLLによって合成され、出力データストリームのリタイミングを行います。MAX3891は+3.3V単一電源で動作し、155.52MHz、77.76MHz、51.84MHz または38.88MHzの基準クロックレートを受け付けます。システム診断テスト用に、CMLループバックデータ出力も備わっています。MAX3891は、拡張温度範囲(-40℃~+85℃)で使用できる64ピンTQFPエクスポーズドパッド(EP)パッケージで提供されます。

アプリケーション

  • 2.5Gbpsアクセスノード
  • 2.5Gbps SDH/SONET伝送システム
  • アッド/ドロップマルチプレクサ
  • ATMバックプレーン
  • デジタルクロスコネクト

MAX3891
16:1シリアライザ、3.3V、2.5Gbps、SDH/SONET、クロック合成およびLVPECL入力付
MAX3891:標準アプリケーション回路
myAnalogに追加

myAnalogの製品セクション(通知受け取り)、既存/新規プロジェクトに製品を追加する。

新規プロジェクトを作成
質問する
サポート

アナログ・デバイセズのサポート・ページはアナログ・デバイセズへのあらゆるご質問にお答えするワンストップ・ポータルです。


ドキュメント

さらに詳しく
myAnalogに追加

myAnalogのリソース・セクション、既存/新規プロジェクトにメディアを追加する。

新規プロジェクトを作成

最新のディスカッション

MAX3891に関するディスカッションはまだありません。意見を投稿しますか?

EngineerZone®でディスカッションを始める

最近表示した製品