MAX3822

製造中止

+3.3V、2.5Gbpsクワッドリミティングアンプ

利用上の注意

本データシートの英語以外の言語への翻訳はユーザの便宜のために提供されるものであり、リビジョンが古い場合があります。最新の内容については、必ず最新の英語版をご参照ください。

なお、日本語版のデータシートは基本的に「Rev.0」(リビジョン0)で作成されています。そのため、英語版が後に改訂され、複数製品のデータシートがひとつに統一された場合、同じ「Rev.0」の日本語版のデータシートが異なる製品のデータシートとして表示されることがあります。たとえば、「ADM3307E」の場合、日本語データシートをクリックすると「ADM3311E」が表示されます。これは、英語版のデータシートが複数の製品で共有できるように1本化され、「ADM3307E/ADM3310E/ADM3311E/ADM3312E/ADM3315E」(Rev.J)と改訂されたからで、決して誤ってリンクが張られているわけではありません。和文化されたデータシートを少しでも有効に活用していただくためにこのような方法をとっておりますので、ご了解ください。

アナログ・デバイセズ社は、提供する情報が正確で信頼できるものであることを期していますが、その情報の利用に関して、あるいはその利用によって生じる第三者の特許やその他の権利の侵害に関して一切の責任を負いません。また、アナログ・デバイセズ社の特許または特許の権利の使用を明示的または暗示的に許諾するものでもありません。仕様は予告なしに変更する場合があります。本紙記載の商標および登録商標は、各社の所有に属します。

Viewing:

製品情報

  • +3.3V単一電源
  • シングル、デュアル、またはクワッドチャネル動作(2.5Gbpsにて)
  • 総電力損失:700mW (クワッドチャネル動作)
  • 最高出力エッジ速度:120ps
  • 全体および個々のチャネルロスオブパワー(アクティブローLOP)インジケータ
  • バック終端抵抗器を内蔵した差動CML出力
  • 最大確定的ジッタ:30ps
  • ランダムジッタ:2ps
  • パワーダウン機能で非使用チャネルをシャットダウン
  • 動作温度範囲:0℃~+85℃

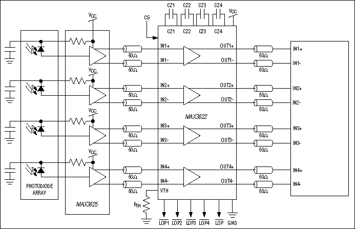
クワッドリミティングアンプのMAX3822は、データレートが最高2.5Gbpsのマルチチャネルシステムに最適です。このデバイスは、0℃~+85℃の温度範囲で+3.3V単一電源で動作します。シングル、デュアル、またはクワッドチャネル動作のプログラム用にチャネル選択ピン(CS)を備えています。消費電力を節減するために、ディセーブルされたチャネルはシャットダウンされます。4チャネルすべてのインターフェースはCMLです。

入力は、20mVP-P~1000mVP-Pの範囲において差動で駆動します。スレッショルド電圧制御は、4チャネルすべてに共通で、外付け抵抗器によってプログラム可能です。各チャネルの受信信号レベル監視用に4個の独立した信号電力検出器が組み込まれています。チャネル信号入力がプログラムされたスレッショルド以下になると、各TTLコンパチブルのロスオブパワー(アクティブローLOP)インジケータがローレベルになります。入力信号レベルがスレッショルドに近い場合のチャタリングを防止するため、通常4dB LOPヒステリシス(光学的には2dB)が設けられています。また、4入力のうち1つでもLOP状態にあるとローレベルになる総合アクティブローLOPインジケータも備えています。

アプリケーション

  • ATMスイッチネットワーク
  • 高密度デジタルクロスコネクト
  • 高速パラレルリンク
  • マルチチャネルレシーバモジュール
  • 光システムインターコネクト

MAX3822
+3.3V、2.5Gbpsクワッドリミティングアンプ
MAX3822:標準動作回路
myAnalogに追加

myAnalogの製品セクション(通知受け取り)、既存/新規プロジェクトに製品を追加する。

新規プロジェクトを作成
質問する
サポート

アナログ・デバイセズのサポート・ページはアナログ・デバイセズへのあらゆるご質問にお答えするワンストップ・ポータルです。


ドキュメント

さらに詳しく
myAnalogに追加

myAnalogのリソース・セクション、既存/新規プロジェクトにメディアを追加する。

新規プロジェクトを作成

最新のディスカッション

MAX3822に関するディスカッションはまだありません。意見を投稿しますか?

EngineerZone®でディスカッションを始める

最近表示した製品