MAX3294

製造中

20Mbps、+3.3V、SOT23 RS-485/RS-422トランスミッタ

±15kV ESD保護、20Mbps +3.3V、SOT23 RS-485/RS-422トランスミッタ

利用上の注意

本データシートの英語以外の言語への翻訳はユーザの便宜のために提供されるものであり、リビジョンが古い場合があります。最新の内容については、必ず最新の英語版をご参照ください。

なお、日本語版のデータシートは基本的に「Rev.0」(リビジョン0)で作成されています。そのため、英語版が後に改訂され、複数製品のデータシートがひとつに統一された場合、同じ「Rev.0」の日本語版のデータシートが異なる製品のデータシートとして表示されることがあります。たとえば、「ADM3307E」の場合、日本語データシートをクリックすると「ADM3311E」が表示されます。これは、英語版のデータシートが複数の製品で共有できるように1本化され、「ADM3307E/ADM3310E/ADM3311E/ADM3312E/ADM3315E」(Rev.J)と改訂されたからで、決して誤ってリンクが張られているわけではありません。和文化されたデータシートを少しでも有効に活用していただくためにこのような方法をとっておりますので、ご了解ください。

アナログ・デバイセズ社は、提供する情報が正確で信頼できるものであることを期していますが、その情報の利用に関して、あるいはその利用によって生じる第三者の特許やその他の権利の侵害に関して一切の責任を負いません。また、アナログ・デバイセズ社の特許または特許の権利の使用を明示的または暗示的に許諾するものでもありません。仕様は予告なしに変更する場合があります。本紙記載の商標および登録商標は、各社の所有に属します。

Viewing:

製品情報

  • 省スペース6ピンSOT23パッケージ
  • データレート:250kbps/2.5Mbps/20Mbps
  • +3.3V単一電源動作
  • ESD保護
    • ±9kV—ヒューマンボディモデル
  • エラーフリーデータ伝送用のスルーレート制限(MAX3293/MAX3294)
  • 1µA低電流シャットダウンモード
  • コモンモード入力電圧範囲:-7V~+12V
  • ドライバ過負荷保護用電流制限とサーマルシャットダウン
  • テレコムアプリケーション用ホットスワップ入力
  • 自動車用温度範囲(-40℃~+125℃)
  • AEC-Q100認定MAX3295AUT/V+T

RS-485/RS-422通信用、低電力、高速トランスミッタのMAX3293/MAX3294/MAX3295は、+3.3V単一電源で動作します。これらのデバイスは、1個の差動トランスミッタを内蔵しています。MAX3295トランスミッタは、データレートが最高20Mbps、出力スキューが5ns以下、ドライバの保証伝播遅延が25ns以下です。MAX3293 (250kbps)とMAX3294 (2.5Mbps)は、EMIを最小にするとともに、ケーブルの不適切な終端によって生じる反射を低減するためにスルーレートが制限されています。

MAX3293/MAX3294/MAX3295の出力レベルは、RS-485仕様に準拠し、標準54Ω負荷で、+1.5V出力が保証されています。このトランスミッタは、無負荷時に5mAの電流を消費し、低電力シャットダウンモード(DE = GND)で1µAを消費します。

ホットスワップ回路は、回路初期化中や通電中のバックプレーンへの接続時にデータケーブルで発生する誤遷移を防止します。また、短絡電流制限/サーマルシャットダウン回路は、過大な電力損失に対してドライバを保護します。

MAX3293/MAX3294/MAX3295は、6ピンSOT23パッケージで提供され、自動車用温度範囲での動作が保証されています。

アプリケーション

  • 車載用
  • クロック分配
  • 産業用制御
  • POS端末
  • RS-422/RS-485通信
  • セキュリティ機器
  • テレコム機器

MAX3294
20Mbps、+3.3V、SOT23 RS-485/RS-422トランスミッタ
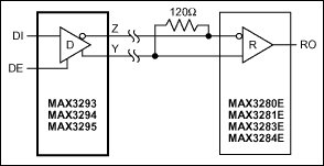
MAX3293、MAX3294、MAX3295:標準動作回路
myAnalogに追加

myAnalogの製品セクション(通知受け取り)、既存/新規プロジェクトに製品を追加する。

新規プロジェクトを作成
質問する
サポート

アナログ・デバイセズのサポート・ページはアナログ・デバイセズへのあらゆるご質問にお答えするワンストップ・ポータルです。


ドキュメント

さらに詳しく
myAnalogに追加

myAnalogのリソース・セクション、既存/新規プロジェクトにメディアを追加する。

新規プロジェクトを作成

ハードウェア・エコシステム

製品モデル 製品ライフサイクル 詳細
インターフェース・レシーバ 4
MAX3280E 製造中 ±15kV ESD保護、52Mbps、3V~5.5V、SOT23、RS-485/RS-422真のフェイルセーフレシーバ
MAX3281E 製造中 ±15kV ESD保護、52Mbps、3V~5.5V、SOT23、RS-485/RS-422真のフェイルセーフレシーバ
MAX3283E 製造中 ±15kV ESD保護、52Mbps、3V~5.5V、SOT23、RS-485/RS-422真のフェイルセーフレシーバ
MAX3284E 製造中 ±15kV ESD保護、52Mbps、3V~5.5V、SOT23、RS-485/RS-422真のフェイルセーフレシーバ
Modal heading
myAnalogに追加

myAnalogの製品セクション(通知受け取り)、既存/新規プロジェクトに製品を追加する。

新規プロジェクトを作成

最新のディスカッション

最近表示した製品