MAX2511

製造中

低電圧IFトランシーバ、リミッタおよびRSSI付

利用上の注意

本データシートの英語以外の言語への翻訳はユーザの便宜のために提供されるものであり、リビジョンが古い場合があります。最新の内容については、必ず最新の英語版をご参照ください。

なお、日本語版のデータシートは基本的に「Rev.0」(リビジョン0)で作成されています。そのため、英語版が後に改訂され、複数製品のデータシートがひとつに統一された場合、同じ「Rev.0」の日本語版のデータシートが異なる製品のデータシートとして表示されることがあります。たとえば、「ADM3307E」の場合、日本語データシートをクリックすると「ADM3311E」が表示されます。これは、英語版のデータシートが複数の製品で共有できるように1本化され、「ADM3307E/ADM3310E/ADM3311E/ADM3312E/ADM3315E」(Rev.J)と改訂されたからで、決して誤ってリンクが張られているわけではありません。和文化されたデータシートを少しでも有効に活用していただくためにこのような方法をとっておりますので、ご了解ください。

アナログ・デバイセズ社は、提供する情報が正確で信頼できるものであることを期していますが、その情報の利用に関して、あるいはその利用によって生じる第三者の特許やその他の権利の侵害に関して一切の責任を負いません。また、アナログ・デバイセズ社の特許または特許の権利の使用を明示的または暗示的に許諾するものでもありません。仕様は予告なしに変更する場合があります。本紙記載の商標および登録商標は、各社の所有に属します。

Viewing:

製品情報

  • 単一電源:+2.7V~+5.5V
  • 完全受信経路:
    • 200MHz~440MHz (第1 IF)から
    • 8MHz~13MHz (第2 IF)へ
  • 差動出力付きのリミッタ(可変レベル)
  • 単調ダイナミックレンジが90dBのRSSI機能
  • 完全送信経路:
    • 8MHz~13MHz (第2 IF)から
    • 200MHz~440MHz (第1 IF)へ
  • 電圧レギュレータおよびバッファ付きの内蔵発振器
  • 高度なシステムパワーマネジメント(4つのモード)
  • シャットダウン消費電流:0.1µA

MAX2511は、デュアルコンバージョン・アプリケーション用の完全高集積化IFトランシーバです。RF動作周波数範囲が200MHz~440MHzの場合は、MAX2511をシングルコンバージョントランシーバとして使用することもできます。

標準的なアプリケーションにおいて、レシーバはイメージリジェクトミキサを使用することにより、高周波IF/RF (200MHz~440MHz)を10.7MHzの低周波IFにダウンコンバートします。外付のIFフィルタを駆動できるIFバッファ付でイメージ抑圧比34dBのイメージリジェクトダウンコンバータ、受信信号強度表示(RSSI)の単調性が90dBの内蔵リミティングアンプおよび強力なリミッタ出力ドライバを備えています。送信イメージリジェクトミキサがクリーンな出力スペクトルを生成するため、フィルタの必要性が最小限になっています。その後にIM3レベルを-35dBc以下に維持する40dB可変利得アンプが続きます。最大出力パワーは2dBmとなっています。外部プリスケーラを駆動するためのVCOおよび発振器バッファも備えています。

MAX2511は2.7V~5.5V電源で動作し、フレキシブルなパワーマネジメントコントロールを備えています。シャットダウンモードでは、消費電流が0.1µAに低減されます。

トランスミッタに同相(I)および直交(Q)ベースバンド構造を使用するアプリケーションに対応するトランシーバ製品としてマキシムはMAX2510を提供しています。MAX2510はMAX2511と似た特長を持っていますが、直交アップコンバータを使用することにより、I/Qベースバンド信号をアップコンバートします。

アプリケーション

  • 400MHz ISMトランシーバ
  • IFトランシーバ
  • PACS、PHS、DECT、および他のPCS携帯電話および基地局
  • PWT1900携帯電話および基地局
  • ワイヤレスデータリンク

MAX2511
低電圧IFトランシーバ、リミッタおよびRSSI付
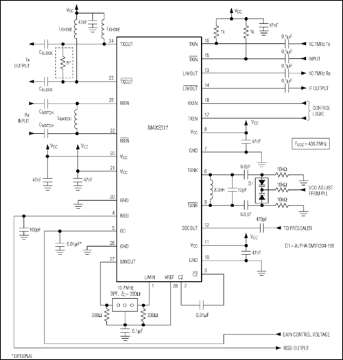
MAX2511:標準動作回路
myAnalogに追加

myAnalogの製品セクション(通知受け取り)、既存/新規プロジェクトに製品を追加する。

新規プロジェクトを作成
質問する
サポート

アナログ・デバイセズのサポート・ページはアナログ・デバイセズへのあらゆるご質問にお答えするワンストップ・ポータルです。


ドキュメント

さらに詳しく
myAnalogに追加

myAnalogのリソース・セクション、既存/新規プロジェクトにメディアを追加する。

新規プロジェクトを作成

ソフトウェア・リソース

必要なソフトウェア/ドライバが見つかりませんか?

ドライバ/ソフトウェアをリクエスト

最新のディスカッション

MAX2511に関するディスカッションはまだありません。意見を投稿しますか?

EngineerZone®でディスカッションを始める

最近表示した製品