MAX2163

製造中止

ISDB-T 1セグメントチューナ

わずか80mWの消費電力で、-99dBm~0dBmのダイナミックレンジを提供

利用上の注意

本データシートの英語以外の言語への翻訳はユーザの便宜のために提供されるものであり、リビジョンが古い場合があります。最新の内容については、必ず最新の英語版をご参照ください。

なお、日本語版のデータシートは基本的に「Rev.0」(リビジョン0)で作成されています。そのため、英語版が後に改訂され、複数製品のデータシートがひとつに統一された場合、同じ「Rev.0」の日本語版のデータシートが異なる製品のデータシートとして表示されることがあります。たとえば、「ADM3307E」の場合、日本語データシートをクリックすると「ADM3311E」が表示されます。これは、英語版のデータシートが複数の製品で共有できるように1本化され、「ADM3307E/ADM3310E/ADM3311E/ADM3312E/ADM3315E」(Rev.J)と改訂されたからで、決して誤ってリンクが張られているわけではありません。和文化されたデータシートを少しでも有効に活用していただくためにこのような方法をとっておりますので、ご了解ください。

アナログ・デバイセズ社は、提供する情報が正確で信頼できるものであることを期していますが、その情報の利用に関して、あるいはその利用によって生じる第三者の特許やその他の権利の侵害に関して一切の責任を負いません。また、アナログ・デバイセズ社の特許または特許の権利の使用を明示的または暗示的に許諾するものでもありません。仕様は予告なしに変更する場合があります。本紙記載の商標および登録商標は、各社の所有に属します。

Viewing:

製品情報

  • 周波数範囲
    • UHF:470MHz~806MHz (UHFIN)
  • 低ノイズ指数:3.2dB (typ)
  • 高ダイナミックレンジ:-99dBm~0dBm
  • オプションのUHFトラッキングフィルタ
  • VCOおよび周波数シンセサイザ内蔵
  • 低LO位相ノイズ:-87dBc/Hz (10kHz時)
  • 可変BW低IFフィルタ内蔵
  • 40dBを超えるイメージ除去
  • 単一電源:+2.4V~+3.47V
  • 低電力:80mW (typ) (+2.5Vの場合)
  • 2線式I²Cシリアル制御インタフェース
  • 低電力シャットダウンおよびスタンバイモード

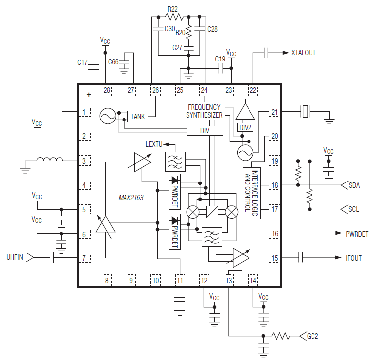
低IFチューナICのMAX2163は、1セグメントISDB-Tアプリケーション用に設計されています。MAX2163は、ブロードバンドI/Qダウンコンバータを使用し、UHF帯域の信号を低IFにダイレクト変換します。動作周波数範囲は、UHF帯域の470MHz~806MHzをカバーします。

MAX2163は、LNA、RF可変利得アンプ、I/Qダウンコンバータミキサ、ベースバンド可変利得アンプ、および低IFフィルタを備えています。MAX2163の可変利得アンプは、100dB以上の制御範囲を提供します。

MAX2163は、完全モノリシックのVCO、および水晶発振器と出力バッファ内蔵の総合周波数シンセサイザも備えています。このデバイスは、32MHz~36MHzの水晶で動作します。

MAX2163は、2線式I²C対応のシリアル制御インタフェースを備えています。低電力スタンバイモードが使用可能で、制御インタフェースとレジスタ回路をアクティブに維持したままで信号経路をシャットダウンします。また、外部端子によってデバイス全体をシャットダウンすることもできます。

MAX2163は、-40℃~+85℃の拡張温度範囲での動作が保証されており、エクスポーズドパッド(EP)を備えた、5mm x 5mm x 0.8mm、鉛フリー、プラスチックパッケージの28ピンTQFNで提供されます。

アプリケーション

  • 車載用
  • 携帯電話モバイルTV
  • ゲームコンソール
  • ホームオーディオ
  • 携帯情報端末(PDA)
  • ポータブルオーディオ機器
  • ポータブルTV機器

MAX2163
ISDB-T 1セグメントチューナ
MAX2163:標準アプリケーション回路
myAnalogに追加

myAnalogの製品セクション(通知受け取り)、既存/新規プロジェクトに製品を追加する。

新規プロジェクトを作成
質問する
サポート

アナログ・デバイセズのサポート・ページはアナログ・デバイセズへのあらゆるご質問にお答えするワンストップ・ポータルです。


ドキュメント

さらに詳しく
myAnalogに追加

myAnalogのリソース・セクション、既存/新規プロジェクトにメディアを追加する。

新規プロジェクトを作成

ソフトウェア・リソース

必要なソフトウェア/ドライバが見つかりませんか?

ドライバ/ソフトウェアをリクエスト

評価用キット

MAX2163EVKIT

MAX2163の評価キット

機能と利点

  • MAX2163を簡単に評価
  • 50Ω SMAコネクタ
  • 重要ペリフェラル部品をすべて搭載
  • 完全実装および試験済み
  • PC制御ソフトウェア(japan.maximintegrated.comで入手可能)

製品詳細

MAX2163の評価キット(EVキット)は、1セグメントのISDB-TチューナのMAX2163の試験および評価を簡素化します。このEVキットは出荷時に完全実装および試験済みです。EVキットには、入出力用に標準的な50ΩのSMAコネクタが同梱されているため、テストベンチでの評価が素早く簡単になります。

フルデータシートには、デバイスの評価に必要な機器の一覧、機能検証用の簡単な試験手順、EVキットの回路説明、回路図、評価キットの部品リスト(BOM)、およびPCBの各層のアートワークが記載されています。

アプリケーション

  • 車載用
  • 携帯電話モバイルTV
  • ゲームコンソール
  • ホームオーディオ
  • 携帯情報端末(PDA)
  • ポータブルオーディオ機器
  • ポータブルTV機器

MAX2163EVKIT
MAX2163の評価キット

最新のディスカッション

MAX2163に関するディスカッションはまだありません。意見を投稿しますか?

EngineerZone®でディスカッションを始める

最近表示した製品