MAX2121

新規設計に推奨

完全ダイレクトコンバージョンLバンドチューナ

業界初、123MHz IFフィルタ内蔵、Lバンドチューナ

利用上の注意

本データシートの英語以外の言語への翻訳はユーザの便宜のために提供されるものであり、リビジョンが古い場合があります。最新の内容については、必ず最新の英語版をご参照ください。

なお、日本語版のデータシートは基本的に「Rev.0」(リビジョン0)で作成されています。そのため、英語版が後に改訂され、複数製品のデータシートがひとつに統一された場合、同じ「Rev.0」の日本語版のデータシートが異なる製品のデータシートとして表示されることがあります。たとえば、「ADM3307E」の場合、日本語データシートをクリックすると「ADM3311E」が表示されます。これは、英語版のデータシートが複数の製品で共有できるように1本化され、「ADM3307E/ADM3310E/ADM3311E/ADM3312E/ADM3315E」(Rev.J)と改訂されたからで、決して誤ってリンクが張られているわけではありません。和文化されたデータシートを少しでも有効に活用していただくためにこのような方法をとっておりますので、ご了解ください。

アナログ・デバイセズ社は、提供する情報が正確で信頼できるものであることを期していますが、その情報の利用に関して、あるいはその利用によって生じる第三者の特許やその他の権利の侵害に関して一切の責任を負いません。また、アナログ・デバイセズ社の特許または特許の権利の使用を明示的または暗示的に許諾するものでもありません。仕様は予告なしに変更する場合があります。本紙記載の商標および登録商標は、各社の所有に属します。

Viewing:

製品情報

  • 周波数範囲:925MHz~2175MHz
  • モノリシックVCO
    • 低位相ノイズ:-97dBc/Hz (10kHz時)
    • 較正が不要
  • 高ダイナミックレンジ:-75dBm~0dBm
  • 内蔵LPフィルタ:123.75MHz
  • 単一電源:+3.3V ±5%
  • 低電力スタンバイモード
  • マルチチューナアプリケーション用アドレスピン
  • 差動I/Qインタフェース
  • I²C対応2線式シリアルインタフェース
  • 5mm x 5mmの超小型28ピンTQFNパッケージ

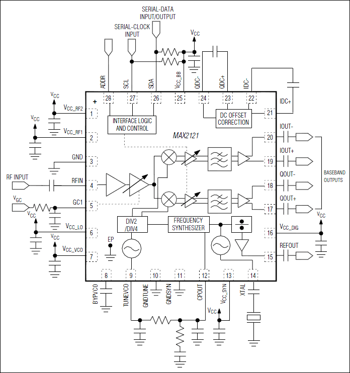
低コストのダイレクトコンバージョンチューナICのMAX2121は、衛星セットトップおよびVSATアプリケーション用に設計されています。このデバイスは、ブロードバンドI/Qダウンコンバータを使用し、LNB (低ノイズブロック)からの衛星信号をベースバンドにダイレクト変換します。動作周波数範囲は925MHz~2175MHzです。

このデバイスは、LNAおよびRF可変利得アンプ、I/Qダウン変換ミキサ、およびベースバンドローパスフィルタおよびデジタル制御のベースバンド可変利得アンプを内蔵しています。総合的にRFとベースバンドの両可変利得アンプによって、80dBを超える利得制御範囲が提供されます。

このデバイスは、完全フラクショナルN周波数シンセサイザのほかに、完全モノリシックVCOも内蔵しています。また、内蔵水晶発振器はバッファ出力付きで提供されており、追加のチューナと復調器を駆動することができます。シンセサイザのプログラミングとデバイス設定は、2線式シリアルインタフェースを介して行います。このICは、VCOのオートセレクト(VAS)機能を備えており、適切なVCOが自動的に選択されます。マルチチューナアプリケーションでは、このデバイスは2つの2線式インタフェースアドレスのいずれかに設定することができます。信号経路がシャットダウンされると、基準発振器、デジタルインタフェース、およびバッファ回路をアクティブ状態に維持したままで、即座に低電力スタンバイモードが使用可能となり、シングルおよびマルチチューナアプリケーションで電力を低減する方法を提供します。

このデバイスは、入手できる最も高性能なブロードバンド/VSAT DBSチューナです。低ノイズ指数によって、外付けのLNAが不要です。わずかの受動部品数だけで、完全なブロードバンド衛星チューナDVB-S2対応のRFフロントエンドソリューションを形成することができます。このチューナは、超小型28ピンTQFNパッケージ(5mm x 5mm)で提供されます。

アプリケーション

  • VSAT

MAX2121
完全ダイレクトコンバージョンLバンドチューナ
MAX2121:標準アプリケーション回路
myAnalogに追加

myAnalogの製品セクション(通知受け取り)、既存/新規プロジェクトに製品を追加する。

新規プロジェクトを作成
質問する
サポート

アナログ・デバイセズのサポート・ページはアナログ・デバイセズへのあらゆるご質問にお答えするワンストップ・ポータルです。


ドキュメント

さらに詳しく
myAnalogに追加

myAnalogのリソース・セクション、既存/新規プロジェクトにメディアを追加する。

新規プロジェクトを作成

ソフトウェア・リソース

必要なソフトウェア/ドライバが見つかりませんか?

ドライバ/ソフトウェアをリクエスト

ツールおよびシミュレーション

ソフトウェア開発 1


評価用キット

MAX2121EVKIT

MAX2121の評価キット

機能と利点

  • MAX2121を容易に評価
  • 50Ω RF入力SMAコネクタ
  • 50Ωベースバンド出力BNCコネクタ
  • 単一電源:3.3V ±5%
  • I²C対応2線式シリアルインタフェース
  • 重要な周辺部品を実装
  • 実証済みPCBレイアウト
  • 完全実装および試験済み
  • PC制御ソフトウェア

製品詳細

MAX2121の評価キット(EVキット)は、ダイレクトコンバージョンチューナのICの試験と評価を容易にします。このEVキットは、出荷時に完全実装され試験済みです。このEVキットは、入力/出力用に50Ωの標準SMAおよびBNCコネクタが搭載されているため、テストベンチで迅速かつ容易に評価することができます。このドキュメントには、デバイスの評価に必要な機器リスト、機能検証用のわかりやすい試験手順、EVキット回路の説明、回路図、EVキットの部品表、およびPCBの各層のアートワークが記載されています。

アプリケーション

  • VSAT

MAX2121EVKIT
MAX2121の評価キット

最新のディスカッション

MAX2121に関するディスカッションはまだありません。意見を投稿しますか?

EngineerZone®でディスカッションを始める

最近表示した製品