MAX203E
新規設計に推奨±15kV ESD保護、+5V RS-232トランシーバ
- 製品モデル
- 8
- 1Ku当たりの価格
- 最低価格:$7.43
        Viewing:
        
    
    製品情報
- 基板スペースの削減- ±15kVの高HBM ESD保護内蔵
- チャージポンプ回路を内蔵- バイポーラ±12V電源が不要
- +5V電源からの単一電源動作が可能
 
- 0.1µFコンデンサ内蔵(MAX203E、MAX205E)
- 24ピンSSOPパッケージによってSOパッケージに比べて最大40%削減
 
- 省電力要件のために電力を削減- シャットダウンモード:1µA
- シャットダウンモード:15µA (MAX213E)
 
MAX202E~MAX213E、MAX232E、およびMAX241Eは、高い±15kV ESD HBM保護を備え、+5Vの単一電源動作用のチャージポンプ回路を内蔵するRS-232およびV.28トランシーバファミリです。各種機能の多様な組合せについてはデータシートの「選択ガイド」に記載されています。10のデバイスすべてのドライバとレシーバは、負荷状態のとき最大120kbpsのデータレートにおいてすべてのEIA/TIA-232EおよびCCITT V.28規格に適合しています。
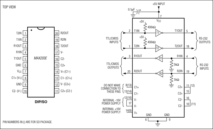
MAX211E/MAX213E/MAX241Eは、28ピンSOおよびSSOPパッケージで提供されます。MAX202E/MAX232Eは、16ピンTSSOP、ナローSO、ワイドSO、およびDIPパッケージで提供されます。MAX203Eは、20ピンDIP/SOパッケージで提供され、外付けのチャージポンプコンデンサが不要です。MAX205Eは、24ピンワイドDIPパッケージで提供され、このデバイスも外付けのチャージポンプコンデンサが不要です。
アプリケーション
- バッテリ駆動機器
- ハンドヘルド機器
- ポータブル診断機器
ドキュメント
データシート 2
技術記事 1
| 製品モデル | ピン/パッケージ図 | 資料 | CADシンボル、フットプリント、および3Dモデル | 
|---|---|---|---|
| MAX203ECPP+G36 | 20-PDIP-300_MIL | ||
| MAX203ECWP+TG36 | 20-SOIC_W-300_MIL | ||
| MAX203EEPP+G36 | 20-PDIP-300_MIL | ||
| MAX203EEWP+G36 | 20-SOIC_W-300_MIL | ||
| MAX203EEWP+TG36 | 20-SOIC_W-300_MIL | ||
| MAX203EPP+G36 | 20-PDIP-300_MIL | ||
| MAX203EWP+G36 | 20-SOIC_W-300_MIL | ||
| MAX203EWP+TG36 | 20-SOIC_W-300_MIL | 
| 製品モデル | 製品ライフサイクル | PCN | 
|---|---|---|
| 5 21, 2018 - 1752 ASSEMBLY | ||
| MAX203ECPP+G36 | 製造中 | |
| MAX203EPP+G36 | 製造中 | |
これは最新改訂バージョンのデータシートです。
