MAX16802A

製造中

高輝度LEDドライバ用、オフラインおよびDC-DC PWMコントローラ

広い動作範囲および高い電流精度を備えたLEDドライバソリューション

利用上の注意

本データシートの英語以外の言語への翻訳はユーザの便宜のために提供されるものであり、リビジョンが古い場合があります。最新の内容については、必ず最新の英語版をご参照ください。

なお、日本語版のデータシートは基本的に「Rev.0」(リビジョン0)で作成されています。そのため、英語版が後に改訂され、複数製品のデータシートがひとつに統一された場合、同じ「Rev.0」の日本語版のデータシートが異なる製品のデータシートとして表示されることがあります。たとえば、「ADM3307E」の場合、日本語データシートをクリックすると「ADM3311E」が表示されます。これは、英語版のデータシートが複数の製品で共有できるように1本化され、「ADM3307E/ADM3310E/ADM3311E/ADM3312E/ADM3315E」(Rev.J)と改訂されたからで、決して誤ってリンクが張られているわけではありません。和文化されたデータシートを少しでも有効に活用していただくためにこのような方法をとっておりますので、ご了解ください。

アナログ・デバイセズ社は、提供する情報が正確で信頼できるものであることを期していますが、その情報の利用に関して、あるいはその利用によって生じる第三者の特許やその他の権利の侵害に関して一切の責任を負いません。また、アナログ・デバイセズ社の特許または特許の権利の使用を明示的または暗示的に許諾するものでもありません。仕様は予告なしに変更する場合があります。本紙記載の商標および登録商標は、各社の所有に属します。

Viewing:

製品情報

  • 降圧、昇圧、フライバック、SEPIC、およびその他のトポロジに適合
  • 出力電力:50W以上
  • 汎用オフライン入力電圧範囲:整流された85VAC~265VAC (MAX16801)
  • 10.8V~24VのDC入力で直接駆動されるIN端子(MAX16802)
  • 基準精度1%の内蔵エラーアンプによって高精度のLED電流安定化を実現
  • PWMまたはリニア調光
  • 固定スイッチング周波数:262kHz ±12%
  • 熱シャットダウン
  • ディジタルソフトスタート
  • プログラマブル入力起動電圧
  • 大ヒステリシスのブートストラップUVLO装備(MAX16801)
  • 45µA (typ)の起動時消費電流、1.4mA (typ)の動作時消費電流
  • 最大デューティサイクル:50% (MAX16801A/MAX16802A)、または75% (MAX16801B/MAX16802B)
  • 8ピンµMAXパッケージで提供

MAX16801A/B/MAX16802A/Bは高輝度(HB) LEDドライバ制御ICであり、汎用照明およびディスプレイアプリケーション用に広入力電圧範囲のLEDドライバの設計に必要なすべての回路を内蔵しています。MAX16801は汎用的な入力(整流された85VAC~265VAC) LEDドライバに最適で、またMAX16802は低入力電圧(10.8VDC~24VDC) LEDドライバ用です。

LED電流を高精度で安定化する必要がある場合は、基準精度1%の内蔵エラーアンプを利用することができます。低周波PWM調光を使って、広い調光範囲を実現することができます。

MAX16801/MAX16802は、入力電源の起動電圧を設定し、ブラウンアウト状態時の正常動作を保証するために入力低電圧ロックアウト(UVLO)を備えています。MAX16801は、オフラインLEDドライバの設計を簡素化する大ヒステリシスのブートストラップ低電圧ロックアウト回路を内蔵しています。MAX16802はこのブートストラップ回路を内蔵せず、+12Vレイルから直接バイアスすることができます。

262kHzの固定スイッチング周波数は内部で調整されるため、磁性部品とフィルタ部品の最適化が可能になり、コスト効率の高い小型LEDドライバになります。MAX16801A/MAX16802Aは、50%の最大デューティサイクルで提供されます。MAX16801B/MAX16802Bは、75%の最大デューティサイクルで提供されます。これらのデバイスは8ピンµMAX®パッケージで提供され、-40℃~+85℃の温度範囲で動作します。

アプリケーション

  • 民生および産業用照明
  • 装飾および建築用照明
  • オフラインおよびDC-DC LEDドライバ
  • LCD TVおよびモニタ用RGBバックライト

MAX16802A
高輝度LEDドライバ用、オフラインおよびDC-DC PWMコントローラ
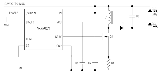
MAX16801A/B、MAX16802A/B:標準動作回路
myAnalogに追加

myAnalogの製品セクション(通知受け取り)、既存/新規プロジェクトに製品を追加する。

新規プロジェクトを作成
質問する
サポート

アナログ・デバイセズのサポート・ページはアナログ・デバイセズへのあらゆるご質問にお答えするワンストップ・ポータルです。


ドキュメント

さらに詳しく
myAnalogに追加

myAnalogのリソース・セクション、既存/新規プロジェクトにメディアを追加する。

新規プロジェクトを作成

ソフトウェア・リソース

必要なソフトウェア/ドライバが見つかりませんか?

ドライバ/ソフトウェアをリクエスト

評価用キット

MAX16802BEVKIT

Evaluation Kit for the MAX16802B

機能と利点

  • 10.8V to 30V Wide Supply Voltage Range
  • Current-Controlled Output
  • Up to 750mA LED Current at 12V Output
  • Linear and PWM Dimming Control
  • Over 80% Efficiency at Full Load
  • Supply Undervoltage Lockout
  • Output Overvoltage Protection
  • 製品詳細

    The MAX16802B evaluation kit (EV kit) demonstrates a current-controlled, high-output-current LED driver based on the MAX16802B. This EV kit is capable of supplying stable output currents of up to 750mA, can run at supply voltages between 10.8V and 30V, and can operate at temperatures ranging from -40°C to +85°C.

    The MAX16802B EV kit features two different types of dimming controls using either a linear input voltage or a PWM input signal to control the LED brightness. This EV kit also has a UVLO feature to turn off the EV kit operation during low input supply voltage and an overvoltage protection to protect the EV kit under an open-LED condition. The MAX16802B EV kit is a fully assembled and tested board.

    Warning: Under severe fault or failure conditions, this EV kit may dissipate large amounts of power, which could result in the mechanical ejection of a component or of component debris at high velocity. Operate this EV kit with care to avoid possible personal injury.

    Applications

    • Commercial and Industrial Lighting
    • Decorative and Architectural Lighting
    • Offline and DC-DC LED Drivers
    • RGB Back Light for LCD TVs and Monitors

    MAX16802BEVKIT
    Evaluation Kit for the MAX16802B

    最新のディスカッション

    MAX16802Aに関するディスカッションはまだありません。意見を投稿しますか?

    EngineerZone®でディスカッションを始める

    最近表示した製品