LTM2985

新規設計に推奨

EEPROM内蔵の絶縁型高精度デジタル温度計測システム

利用上の注意

本データシートの英語以外の言語への翻訳はユーザの便宜のために提供されるものであり、リビジョンが古い場合があります。最新の内容については、必ず最新の英語版をご参照ください。

なお、日本語版のデータシートは基本的に「Rev.0」(リビジョン0)で作成されています。そのため、英語版が後に改訂され、複数製品のデータシートがひとつに統一された場合、同じ「Rev.0」の日本語版のデータシートが異なる製品のデータシートとして表示されることがあります。たとえば、「ADM3307E」の場合、日本語データシートをクリックすると「ADM3311E」が表示されます。これは、英語版のデータシートが複数の製品で共有できるように1本化され、「ADM3307E/ADM3310E/ADM3311E/ADM3312E/ADM3315E」(Rev.J)と改訂されたからで、決して誤ってリンクが張られているわけではありません。和文化されたデータシートを少しでも有効に活用していただくためにこのような方法をとっておりますので、ご了解ください。

アナログ・デバイセズ社は、提供する情報が正確で信頼できるものであることを期していますが、その情報の利用に関して、あるいはその利用によって生じる第三者の特許やその他の権利の侵害に関して一切の責任を負いません。また、アナログ・デバイセズ社の特許または特許の権利の使用を明示的または暗示的に許諾するものでもありません。仕様は予告なしに変更する場合があります。本紙記載の商標および登録商標は、各社の所有に属します。

Viewing:

製品情報

  • 5000VRMS絶縁型電源およびSPIインターフェース
  • 2線式、3線式、または4線式RTD、熱電対、サーミスタ、ダイオードを直接デジタル化
  • 柔軟性のある10個の入力により、センサーの交換を実現
  • 熱電対用の自動冷接点補償機能
  • 熱電対、RTD、およびサーミスタ用の組み込み標準係数とユーザ設定可能な係数
  • 断線、短絡、および故障の自動検出
  • バッファ入力による外部保護
  • 50Hz/60Hzの同時除去
  • 15ppm/°C(最大)リファレンスを内蔵
  • 特殊保護モードを内蔵
  • オンチップEEPROMにチャンネル設定データおよびカスタム係数を保存

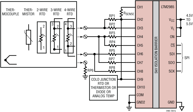
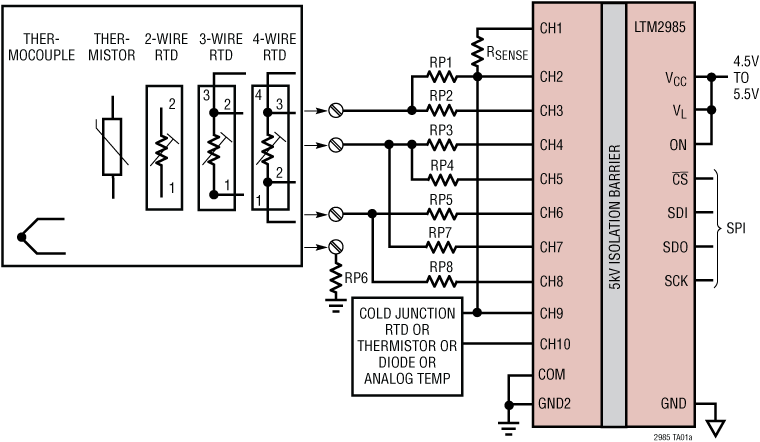
LTM2985は、様々な温度センサーで測定を行い、°C単位または°F単位の結果を0.1°Cの精度と0.001°Cの分解能でデジタル出力します。LTM2985は、事実上すべての標準(タイプB、E、J、K、N、S、R、T)またはカスタム熱電対の温度を測定でき、冷接点温度を自動的に補償し、結果を線形化できます。また、標準の2線式、3線式、または4線式RTD、サーミスタ、ダイオードを使用して温度を測定することもできます。LTM2985には、温度センサーの各タイプに適した励起電流源および故障検出回路が内蔵されています。

LTM2985は、LTC2986-1との互換性がある絶縁型10チャンネル温度計測システム・ソフトウェアです。5kVの絶縁電源と、温度/ビット高精度コンバータへのSPIインターフェースを装備しています。LTM2985は、カスタム・センサー・データ用のユーザ・プログラマブルEEPROMも内蔵しています。

アプリケーション

  • 直接熱電対測定
  • 直接RTD測定
  • 直接サーミスタ測定
  • カスタム・センサー・アプリケーション

LTM2985
EEPROM内蔵の絶縁型高精度デジタル温度計測システム
LTM2985 Typical Application LTM2985 Performance Graph LTM2985 Pin Configuration
myAnalogに追加

myAnalogの製品セクション(通知受け取り)、既存/新規プロジェクトに製品を追加する。

新規プロジェクトを作成
質問する
サポート

アナログ・デバイセズのサポート・ページはアナログ・デバイセズへのあらゆるご質問にお答えするワンストップ・ポータルです。


ドキュメント

さらに詳しく
myAnalogに追加

myAnalogのリソース・セクション、既存/新規プロジェクトにメディアを追加する。

新規プロジェクトを作成

ソフトウェア・リソース

デバイス・ドライバ 1


評価用キット

eval board
DC2872A

LTM2985デモ用ボード | EEPROM内蔵の絶縁型高精度デジタル温度計測システム

製品詳細

DC2872Aは、LTM2985の性能と使いやすさを実証するための評価用ボードです。LTM2985は、LTC2986-1とのソフトウェア互換性を備えた、オンチップの絶縁型10チャンネル温度計測システムです。5kVの絶縁電源と、温度/ビット高精度コンバータへのSPIインターフェースを装備しています。

DC2872A
LTM2985デモ用ボード | EEPROM内蔵の絶縁型高精度デジタル温度計測システム
eval-image-unavailable

最新のディスカッション

最近表示した製品