LTC3785

製造中

10V、高効率、同期整流式No RSENSE昇降圧コントローラ

利用上の注意

本データシートの英語以外の言語への翻訳はユーザの便宜のために提供されるものであり、リビジョンが古い場合があります。最新の内容については、必ず最新の英語版をご参照ください。

なお、日本語版のデータシートは基本的に「Rev.0」(リビジョン0)で作成されています。そのため、英語版が後に改訂され、複数製品のデータシートがひとつに統一された場合、同じ「Rev.0」の日本語版のデータシートが異なる製品のデータシートとして表示されることがあります。たとえば、「ADM3307E」の場合、日本語データシートをクリックすると「ADM3311E」が表示されます。これは、英語版のデータシートが複数の製品で共有できるように1本化され、「ADM3307E/ADM3310E/ADM3311E/ADM3312E/ADM3315E」(Rev.J)と改訂されたからで、決して誤ってリンクが張られているわけではありません。和文化されたデータシートを少しでも有効に活用していただくためにこのような方法をとっておりますので、ご了解ください。

アナログ・デバイセズ社は、提供する情報が正確で信頼できるものであることを期していますが、その情報の利用に関して、あるいはその利用によって生じる第三者の特許やその他の権利の侵害に関して一切の責任を負いません。また、アナログ・デバイセズ社の特許または特許の権利の使用を明示的または暗示的に許諾するものでもありません。仕様は予告なしに変更する場合があります。本紙記載の商標および登録商標は、各社の所有に属します。

Viewing:

製品情報

  • 単一インダクタ・アーキテクチャにより、出力電圧を下回る、上回る、または等しい入力電圧での動作が可能
  • 入出力電圧範囲:2.7V~10V
  • 最大効率: 96%
  • 最大出力電流: 10A
  • すべてNチャネルのMOSFET、センス抵抗不要
  • シャットダウン時に真に出力を切断
  • 電流制限およびソフトスタートを設定可能
  • オプションの短絡シャットダウン・タイマ
  • 出力の過電圧および低電圧保護
  • 設定可能な周波数:100kHz~1MHz
  • 選択可能なBurst Mode®動作
  • 24ピン(4mm×4mm)露出パッド付きQFNパッケージ

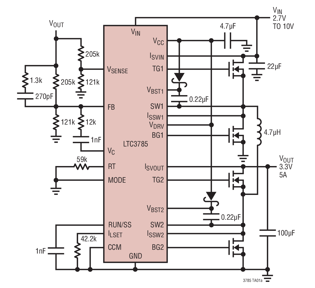
LTC3785は、出力電圧を上回るまたは下回る入力電圧でも、また出力電圧と等しい入力電圧でもすべてNチャネルのパワーMOSFETをドライブする高電力同期整流式昇降圧コントローラです。LTC3785は入力電圧範囲が2.7V~10Vなので、様々な1セルまたは2セルのリチウムイオン・バッテリや複数セルのアルカリ/NiMHバッテリのアプリケーションに適しています。

動作周波数は100kHz~1MHzに設定することができます。ソフトスタート時間と電流制限も設定できます。ソフトスタート・コンデンサは、設定されたオフ時間が経過した後にデバイスをラッチオフまたはリサイクルするように設定できるフォールト・タイマとしても使用できます。Burst Mode動作はユーザーによって制御され、MODEピンを“H”にドライブすることによりイネーブルできます。

保護機能には、フォールドバック電流制限、短絡および過電圧保護などがあります。


Power Good
LTC3785 No
LTC3785-1 Yes

アプリケーション

  • パームトップ・コンピュータ
  • ハンドヘルド計測器
  • ワイヤレス・モデム
  • 携帯電話

LTC3785
10V、高効率、同期整流式No RSENSE昇降圧コントローラ
Efficiency vs Input Voltage Product Package 1
myAnalogに追加

myAnalogの製品セクション(通知受け取り)、既存/新規プロジェクトに製品を追加する。

新規プロジェクトを作成
質問する
サポート

アナログ・デバイセズのサポート・ページはアナログ・デバイセズへのあらゆるご質問にお答えするワンストップ・ポータルです。


ドキュメント

データシート

これは最新改訂バージョンのデータシートです。

さらに詳しく
myAnalogに追加

myAnalogのリソース・セクション、既存/新規プロジェクトにメディアを追加する。

新規プロジェクトを作成

ソフトウェア・リソース

必要なソフトウェア/ドライバが見つかりませんか?

ドライバ/ソフトウェアをリクエスト

ハードウェア・エコシステム

製品モデル 製品ライフサイクル 詳細
保護スイッチ & コントローラ 1
LTC4417 新規設計に推奨 優先順位付け PowerPath コントローラ
Modal heading
myAnalogに追加

myAnalogの製品セクション(通知受け取り)、既存/新規プロジェクトに製品を追加する。

新規プロジェクトを作成

ツールおよびシミュレーション

LTspice 1


下記製品はLTspiceで使用することが出来ます。:

  • LTC3785
  • LTC3785-1
LTspice

LTspice®は、無料で提供される強力で高速な回路シミュレータと回路図入力、波形ビューワに改善を加え、アナログ回路のシミュレーションを容易にするためのモデルを搭載しています。

 


評価用キット

eval board
DC957A

LTC3785EUF Demo Board | No RSENSE, 2.7V ≤ VIN ≤ 10V, VOUT = 3.3V @ 3A

製品詳細

Demonstration circuit 957 is a wide input range, 3.3V / 3.0A output synchronous buck-boost controller featuring the LTC3785. This circuit was designed to demonstrate the high levels of performance, efficiency, and small solution size attainable using this part in a buck-boost power supply. It operates at 500kHz and produces a regulated 3.3V, 3.0A output from an input voltage range of 2.7 to 10V. It is suitable for portable applications, and has a footprint area that is 0.36 square inches. Synchronous rectification helps to attain efficiency up to 96%, depending on line and load. The LTC3785 provides current limit and shutdown disconnect. It offers Burst Mode® operation for high efficiency at light loads.

DC957A
LTC3785EUF Demo Board | No RSENSE, 2.7V ≤ VIN ≤ 10V, VOUT = 3.3V @ 3A
DC957A - Schematic

最新のディスカッション

最近表示した製品