LTC3225

製造中

150mAスーパーキャパシタ・チャージャ

利用上の注意

本データシートの英語以外の言語への翻訳はユーザの便宜のために提供されるものであり、リビジョンが古い場合があります。最新の内容については、必ず最新の英語版をご参照ください。

なお、日本語版のデータシートは基本的に「Rev.0」(リビジョン0)で作成されています。そのため、英語版が後に改訂され、複数製品のデータシートがひとつに統一された場合、同じ「Rev.0」の日本語版のデータシートが異なる製品のデータシートとして表示されることがあります。たとえば、「ADM3307E」の場合、日本語データシートをクリックすると「ADM3311E」が表示されます。これは、英語版のデータシートが複数の製品で共有できるように1本化され、「ADM3307E/ADM3310E/ADM3311E/ADM3312E/ADM3315E」(Rev.J)と改訂されたからで、決して誤ってリンクが張られているわけではありません。和文化されたデータシートを少しでも有効に活用していただくためにこのような方法をとっておりますので、ご了解ください。

アナログ・デバイセズ社は、提供する情報が正確で信頼できるものであることを期していますが、その情報の利用に関して、あるいはその利用によって生じる第三者の特許やその他の権利の侵害に関して一切の責任を負いません。また、アナログ・デバイセズ社の特許または特許の権利の使用を明示的または暗示的に許諾するものでもありません。仕様は予告なしに変更する場合があります。本紙記載の商標および登録商標は、各社の所有に属します。

Viewing:

製品情報

  • 直列に接続された2個のスーパーキャパシタを低ノイズ固定周波数で充電
  • 自動セル・バランシングにより、充電時のコンデンサの過電圧を防止
  • 充電電流をプログラム可能(最大150mA)
  • セルごとに2.4Vまたは2.65Vの安定化を選択可能 (LTC3225)
  • セルごとに2Vまたは2.25Vの安定化を選択可能 (LTC3225-1)
  • 自動再充電
  • スタンバイ・モードでIVIN=20μA
  • 入力電源が取り外されているとき、ICOUT<1μA
  • インダクタ不要
  • 小さいアプリケーション回路(2mm×3mm DFNパッケージ、全部品が高さ1mm以下)

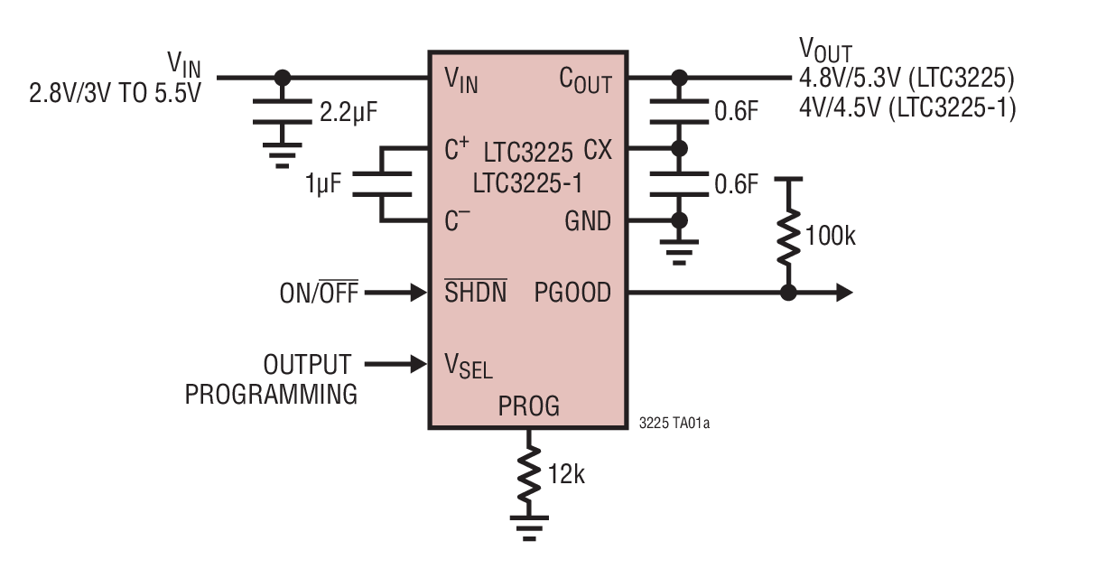
LTC3225/LTC3225-1はプログラム可能なスーパーキャパシタ・チャージャで、2.8V~5.5Vの低入力電源から、直列に接続された2個のスーパーキャパシタを選択可能な固定出力電圧(LTC3225は4.8Vまたは5.3V、LTC3225-1は4Vまたは4.5V)まで充電します。自動セル・バランシングにより、スーパーキャパシタが過電圧によって損傷を受けるのを防ぎます。バランス抵抗は不要です。

LTC3225/LTC3225-1は低入力ノイズ、低消費電流で、外付け部品数が少ない(フライング・コンデンサ1個、VIN用バイパス・コンデンサ1個、プログラミング抵抗1本)ので、小型のバッテリ駆動アプリケーションに最適です。

充電電流レベルは1本の外付け抵抗でプログラムされます。入力電源が取り外されると、LTC3225/LTC3225-1は自動的に低電流状態となり、スーパーキャパシタから流れる電流は1μAを下回ります。

LTC3225/LTC3225-1は10ピン2mm×3mm DFNパッケージで供給されます。


アプリケーション

  • ピーク電力負荷が高い、電流制限アプリケーション(LEDフラッシュ、PCMCIA送信バースト、HDDバースト、GPRS/GSMトランスミッタ)
  • バックアップ電源

LTC3225
150mAスーパーキャパシタ・チャージャ
Charging Profi le with 30% Mismatch  in Output Capacitance, CTOP < CBOT Product Package 1
myAnalogに追加

myAnalogの製品セクション(通知受け取り)、既存/新規プロジェクトに製品を追加する。

新規プロジェクトを作成
質問する
サポート

アナログ・デバイセズのサポート・ページはアナログ・デバイセズへのあらゆるご質問にお答えするワンストップ・ポータルです。


ドキュメント

データシート

これは最新改訂バージョンのデータシートです。

さらに詳しく
myAnalogに追加

myAnalogのリソース・セクション、既存/新規プロジェクトにメディアを追加する。

新規プロジェクトを作成

ソフトウェア・リソース

必要なソフトウェア/ドライバが見つかりませんか?

ドライバ/ソフトウェアをリクエスト

ハードウェア・エコシステム

製品モデル 製品ライフサイクル 詳細
スイッチング・レギュレータ & コントローラ 1
LTC4425 新規設計に推奨 電流制限付き理想ダイオードとV/I モニタを備えたリニア・スーパーキャパシタ・チャージャ
チャージ・ポンプ 1
LTC3226 新規設計に推奨 バックアップPowerPathコントローラ付き2セル・スーパーキャパシタ・チャージャ
回路モニタ 1
LTC2960 新規設計に推奨 36Vナノ電流2入力電圧モニタ
Modal heading
myAnalogに追加

myAnalogの製品セクション(通知受け取り)、既存/新規プロジェクトに製品を追加する。

新規プロジェクトを作成

ツールおよびシミュレーション

LTspice 1


下記製品はLTspiceで使用することが出来ます。:

  • LTC3225
  • LTC3225-1
LTspice

LTspice®は、無料で提供される強力で高速な回路シミュレータと回路図入力、波形ビューワに改善を加え、アナログ回路のシミュレーションを容易にするためのモデルを搭載しています。

 


評価用キット

DC1220B
LTC3225EDDB Demo Board| 150mA Supercapacitor Charger
DC1220B - Schematic

最新のディスカッション

最近表示した製品