LTC2844

製造中

ソフトウェアで選択可能な3.3V マルチプロトコル・トランシーバ

利用上の注意

本データシートの英語以外の言語への翻訳はユーザの便宜のために提供されるものであり、リビジョンが古い場合があります。最新の内容については、必ず最新の英語版をご参照ください。

なお、日本語版のデータシートは基本的に「Rev.0」(リビジョン0)で作成されています。そのため、英語版が後に改訂され、複数製品のデータシートがひとつに統一された場合、同じ「Rev.0」の日本語版のデータシートが異なる製品のデータシートとして表示されることがあります。たとえば、「ADM3307E」の場合、日本語データシートをクリックすると「ADM3311E」が表示されます。これは、英語版のデータシートが複数の製品で共有できるように1本化され、「ADM3307E/ADM3310E/ADM3311E/ADM3312E/ADM3315E」(Rev.J)と改訂されたからで、決して誤ってリンクが張られているわけではありません。和文化されたデータシートを少しでも有効に活用していただくためにこのような方法をとっておりますので、ご了解ください。

アナログ・デバイセズ社は、提供する情報が正確で信頼できるものであることを期していますが、その情報の利用に関して、あるいはその利用によって生じる第三者の特許やその他の権利の侵害に関して一切の責任を負いません。また、アナログ・デバイセズ社の特許または特許の権利の使用を明示的または暗示的に許諾するものでもありません。仕様は予告なしに変更する場合があります。本紙記載の商標および登録商標は、各社の所有に属します。

Viewing:

製品情報

  • S232、RS449、EIA530、EIA530-A、V.35、V.36、X.21をソフトウェアで選択サポートするトランシーバ
  • LTC2846と組み合わせて単一3.3V電源で動作
  • TUV Rheinland of North America Inc. 認証のNET1、NET2、TBR2に準拠、レポートNo.: TBR2/051501/02
  • LTC2846と組み合わせて完全なDTEまたはDCEポートを構成
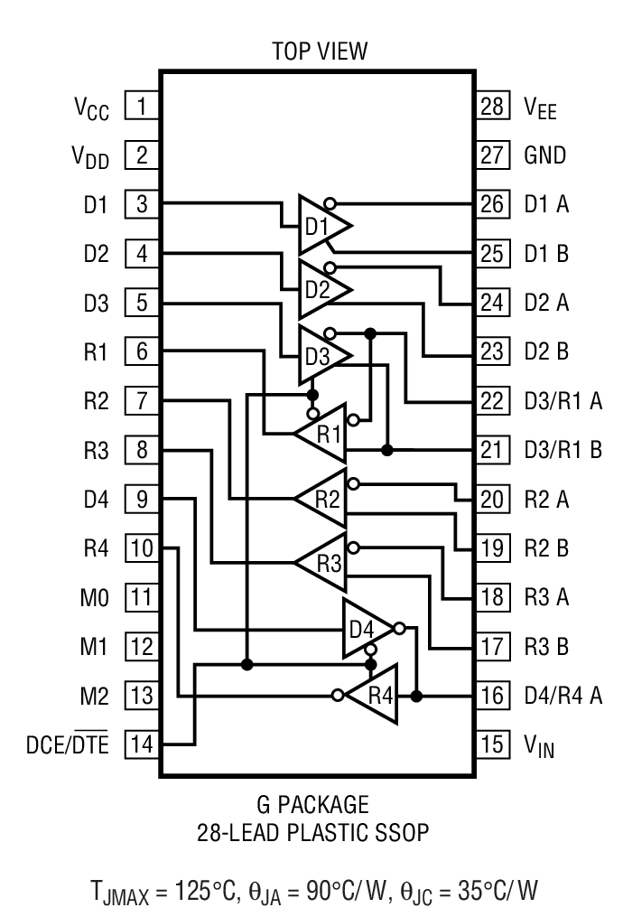
  • 28ピンSSOP表面実装パッケージ

LTC2844は、4ドライバ/4レシーバのマルチプロトコル・トランシーバです。LTC2846 と組み合わせることにより、ソフトウェアで選択可能な完全なDTEまたはDCEインターフェイス・ポートのコアを構成し、RS232、RS449、EIA530、EIA530-A、V.35、V.36、またはX.21 プロトコルをサポートします。

LTC2844は3.3V電源とLTC2846によって供給される電源で動作します。このデバイスは 28ピンSSOP表面実装パッケージで供給されます。


アプリケーション

  • データ・ネットワーク
  • CSUおよびDSU
  • データ・ルータ

LTC2844
ソフトウェアで選択可能な3.3V マルチプロトコル・トランシーバ
DTE or DCE Multiprotocol Serial Interface with DB-25 Connector Product Package 1
myAnalogに追加

myAnalogの製品セクション(通知受け取り)、既存/新規プロジェクトに製品を追加する。

新規プロジェクトを作成
質問する
サポート

アナログ・デバイセズのサポート・ページはアナログ・デバイセズへのあらゆるご質問にお答えするワンストップ・ポータルです。


ドキュメント

データシート 1

ユーザ・ガイド 1

データシート

これは最新改訂バージョンのデータシートです。

さらに詳しく
myAnalogに追加

myAnalogのリソース・セクション、既存/新規プロジェクトにメディアを追加する。

新規プロジェクトを作成

評価用キット

eval board
DC497A

LTC2846CG LTC2844CG | Software-Selectable Multi-Protocol Transceiver

製品詳細

DC497A Demo Board for:

LTC2844 3.3V Software-Selectable Multiprotocol Transceiver

LTC2846 3.3V Software-Selectable Multiprotocol Transceiver with Termination

DC497A
LTC2846CG LTC2844CG | Software-Selectable Multi-Protocol Transceiver
DC497A - Schematic

最新のディスカッション

最近表示した製品