LTC2410

製造中

差動入力および差動リファレンス 24ビットNo Latencyデルタ・シグマADC

利用上の注意

本データシートの英語以外の言語への翻訳はユーザの便宜のために提供されるものであり、リビジョンが古い場合があります。最新の内容については、必ず最新の英語版をご参照ください。

なお、日本語版のデータシートは基本的に「Rev.0」(リビジョン0)で作成されています。そのため、英語版が後に改訂され、複数製品のデータシートがひとつに統一された場合、同じ「Rev.0」の日本語版のデータシートが異なる製品のデータシートとして表示されることがあります。たとえば、「ADM3307E」の場合、日本語データシートをクリックすると「ADM3311E」が表示されます。これは、英語版のデータシートが複数の製品で共有できるように1本化され、「ADM3307E/ADM3310E/ADM3311E/ADM3312E/ADM3315E」(Rev.J)と改訂されたからで、決して誤ってリンクが張られているわけではありません。和文化されたデータシートを少しでも有効に活用していただくためにこのような方法をとっておりますので、ご了解ください。

アナログ・デバイセズ社は、提供する情報が正確で信頼できるものであることを期していますが、その情報の利用に関して、あるいはその利用によって生じる第三者の特許やその他の権利の侵害に関して一切の責任を負いません。また、アナログ・デバイセズ社の特許または特許の権利の使用を明示的または暗示的に許諾するものでもありません。仕様は予告なしに変更する場合があります。本紙記載の商標および登録商標は、各社の所有に属します。

Viewing:

製品情報

  • GNDからVCCの同相範囲を持つ差動入力
  • INL 2ppm、ミッシング・コードなし
  • 2.5ppmのフルスケール誤差
  • 0.1ppmのオフセット
  • 0.16ppmのノイズ
  • 内部発振器 - 外付け部品が不要
  • 最小110dB、50Hz/60Hzのノッチ・フィルタ
  • 多重化アプリケーションに対応する単一変換セトリング時間
  • 細型SSOP-16パッケージ(SO-8の実装面積)の24ビットADC
  • 2.7V~5.5V単一電源動作
  • 低電源電流(200μA)および自動シャットダウン
  • LTC2400の完全差動バージョン

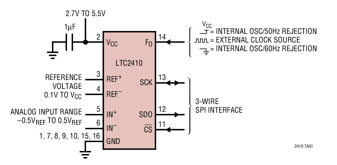
LTC2410は、発振器を内蔵しINL 2ppm、RMSノイズ0.16ppm、 2.7V~5.5Vで動作するマイクロパワー24ビット差動デルタ-シグマ・アナログ-デジタル・コンバータです。デルタ-シグマ・テクノロジを駆使し、多重化アプリケーションに対して単一サイクルでのセトリングを提供します。LTC2410は1本のピンにより、50Hzまたは60Hz±2%において110dB以上の入力差動リジェクションを達成するように構成できます。あるいは、外部発振器によってユーザが定義したリジェクション周波数設定部品を1Hz~120Hzの範囲でドライブすることができます。

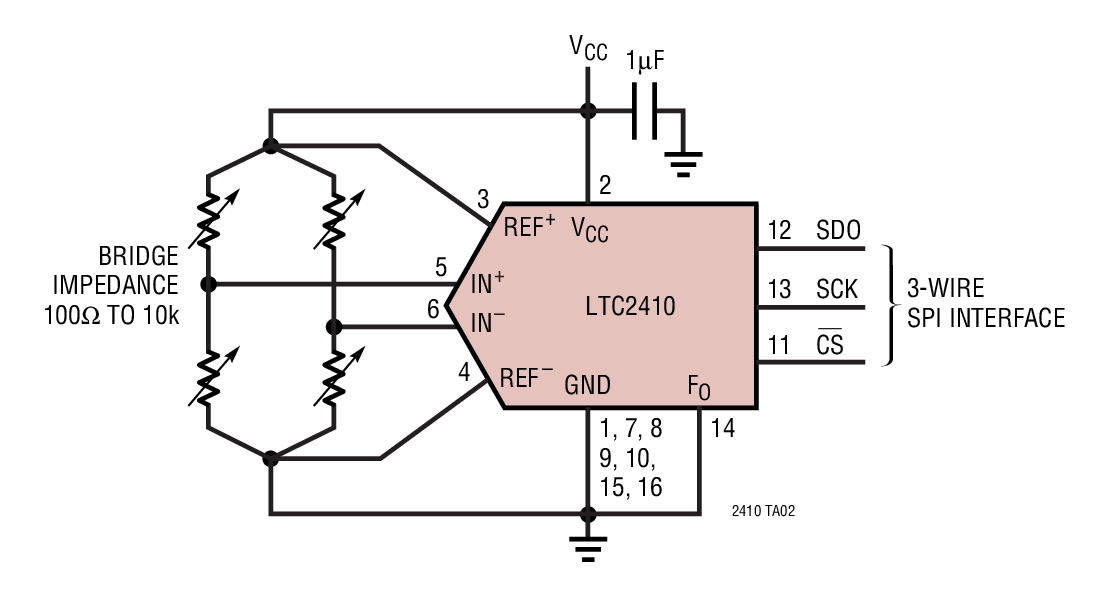
このコンバータは、0.1V~VCCのどの範囲の外部差動リファレンス電圧でも受け入れ、柔軟なレシオメトリックおよびリモート・センシング測定構成が可能です。フルスケール差動入力範囲は、-0.5VREFから0.5VREFまでです。リファレンスの同相電圧VINCMは、LTC2410のGNDからVCCの範囲内のどこでも独立して設定することができます。DC同相入力除去は140dB以上です。

LTC2410はSPIおよびMICROWIREプロトコルに適合する柔軟な3線式デジタル・インタフェースを通して通信します。


アプリケーション

  • ダイレクト・センサ・デジタイザ
  • 直接温度測定
  • ガス分析器
  • 歪みゲージ・トランスジューサ
  • 計測
  • データ収集
  • 産業用プロセス・コントロール
  • 6桁DVM

LTC2410
差動入力および差動リファレンス 24ビットNo Latencyデルタ・シグマADC
Product Package 1
myAnalogに追加

myAnalogの製品セクション(通知受け取り)、既存/新規プロジェクトに製品を追加する。

新規プロジェクトを作成
質問する
サポート

アナログ・デバイセズのサポート・ページはアナログ・デバイセズへのあらゆるご質問にお答えするワンストップ・ポータルです。


ドキュメント

データシート

これは最新改訂バージョンのデータシートです。

さらに詳しく
myAnalogに追加

myAnalogのリソース・セクション、既存/新規プロジェクトにメディアを追加する。

新規プロジェクトを作成

ソフトウェア・リソース

必要なソフトウェア/ドライバが見つかりませんか?

ドライバ/ソフトウェアをリクエスト

ハードウェア・エコシステム

製品モデル 製品ライフサイクル 詳細
インターフェース・トランシーバ & アイソレータ 1
LTM2883 製造中 ±12.5Vおよび5Vの可変安定化電源を備えたSPI/デジタルまたはI2C対応のμModuleアイソレータ
マッチング抵抗およびトランジスタ 1
LT5400 新規設計に推奨 整合したクワッド抵抗ネットワーク
電圧リファレンス 1
LTC6655 製造中 ノイズが0.25ppmの低ドリフト高精度リファレンス
Modal heading
myAnalogに追加

myAnalogの製品セクション(通知受け取り)、既存/新規プロジェクトに製品を追加する。

新規プロジェクトを作成

評価用キット

eval board
DC575A

LTC2410CGN | 24-Bit Differential ADC (Requires DC590)

製品詳細

DC575A: Demo Board for the LTC2410 24-Bit No Latency Delta Sigma ADC with Differential Input and Differential Reference.

DC575A
LTC2410CGN | 24-Bit Differential ADC (Requires DC590)
DC575A Demo Board DC575A Demo Board DC575A Demo Board DC575A Demo Board DC575A - Schematic

最新のディスカッション

最近表示した製品