LTC2328-18

製造中

SNRが95dBで真の双極性入力範囲が±10.24Vの18ビット、1Msps、疑似差動入力A/Dコンバータ

利用上の注意

本データシートの英語以外の言語への翻訳はユーザの便宜のために提供されるものであり、リビジョンが古い場合があります。最新の内容については、必ず最新の英語版をご参照ください。

なお、日本語版のデータシートは基本的に「Rev.0」(リビジョン0)で作成されています。そのため、英語版が後に改訂され、複数製品のデータシートがひとつに統一された場合、同じ「Rev.0」の日本語版のデータシートが異なる製品のデータシートとして表示されることがあります。たとえば、「ADM3307E」の場合、日本語データシートをクリックすると「ADM3311E」が表示されます。これは、英語版のデータシートが複数の製品で共有できるように1本化され、「ADM3307E/ADM3310E/ADM3311E/ADM3312E/ADM3315E」(Rev.J)と改訂されたからで、決して誤ってリンクが張られているわけではありません。和文化されたデータシートを少しでも有効に活用していただくためにこのような方法をとっておりますので、ご了解ください。

アナログ・デバイセズ社は、提供する情報が正確で信頼できるものであることを期していますが、その情報の利用に関して、あるいはその利用によって生じる第三者の特許やその他の権利の侵害に関して一切の責任を負いません。また、アナログ・デバイセズ社の特許または特許の権利の使用を明示的または暗示的に許諾するものでもありません。仕様は予告なしに変更する場合があります。本紙記載の商標および登録商標は、各社の所有に属します。

Viewing:

製品情報

  • スループット・レート:1Msps
  • INL(最大):±5LSB
  • 欠落コードのない18ビットを保証
  • 疑似差動入力
  • 真の双極性入力範囲:±6.25V、±10.24V、±12.5V
  • SNR:標準95dB(fIN = 2kHz)
  • THD:標準-111dB(fIN = 2kHz)
  • 125°Cまでの動作を保証
  • 5V単電源
  • 2.048Vの低ドリフト(最大20ppm/℃)内部リファレンス
  • シングルショット動作が可能なリファレンス・バッファ内蔵
  • パイプライン遅延なし、サイクル待ち時間なし
  • I/O(入出力)の電圧範囲:1.8V~5V
  • デイジーチェーン・モードを備えたSPI互換シリアルI/O
  • 内部変換クロック
  • 電力損失:50mW(標準)
  • 16ピンMSOPパッケージ

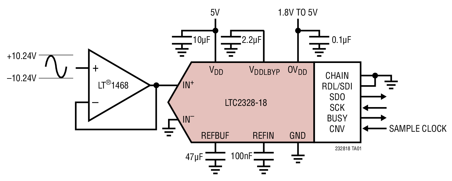
LTC2328-18は、疑似差動入力の低ノイズ、高速18ビット逐次比較レジスタ(SAR)A/Dコンバータです。LTC2328-18は5V単電源で動作し、真の双極性入力範囲が±10.24Vなので、広いダイナミックレンジが要求される高電圧アプリケーションに最適です。LTC2328-18は、±5LSBのINL(最大)、18ビット分解能で欠落コードなし、95dBのSNRを実現します。

LTC2328-18は、シングルショット動作が可能なリファレンス・バッファと低ドリフト(最大20ppm/℃)の2.048V温度補償リファレンスを内蔵しています。LTC2328-18は、1.8V、2.5V、3.3Vおよび5VのロジックをサポートするSPI互換の高速シリアル・インタフェースも内蔵しており、さらにデイジーチェーン・モードも備えています。LTC2328-18はスループットが1Mspsと高速でサイクル待ち時間がないので、多種多様な高速アプリケーションに最適です。内部発振器が変換時間を設定するので、外部のタイミングに対する配慮は少なくて済みます。LTC2328-18の電力損失はわずか50mWであり、変換と変換の間は自動的にナップ(低消費電力)モードになるので、サンプリング・レートに比例して電力損失が減少します。非活動期間中の消費電力をさらに節減するため、LTC2328-18の消費電力を300μWまで低減するスリープ・モードも備えています。

Bits
LTC2328-16 16
LTC2328-18 18

アプリケーション

  • プログラム可能なロジック・コントローラ
  • 産業用プロセス制御
  • 高速データ収集
  • ポータブル機器または小型機器
  • ATE(自動試験装置)

LTC2328-18
SNRが95dBで真の双極性入力範囲が±10.24Vの18ビット、1Msps、疑似差動入力A/Dコンバータ
32k Point FFT fS = 1Msps, fIN = 2kHz Product Package 1
myAnalogに追加

myAnalogの製品セクション(通知受け取り)、既存/新規プロジェクトに製品を追加する。

新規プロジェクトを作成
質問する
サポート

アナログ・デバイセズのサポート・ページはアナログ・デバイセズへのあらゆるご質問にお答えするワンストップ・ポータルです。


ドキュメント

データシート

これは最新改訂バージョンのデータシートです。

さらに詳しく
myAnalogに追加

myAnalogのリソース・セクション、既存/新規プロジェクトにメディアを追加する。

新規プロジェクトを作成

ソフトウェア・リソース

評価用ソフトウェア 3

DC1908A CPLD Source Code

PScope

PScopeは、旧リニアテクノロジーの高性能ADCとシグナル・チェーン・レシーバ・ファミリーを使用するために設計されたUSBベースの製品デモおよびデータ収集システムです。このソフトウェアでは、SNR、SFDR、THDやその他の主要なパラメータを迅速かつ容易に評価することが出来ます。

LinearLabTools

リニアテクノロジーのデータ・コンバータ評価用ボードに直接アクセスできるMATLABとPythonのプログラムを集めたツールです。


ハードウェア・エコシステム

製品モデル 製品ライフサイクル 詳細
D/Aコンバータ(DAC) 1
LTC2668 製造中 最大10ppm/℃のリファレンスを内蔵した16チャネル16/12ビット±10V電圧出力SoftSpan D/Aコンバータ
インターフェース・トランシーバ 2
LTM2883 製造中 ±12.5Vおよび5Vの可変安定化電源を備えたSPI/デジタルまたはI2C対応のμModuleアイソレータ
LTM2893 製造中 100MHz絶縁型ADCシリアル・インタフェース
Modal heading
myAnalogに追加

myAnalogの製品セクション(通知受け取り)、既存/新規プロジェクトに製品を追加する。

新規プロジェクトを作成

ツールおよびシミュレーション

Linduino

Linduino はアナログ・デバイセズの Arduino 互換システムで、アナログ・デバイセズ製集積回路のファームウェア・ライブラリおよびサンプル・コードの開発と配布に使用します。Linduino対応の各製品には、LTSketchbook/Part Numberフォルダに定義されたサンプルのメイン・プログラムと、LTSketchbook/librariesフォルダに定義されたドライバ・コードが含まれています。

GitHub上のLinduinoコードのリポジトリとコード使用方法

LTSketchbookをダウンロード

Linduinoを購入


評価用キット

eval board
DC1908A-D

LTC2328-18デモ・ボード | 18ビット、1Msps、シングルエンドSAR ADC、真のバイポーラ+/-10V入力対応DC590またはDC718が必要

製品詳細

LTC®2338/LTC2337/LTC2336/LTC2328/LTC2327/LTC2326は、5V単電源で動作できるシリアル出力を備えた真のバイポーラ、低消費電力、低ノイズADCです。デモ・マニュアルはLTC2338-18についての説明ですが、同じファミリのすべての部品に当てはまります。違いは、最大サンプル・レートとビット数だけです。LTC2338-18は100dBのS/N比で±20.48Vの完全差動入力範囲をサポートしており、消費電力はわずか50mWです。また、18ビットのノー・ミス・コードで最大±4LSB INLを達成しています。DC1908Aは、DC590 QuikEval™およびDC718 PScope™データ収集ボードと組み合わせた場合の、LTC2338‑18のDC性能とAC性能をデモンストレーションします。ピークtoピーク・ノイズやDC直線性などのDC性能をデモンストレーションするには、DC590を使用してください。


 


DC1908A-D
LTC2328-18デモ・ボード | 18ビット、1Msps、シングルエンドSAR ADC、真のバイポーラ+/-10V入力対応DC590またはDC718が必要
DC1908A-D Demo Board DC1908A-D Demo Board DC1908A-D Demo Board DC1908A-D Demo Board DC1908A - Schematic

最新のディスカッション

LTC2328-18に関するディスカッションはまだありません。意見を投稿しますか?

EngineerZone®でディスカッションを始める

最近表示した製品