LTC2159

製造中

16ビット、20Msps低消費電力ADC

利用上の注意

本データシートの英語以外の言語への翻訳はユーザの便宜のために提供されるものであり、リビジョンが古い場合があります。最新の内容については、必ず最新の英語版をご参照ください。

なお、日本語版のデータシートは基本的に「Rev.0」(リビジョン0)で作成されています。そのため、英語版が後に改訂され、複数製品のデータシートがひとつに統一された場合、同じ「Rev.0」の日本語版のデータシートが異なる製品のデータシートとして表示されることがあります。たとえば、「ADM3307E」の場合、日本語データシートをクリックすると「ADM3311E」が表示されます。これは、英語版のデータシートが複数の製品で共有できるように1本化され、「ADM3307E/ADM3310E/ADM3311E/ADM3312E/ADM3315E」(Rev.J)と改訂されたからで、決して誤ってリンクが張られているわけではありません。和文化されたデータシートを少しでも有効に活用していただくためにこのような方法をとっておりますので、ご了解ください。

アナログ・デバイセズ社は、提供する情報が正確で信頼できるものであることを期していますが、その情報の利用に関して、あるいはその利用によって生じる第三者の特許やその他の権利の侵害に関して一切の責任を負いません。また、アナログ・デバイセズ社の特許または特許の権利の使用を明示的または暗示的に許諾するものでもありません。仕様は予告なしに変更する場合があります。本紙記載の商標および登録商標は、各社の所有に属します。

Viewing:

製品情報

  • SNR:77dB
  • SFDR:90dB
  • 低消費電力:43mW
  • 1.8V単電源
  • CMOS、DDR CMOS、またはDDR LVDS出力
  • 選択可能な入力範囲:1VP-P~2VP-P
  • フルパワー帯域幅が550MHzのサンプル/ホールド
  • オプションのデータ出力ランダマイザ
  • オプションのクロック・デューティ・サイクル・スタビライザ
  • シャットダウン・モードとナップ・モード
  • 設定用のシリアルSPIポート
  • 48ピン(7mm × 7mm)QFNパッケージ

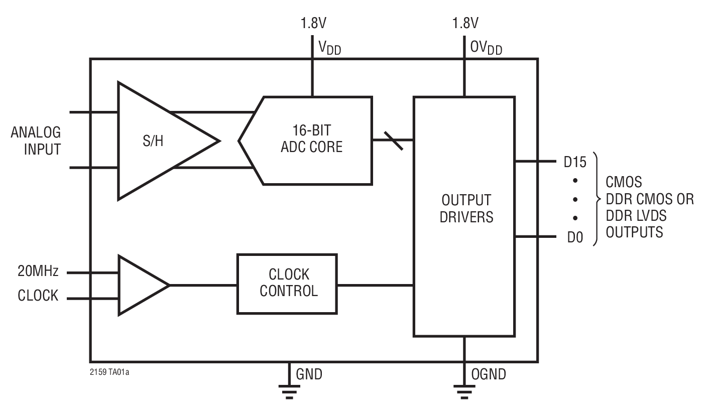
LTC2159は、広いダイナミック・レンジの高周波信号をデジタル化する目的で設計されたサンプリング16ビットA/Dコンバータです。SNR(信号対ノイズ比)が77dB、SFDR(スプリアスのないダイナミックレンジ)が90dBというAC特性を備えているため、要求の厳しい通信アプリケーションに最適です。0.07psRMSというきわめて低いジッタ性能により、優れたノイズ性能を維持しながらIF周波数のアンダーサンプリングを実現できます。

DC規格では、±2LSB(標準)のINL、±0.5LSB(標準)のDNL、全温度範囲にわたって欠落コードがないことが規定されています。遷移ノイズは3.2LSBRMSです。

デジタル出力は、フルレートCMOS、ダブル・データレートCMOS、ダブル・データレートLVDSのいずれかに設定可能です。独立した出力電源により、1.2V~1.8Vの範囲でのCMOS出力振幅が可能です。

ENC+入力およびENC入力は、正弦波、PECL、LVDS、TTL、またはCMOSの入力信号を使用して、差動またはシングルエンドで駆動できます。また、オプションのクロック・デューティサイクル・スタビライザにより、広範なクロック・デューティサイクルにわたってフルスピードで高い性能を発揮できます。


アプリケーション

  • 通信
  • 移動体通信基地局
  • ソフトウェア無線
  • 携帯型医療用画像処理
  • マルチチャネル・データ収集
  • 非破壊試験

LTC2159
16ビット、20Msps低消費電力ADC
Integral Non-Linearity (INL) Product Package 1 Product Package 2 Product Package 3
myAnalogに追加

myAnalogの製品セクション(通知受け取り)、既存/新規プロジェクトに製品を追加する。

新規プロジェクトを作成
質問する
サポート

アナログ・デバイセズのサポート・ページはアナログ・デバイセズへのあらゆるご質問にお答えするワンストップ・ポータルです。


ドキュメント

データシート

これは最新改訂バージョンのデータシートです。

さらに詳しく
myAnalogに追加

myAnalogのリソース・セクション、既存/新規プロジェクトにメディアを追加する。

新規プロジェクトを作成

ソフトウェア・リソース

評価用ソフトウェア 1

LinearLabTools

リニアテクノロジーのデータ・コンバータ評価用ボードに直接アクセスできるMATLABとPythonのプログラムを集めたツールです。


ハードウェア・エコシステム

製品モデル 製品ライフサイクル 詳細
フェーズ・ロック・ループ(PLL)シンセサイザ 1
LTC6946 製造中止 ノイズとスプリアスを極めて低く抑えたVCO内蔵の0.37GHz~5.7GHz整数分周方式シンセサイザ
差動アンプ 1
LTC6406 最終販売 3GHz、低ノイズ、レール・トゥ・レール入力差動アンプ/ドライバ
Modal heading
myAnalogに追加

myAnalogの製品セクション(通知受け取り)、既存/新規プロジェクトに製品を追加する。

新規プロジェクトを作成

評価用キット

eval board
DC1762A-G

LTC2159: 16-bit 20Msps ADC, LVDS Outputs, 5-140MHz, Requires DC890, LVDS_XFMR and DC1075

製品詳細

DC1762A-G: Demo Board for the LTC2159 16-Bit, 20Msps Low Power ADC.


 


DC1762A-G
LTC2159: 16-bit 20Msps ADC, LVDS Outputs, 5-140MHz, Requires DC890, LVDS_XFMR and DC1075
DC1762A-A - Schematic

最新のディスカッション

最近表示した製品