LTC1878

製造中

高効率モノリシック 同期整流降圧レギュレータ

利用上の注意

本データシートの英語以外の言語への翻訳はユーザの便宜のために提供されるものであり、リビジョンが古い場合があります。最新の内容については、必ず最新の英語版をご参照ください。

なお、日本語版のデータシートは基本的に「Rev.0」(リビジョン0)で作成されています。そのため、英語版が後に改訂され、複数製品のデータシートがひとつに統一された場合、同じ「Rev.0」の日本語版のデータシートが異なる製品のデータシートとして表示されることがあります。たとえば、「ADM3307E」の場合、日本語データシートをクリックすると「ADM3311E」が表示されます。これは、英語版のデータシートが複数の製品で共有できるように1本化され、「ADM3307E/ADM3310E/ADM3311E/ADM3312E/ADM3315E」(Rev.J)と改訂されたからで、決して誤ってリンクが張られているわけではありません。和文化されたデータシートを少しでも有効に活用していただくためにこのような方法をとっておりますので、ご了解ください。

アナログ・デバイセズ社は、提供する情報が正確で信頼できるものであることを期していますが、その情報の利用に関して、あるいはその利用によって生じる第三者の特許やその他の権利の侵害に関して一切の責任を負いません。また、アナログ・デバイセズ社の特許または特許の権利の使用を明示的または暗示的に許諾するものでもありません。仕様は予告なしに変更する場合があります。本紙記載の商標および登録商標は、各社の所有に属します。

Viewing:

製品情報

  • 高効率:最大95%
  • 非常に低い消費電流:動作時わずか10μA
  • VIN=3.3Vでの出力電流:600mA
  • 入力電圧範囲:2.65V~6V
  • 固定周波数動作:550kHz
  • 400kHzから700kHzまで同期可能
  • 選択可能なバースト・モード動作/パルス・スキップ・モード
  • ショットキ・ダイオードが不要
  • 低損失動作:100%デューティ・サイクル
  • 0.8Vリファレンスにより低出力電圧が可能
  • シャットダウン・モード時の消費電流:1μA以下
  • ±2%の出力電圧精度
  • ラインおよび負荷過渡応答に優れた電流モード制御
  • 過電流および過温度保護
  • 8ピンMSOPパッケージで供給
  • LTC1878は、固定周波数、電流モード・アーキテクチャを採用した高効率モノリシック同期整流降圧レギュレータです。動作時の電源電流はわずか10μAで、シャットダウン時にはさらに1μA以下に低下します。 LTC1878は入力電圧範囲が2.65V~6Vで、リチウムイオン電池1個のアプリケーションに最適です。100%デューティ・サイクルの低損失動作によって、携帯用システムでバッテリの寿命を延ばすことができます。

    スイッチング周波数は、内部で550kHzに設定されるため、小型表面実装インダクタを使用できます。スイッチング・ノイズに敏感なアプリケーションに対しては、400kHzから700kHzまで外部同期が可能です。バースト・モード動作は、同期中またはSYNC/MODEピンが“L”になっているときは、低周波リップルがオーディオ回路に干渉を与えるのを防止するために禁止されます。

    内部同期スイッチによって効率が向上し、外付けショットキ・ダイオードは不要です。低出力電圧は0.8Vの帰還基準電圧で容易にサポートされます。


    アプリケーション

    • セルラー電話
    • ワイヤレス・モデム
    • 個人情報機器
    • 携帯機器
    • 分配型電源システム
    • バッテリ駆動機器

    LTC1878
    高効率モノリシック 同期整流降圧レギュレータ
    High Efficiency Step-Down Converter Efficiency vs Output Load Current Product Package 1
    myAnalogに追加

    myAnalogの製品セクション(通知受け取り)、既存/新規プロジェクトに製品を追加する。

    新規プロジェクトを作成
    質問する
    サポート

    アナログ・デバイセズのサポート・ページはアナログ・デバイセズへのあらゆるご質問にお答えするワンストップ・ポータルです。


    ドキュメント

    データシート

    これは最新改訂バージョンのデータシートです。

    さらに詳しく
    myAnalogに追加

    myAnalogのリソース・セクション、既存/新規プロジェクトにメディアを追加する。

    新規プロジェクトを作成

    ソフトウェア・リソース

    必要なソフトウェア/ドライバが見つかりませんか?

    ドライバ/ソフトウェアをリクエスト

    ハードウェア・エコシステム

    製品モデル 製品ライフサイクル 詳細
    スイッチング・レギュレータ & コントローラ 1
    LTC3880 新規設計に推奨 デジタル・パワー・システム・マネージメントを搭載したデュアル出力PolyPhase降圧DC/DCコントローラ
    パワー・システム・マネージメント(PSM) & シーケンサ 1
    LTC2974 新規設計に推奨 正確な出力電流測定を特長とする4チャンネルPMBusパワーシステム・マネージャ
    監視回路 & リセットIC 1
    LTC2934 製造中 パワーフェール出力付きの調整可能な超低消費電力モニタ
    発振器 1
    LTC6908 スペクトル拡散変調付き抵抗設定SOT-23発振器
    Modal heading
    myAnalogに追加

    myAnalogの製品セクション(通知受け取り)、既存/新規プロジェクトに製品を追加する。

    新規プロジェクトを作成

    ツールおよびシミュレーション

    LTspice


    下記製品はLTspiceで使用することが出来ます。:

    • LTC1878
    LTspice

    LTspice®は、無料で提供される強力で高速な回路シミュレータと回路図入力、波形ビューワに改善を加え、アナログ回路のシミュレーションを容易にするためのモデルを搭載しています。

     


    評価用キット

    eval board
    DC348A

    LTC1878EMS8 | High Efficiency Monolithic Synchronous Step-Down Regulator, 2.65V to 6V Input, 1.8VOUT @ 200mA

    製品詳細

    DC348A: Demo Board for the LTC1878 High Efficiency Monolithic Synchronous Step-Down Regulator.

    eval board
    DC290A-B

    LTC1878EMS8 | High Efficiency Monolithic Synchronous Step-Down Regulator, 2.65V to 6V Input, 1.5V to 3.3VOUT @ 600mA

    製品詳細

    DC290A-B: Demo Board for the LTC1878 High Efficiency Monolithic Synchronous Step-Down Regulator.

     


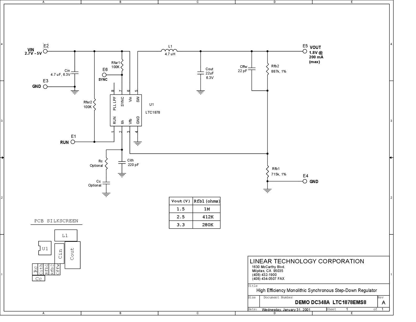
    DC348A
    LTC1878EMS8 | High Efficiency Monolithic Synchronous Step-Down Regulator, 2.65V to 6V Input, 1.8VOUT @ 200mA
    DC348A - Schematic
    DC290A-B
    LTC1878EMS8 | High Efficiency Monolithic Synchronous Step-Down Regulator, 2.65V to 6V Input, 1.5V to 3.3VOUT @ 600mA
    DC290A-A - Schematic

    最新のディスカッション

    LTC1878に関するディスカッションはまだありません。意見を投稿しますか?

    EngineerZone®でディスカッションを始める

    最近表示した製品