LTC1387

製造中

単一5V RS232/RS485 マルチプロトコル・トランシーバ

利用上の注意

本データシートの英語以外の言語への翻訳はユーザの便宜のために提供されるものであり、リビジョンが古い場合があります。最新の内容については、必ず最新の英語版をご参照ください。

なお、日本語版のデータシートは基本的に「Rev.0」(リビジョン0)で作成されています。そのため、英語版が後に改訂され、複数製品のデータシートがひとつに統一された場合、同じ「Rev.0」の日本語版のデータシートが異なる製品のデータシートとして表示されることがあります。たとえば、「ADM3307E」の場合、日本語データシートをクリックすると「ADM3311E」が表示されます。これは、英語版のデータシートが複数の製品で共有できるように1本化され、「ADM3307E/ADM3310E/ADM3311E/ADM3312E/ADM3315E」(Rev.J)と改訂されたからで、決して誤ってリンクが張られているわけではありません。和文化されたデータシートを少しでも有効に活用していただくためにこのような方法をとっておりますので、ご了解ください。

アナログ・デバイセズ社は、提供する情報が正確で信頼できるものであることを期していますが、その情報の利用に関して、あるいはその利用によって生じる第三者の特許やその他の権利の侵害に関して一切の責任を負いません。また、アナログ・デバイセズ社の特許または特許の権利の使用を明示的または暗示的に許諾するものでもありません。仕様は予告なしに変更する場合があります。本紙記載の商標および登録商標は、各社の所有に属します。

Viewing:

製品情報

  • 2個のRS232トランシーバまたは1個のRS485トランシーバを構成 
  • 単一5V電源動作 
  • 入力のフロート時またはグランドへの短絡時にレシーバ出力を保証 
  • 高速/低速RS485ドライバ・スルーレートをロジックで選択可能 
  • 低消費電流:7mA(標準) 
  • シャットダウン時の消費電流:5μA 
  • ループバック・モードでの自己診断テスト機能 
  • ドライバおよびレシーバ・イネーブルを個別に制御 
  • 3ステート、シャットダウン、または電源オフでドライバはハイ・インピーダンス状態を維持 
  • レシーバ入力の耐性:±25V 

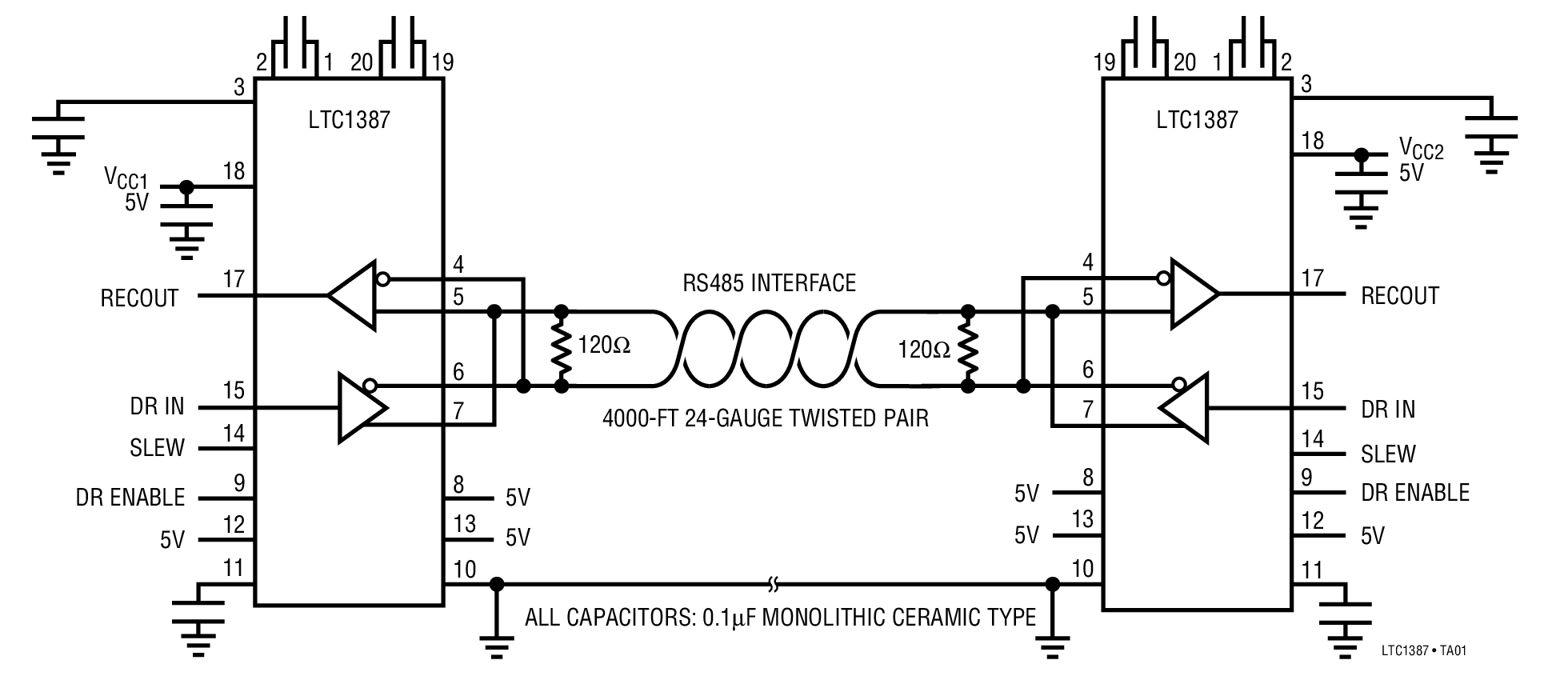
LTC1387は再構成可能な低消費電力のCMOS双方向トランシーバです。1つのRS485差動ポート、または2つのRS232シングルエンド・ポートとして構成することができます。内蔵チャージポンプは4個の0.1μFコンデンサを使用して、昇圧した正および負電源を生成するので、RS232ドライバは単一5V電源だけで±5Vの出力振幅要件を満たすことができます。シャットダウン・モードでは、消費電流ICCが5μAに低減されます。

RS232トランシーバはRS232規格に完全に準拠しています。RS485トランシーバはRS485規格とRS422規格に完全に準拠しています。RS485レシーバは、入力がフロートしているかグランドに短絡している場合、既知の出力状態になります。すべてのインターフェイス・ドライバが、短絡およびサーマル・シャットダウン保護機能を備えています。イネーブル・ピンによって、RS485ドライバ出力がハイ・インピーダンスになり、出力が電源レールを超えたり電源がオフのときでもハイ・インピーダンス状態が維持されます。ループバック・モードでは、ドライバ出力をレシーバ入力に戻して、自己診断テストを行うことができます。

LTC1387は20ピン・プラスチックSSOPおよびSWパッケージで供給されます。


アプリケーション

  • POS端末 
  • ソフトウェアで選択可能なマルチプロトコル・インターフェイス・ポート 
  • 低消費電力RS485/RS422/RS232/EIA562インターフェイス 
  • ケーブル・リピータ 
  • レベル変換器 

LTC1387
単一5V RS232/RS485 マルチプロトコル・トランシーバ
myAnalogに追加

myAnalogの製品セクション(通知受け取り)、既存/新規プロジェクトに製品を追加する。

新規プロジェクトを作成
質問する
サポート

アナログ・デバイセズのサポート・ページはアナログ・デバイセズへのあらゆるご質問にお答えするワンストップ・ポータルです。


ドキュメント

データシート

これは最新改訂バージョンのデータシートです。

さらに詳しく
myAnalogに追加

myAnalogのリソース・セクション、既存/新規プロジェクトにメディアを追加する。

新規プロジェクトを作成

ハードウェア・エコシステム

製品モデル 製品ライフサイクル 詳細
インターフェース・トランシーバ & アイソレータ 1
LTC2870 製造中 終端抵抗を内蔵したRS232/RS485マルチプロトコル・トランシーバ
Modal heading
myAnalogに追加

myAnalogの製品セクション(通知受け取り)、既存/新規プロジェクトに製品を追加する。

新規プロジェクトを作成

最新のディスカッション

最近表示した製品