LT6555

製造中

650MHz、利得2のトリプル2:1ビデオ・マルチプレクサ

利用上の注意

本データシートの英語以外の言語への翻訳はユーザの便宜のために提供されるものであり、リビジョンが古い場合があります。最新の内容については、必ず最新の英語版をご参照ください。

なお、日本語版のデータシートは基本的に「Rev.0」(リビジョン0)で作成されています。そのため、英語版が後に改訂され、複数製品のデータシートがひとつに統一された場合、同じ「Rev.0」の日本語版のデータシートが異なる製品のデータシートとして表示されることがあります。たとえば、「ADM3307E」の場合、日本語データシートをクリックすると「ADM3311E」が表示されます。これは、英語版のデータシートが複数の製品で共有できるように1本化され、「ADM3307E/ADM3310E/ADM3311E/ADM3312E/ADM3315E」(Rev.J)と改訂されたからで、決して誤ってリンクが張られているわけではありません。和文化されたデータシートを少しでも有効に活用していただくためにこのような方法をとっておりますので、ご了解ください。

アナログ・デバイセズ社は、提供する情報が正確で信頼できるものであることを期していますが、その情報の利用に関して、あるいはその利用によって生じる第三者の特許やその他の権利の侵害に関して一切の責任を負いません。また、アナログ・デバイセズ社の特許または特許の権利の使用を明示的または暗示的に許諾するものでもありません。仕様は予告なしに変更する場合があります。本紙記載の商標および登録商標は、各社の所有に属します。

Viewing:

製品情報

  • -3dB 小信号帯域幅:650MHz
  • -3dB、2VP-P 大信号帯域幅:450MHz
  • ±0.1dB 帯域幅:120MHz
  • 高いスルーレート:2200V/μs
  • 2 の固定利得により、外付け抵抗不要
  • チャネル分離:10MHz で72dB
  • チャネル分離:100MHz で50dB
  • 第2 次高調波歪:10MHz、2VP-P で-80dBc
  • 第3 次高調波歪:10MHz、2VP-P で-70dBc
  • 低消費電流:9mA/アンプ
  • 0.1%へのセトリング・タイム(2V ステップ時):6.5ns
  • ディスエーブル時、ISS≤500μA/アンプ
  • 微分利得が0.033%、微分位相が0.022°
  • 広い電源電圧範囲:±2.25V(4.5V)~±6V(12V)
  • 24ピンSSOPパッケージと24ピンQFN パッケージ

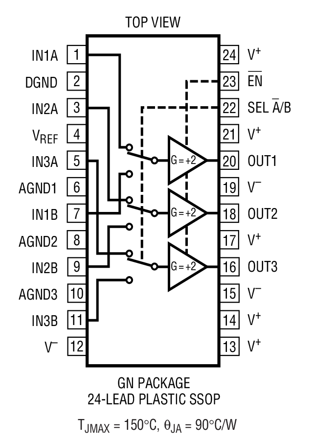
LT6555は、内部で利得を2に固定した高速トリプル2:1マルチプレクサです。各アンプは二重終端75Ωビデオ負荷での動作に最適化され、450MHzの-3dB 2VP-P帯域幅により、非常に高分解能のビデオ信号をドライブするのに最適です。各アンプごとに個別の電源ピンを装備し、チャネル分離を72dBまで向上させるので、多くの高速アプリケーションに最適です。

LT6555の性能は両電源動作向けに最適化されていますが、4.5Vという低電圧の単一電源でも動作可能です。5Vの両電源を使用する場合、各アンプの消費電流はわずか9mAです。ディスエーブル時、これらのアンプの消費電流は500μA以下で、出力ピンはハイインピーダンスになります。

LT6555はリニアテクノロジー独自の低電圧コンプリメンタリ・バイポーラ・プロセスを使用して製造され、24ピンSSOPパッケージと超小型の24ピンQFNパッケージで供給されます。


アプリケーション

  • RGBアンプ
  • UXGAビデオ・マルチプレクス
  • LCDプロジェクタ

LT6555
650MHz、利得2のトリプル2:1ビデオ・マルチプレクサ
RGB Multiplexer and Line Driver Video Amplitude Transient Response Product Package 1 Product Package 2
myAnalogに追加

myAnalogの製品セクション(通知受け取り)、既存/新規プロジェクトに製品を追加する。

新規プロジェクトを作成
質問する
サポート

アナログ・デバイセズのサポート・ページはアナログ・デバイセズへのあらゆるご質問にお答えするワンストップ・ポータルです。


ドキュメント

データシート

これは最新改訂バージョンのデータシートです。

さらに詳しく
myAnalogに追加

myAnalogのリソース・セクション、既存/新規プロジェクトにメディアを追加する。

新規プロジェクトを作成

ソフトウェア・リソース

必要なソフトウェア/ドライバが見つかりませんか?

ドライバ/ソフトウェアをリクエスト

評価用キット

eval board
DC858A

LT6555CGN | High Speed Triple 2:1 Video Multiplexer, VCC = 3.3V to 5V, VEE = –3.3V to –5V

製品詳細

DC858A: Demo Board for the LT6555 650MHz Gain of 2 Triple 2:1 Video Multiplexer.

DC858A
LT6555CGN | High Speed Triple 2:1 Video Multiplexer, VCC = 3.3V to 5V, VEE = –3.3V to –5V
DC858A - Schematic
DC892A-A
LT6555 650MHz Gain of 2 Triple Video Multiplexer
DC892A-A - Schematic

最新のディスカッション

LT6555に関するディスカッションはまだありません。意見を投稿しますか?

EngineerZone®でディスカッションを始める

最近表示した製品