製品概要
製品概要
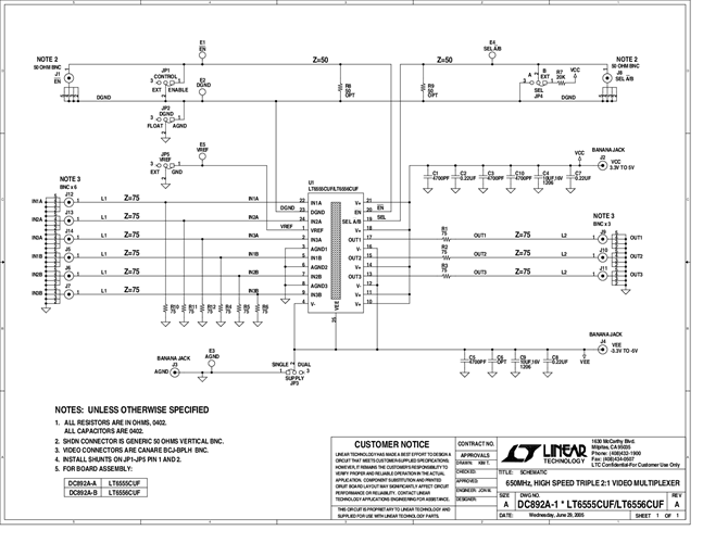
DC892A-A: Demo Board for the LT6555 650MHz Gain of 2 Triple 2:1 Video Multiplexer.
対象となる製品
関連資料
-
DC892A - Schematic2009/09/24PDF36K
-
DC892A - Demo Manual2009/09/24PDF403K
-
DC892A - Design File2009/09/24ZIP1M
